ĐỒ ÁN ĐÁNH GIÁ CHẤT LƯỢNG ĐỘNG LỰC HỌC PHANH ĐOÀN XE KÉO KHÍ TÀI

Mã đồ án OTTN002020454
Đánh giá: 5.0
Mô tả đồ án

     Đồ án có dung lượng 360MB. Bao gồm đầy đủ các file như: File bản vẽ cad 2D (Bản vẽ cơ cấu phanh xe kéo, bản vẽ dẫn động phanh rơ mooc, bản vẽ dẫn động phanh xe kéo, bản vẽ đồ thị động lực học phanh đoàn xe); file word (Bản thuyết minh, chương trình matlab, nhiệm vụ đồ án, bìa đồ án.…). Ngoài ra còn cung cấp rất nhiều các tài liệu chuyên ngành, các tài liệu phục vụ cho thiết kế đồ án........... ĐÁNH GIÁ CHẤT LƯỢNG ĐỘNG LỰC HỌC PHANH ĐOÀN XE KÉO KHÍ TÀI.

Giá: 950,000 VND
Nội dung tóm tắt

MỤC LỤC

MỤC LỤC........................1

LỜI NÓI ĐẦU.................................................................................. 3

Chương 1. GIỚI THIỆU CHUNG VỀ XE KÉO VÀ MOÓC KHÍ TÀI................... 5

1.1. Đoàn xe.................................................................................. 5

1.1.1. Xe đầu kéo........................................................................ 6

1.1.2. Bán moóc.......................................................................... 6

1.1.3. Moóc................................................................................ 7

1.2. Phân loại đoàn xe.............................................................. 7

1.2.1. Phân loại theo ý nghĩa sử dụng………………………...7

1.2.2. Phân loại theo cách phân bố tải trọng………………….8

1.2.3. Phân loại theo phương pháp dẫn động bánh xe của moóc và của bán moóc……….…..…….8

1.3. Phân loại theo phương pháp dẫn động điều khiển bánh xe bán moóc và moóc……....8

1.4. Các loại xe kéo và moóc khí tài.............................................. .9

Chương 2. PHÂN TÍCH KẾT CẤU HỆ THỐNG PHANH XE KÉO VÀ MOÓC KHÍ TÀI..................…22

2.1. Công dụng............................................................................ 22

2.2. Yêu cầu đối với hệ thống phanh............................................ 22

2.2.1. Các yêu cầu chung đối với hệ thống phanh ôtô................ 22

2.2.2. Các yêu cầu cụ thể đối với từng hệ thống phanh ôtô........ 23

2.2.3. Các yêu cầu đối với  hệ thống tín hiệu và kiểm tra hệ thống phanh xe ôtô.................. 24

2.3. Cấu tạo chung hệ thống phanh ôtô........................................ 25

2.4. Đặc điểm kết cấu kết cấu hệ thống phanh xe kéo và moóc khí tài.    ..27

2.4.1. Đặc điểm kết cấu dẫn động phanh .................................. 27

2.4.2. Đặc điểm kết cấu cơ cấu phanh........................................ 33

2.4.3. Đặc điểm kết cấu một số hệ thống phanh đặc trưng của xe kéo và moóc khí tài......................... 38

Chương 3.ĐÁNH GIÁ CHẤT LƯỢNG ĐỘNG LỰC HỌC PHANH XE KÉO KHÍ TÀI..................... 50

3.1. Các chỉ tiêu đánh giá hiệu quả phanh.................................... 50

3.1.1. Gia tốc chậm dần khi phanh............................................ 50

3.1.2. Thời gian phanh.............................................................. 51

3.1.3. Quãng đường phanh........................................................ 52

3.1.3.1. Quãng đường phanh lý thuyết……………………….52

3.1.3.2. Quãng đường phanh thực tế…………………….…....54

3.2. Lực phanh và lực phanh riêng.......................................... 57

3.3. Thiết lập mô hình tính toán xác định các thông số đánh giá hiệu quả phanh............... 58

3.3.1. Xây dựng mô hình tính toán........................................... 58

3.3.2. Cơ sở thuật toán.............................................................. 60

3.3.3. Sơ đồ thuật toán tính toán ĐLH phanh đoàn xe.............. 72

3.4. Chương trình và kết quả tính toán......................................... 73

3.4.1. Thông số đầu vào........................................................... 73

3.4.2. Kết quả tính toán............................................................ 76

Chương 4. HƯỚNG DẪN KHAI THÁC VÀ SỬ DỤNG HỆ THỐNG PHANH ÔTÔ....................... 82

4.1. Hướng dẫn sử dụng............................................................... 82

4.1.1. Khi xe chưa nổ máy cần kiểm tra..................................... 82

4.1.2. Khi nổ máy phải kiểm tra................................................ 82

4.1.3. Khi xe đang hoạt động trên đường................................... 83

4.2. Công tác bảo dưỡng kỹ thuật hàng ngày................................ 83

4.3. Sửa chữa những hư hỏng thường gặp.................................... 89

4.4. Những hỏng hóc thường gặp và phương pháp khắc phục của cơ cấu dẫn động khí nén.............. 90

KẾT LUẬN.................................................................................... 94

TÀI LIỆU THAM KHẢO.............................................................. 96

PHỤ LỤC ..................................................................................... .97

LỜI NÓI ĐẦU

   “An toàn là hạnh phúc của mọi nhà”. Câu nói đó luôn đúng trong mọi hoàn cảnh, đặc biệt trong ngành giao thông vận tải hiện nay với mật độ phương tiện ngày càng cao và có nhiều chủng loại xe khác nhau. Mặt khác, nước ta hiện nay đang trong quá trình CNH - HĐH đất nước nên khối lượng hàng hóa cần vận chuyển rất lớn, các xe vận tải bình thường không thể đáp ứng kịp được nhu cầu đó. Vì thế, xu hướng sử dụng đoàn xe đang phát triển mạnh mẽ ở nước ta và vấn đề nữa đặt ra là do chất lượng đường sá được cải thiện tốt hơn do đó tốc độ chuyển động của xe cũng ngày càng được nâng cao nên việc đảm bảo sự an toàn, ổn định của xe khi chuyển động là việc cấp bách hiện nay để tránh xảy ra tai nạn giao thông trên đường.

   Đoàn xe là phương tiện vận tải đường bộ có cấu trúc phức tạp, có chiều dài và trọng lượng lớn, gồm nhiều khâu liên kết với nhau. Do vậy đoàn xe kéo có tính ổn định thấp, điều khiển khó khăn nên việc đảm bảo cho ôtô chuyển động an toàn, ổn định là rất quan trọng. Bên cạnh các hệ thống khác thì hệ thống phanh có vai trò quyết định trong việc đảm bảo chuyển động an toàn, ổn định của đoàn xe kéo.

   Đặc biệt trong quân đội ta cũng sử dụng phổ biến tới đoàn xe kéo để kéo các moóc khí tài như kéo moóc khí tài tên lửa, moóc khí tài ra đa, moóc khí tài pháo cao xạ, moóc chở nhiên liệu máy bay…. Với đặc thù của quân đội, ta phải luôn tính toán sao cho xe, moóc khí tài hoạt động tốt trong điều kiện khó khăn như địa hình không có đường, mấp mô, không bằng phẳng, chất lượng bám kém…. Mặt khác, xe và khí tài được biên chế trong quân đội ta đã sử dụng qua chiến tranh nhiều năm nên các tính năng kỹ chiến thuật không được như ban đầu, chất lượng thấp, đặc biệt là tính ổn định của xe và hệ số an toàn của xe đã thấp đi rất nhiều. Trước tình hình chính trị và xung đột vũ trang trong khu vực và thế giới ngày càng căng thẳng nên Đảng và Nhà nước ta đã tập trung nhiều hơn vào quân đội như đầu tư nâng cấp các xe kéo pháo, đồng bộ các xe kéo khí tài tên lửa, ra đa… cải tiến các moóc khí tài quân sự, với mục đích nâng cao khả năng cơ động, ổn định chuyển động và rút ngắn thời gian thu hồi triển khai khí tài chiến đấu.

   Nhận thức được điều này, với sự hướng dẫn của thầy giáo TS. ................., tôi nhận đề tài tốt nghiệp với nội dung “ Đánh giá chất lượng động lực học phanh đoàn xe kéo khí tài”.

Nội dung gồm những phần sau:

Lời nói đầu.

Chương 1: Giới thiệu chung về xe kéo và moóc khí tài.

Chương 2: Phân tích kết cấu hệ thống phanh xe kéo và moóc khí tài.

Chương 3: Đánh giá chất lượng động lực học phanh xe kéo khí tài.

Chương 4: Hướng dẫn khai thác và sử dụng hệ thống phanh ôtô.

   Trong quá trình thực hiện đồ án tốt nghiệp cùng với sự cố gắng của bản thân và sự hướng dẫn, chỉ bảo tận tình của thầy giáo: TS. ................ cùng các thầy trong Bộ môn Ôtô Quân sự, Khoa Động Lực - HVKT, em đã thực hiện xong đồ án tốt nghiệp này. Trong quá trình làm đồ án, mặc dù đã có nhiều cố gắng nhưng do trình độ có hạn, không khỏi có những chỗ còn thiếu sót, em rất mong được sự đóng góp, chỉ bảo của các thầy và các bạn để đồ án được hoàn thiện hơn.

   Em xin chân thành cảm ơn!

Chương 1 

GIỚI THIỆU CHUNG VỀ XE KÉO VÀ MOÓC KHÍ TÀI

1.1. Đoàn xe

Đoàn xe theo TCVN 6211:1996 và ISO 3833:1977 gọi là xe liên hợp, gồm từ hai hay nhiều khâu vận tải đường bộ được nối ghép với nhau bằng những cơ cấu có thể lắp và tháo được, trong đó có một khâu chủ động (có động cơ). Ví dụ: đoàn xe kéo moóc, đoàn xe kéo bán moóc… (hình 1.1).

1.1.1. Xe đầu kéo (tractor)

Xe đầu kéo là một khâu chủ động (có động cơ) của đoàn xe kéo bán moóc (hình 1.2), còn gọi là xe kéo. Xe kéo có hai chế độ vận tải: Kéo bán moóc và không kéo bán moóc.

1.1.2. Bán moóc (Semi Trailer)

Bán moóc là thành phần bị động của vận tải đường bộ được nối với xe đầu kéo bằng một kết cấu ghép nối đặc biệt (yên đỡ, giá kẹp). Khác với moóc, một phần trọng lượng của bán moóc được truyền xuống mặt đường qua xe đầu kéo (hình 1.2). Số lượng các trục có thể là một hay nhiều trục và có thể có hoặc không có trục dẫn hướng. Trên hình 1.3 là bán moóc hai trục và không có trục dẫn hướng.

1.1.3. Phân loại đoàn xe

1.1.3.1. Phân loại theo ý nghĩa sử dụng

- Đoàn xe vạn năng: Còn gọi là đoàn xe phổ thông, đoàn xe thông dụng, đoàn xe thùng. Thùng xe của loại này thường có dạng hở được làm bằng gỗ, hoặc kim loại dùng để chở các loại hàng hóa thông dụng, đa dạng khác nhau với một số lượng lớn.

- Đoàn xe chuyên dùng: Thường có kết cấu thùng xe đặc biệt nhằm chở một loại hàng riêng biệt, thí dụ: đoàn xe có thùng tự đổ, đoàn xe chở hàng dài, đoàn xe chở các cấu kiện bê tông xây dựng...

1.1.3.2. Phân loại theo cách phân bố tải trọng

- Đoàn xe có phân bố tải trọng độc lập (còn gọi là đoàn xe kéo moóc) bao gồm xe và moóc, trong đó có thể có một hoặc vài moóc. Theo "Điều lệ trật tự an toàn giao thông đường bộ và trật tự an toàn giao thông đô thị" ban hành kèm theo nghị định 36 CP của thủ tướng Chính phủ ngày 01/08/1995 thì một xe chỉ được kéo theo một moóc.

- Đoàn xe có tải trọng phân bố phụ thuộc (còn gọi là đoàn xe kéo bán moóc) bao gồm xe đầu kéo, bán moóc vạn năng hoặc bán moóc chuyên dùng hoặc bán moóc kéo hàng dài.

1.1.4.2. Phân loại theo phương pháp dẫn động điều khiển bánh xe bán moóc và moóc

- Bán moóc và moóc không có bánh xe dẫn hướng.

- Bán moóc và moóc có cầu dẫn hướng mục đích để giảm bán kính quay vòng của đoàn xe nhằm nâng cao tính năng cơ động của đoàn xe, cầu dẫn hướng của bán moóc có hai loại là trục dẫn hướng hoặc bánh xe dẫn hướng.

1.2. Các loại xe kéo và moóc khí tài

Các loại xe kéo khí tài sử dụng trong quân đội là các xe kéo bán moóc và rơ moóc. Các bán và rơ moóc là các trang bị khí tài pháo mặt đất, tên lửa phòng không, ra đa, pháo cao xạ cùng các thiết bị kèm theo.

Đặc điểm kết cấu chung các moóc khí tài:

+ Kích thước và trọng lượng lớn.

+ Sử dụng lốp có chiều ngang rộng và áp suất thấp.

Các moóc khí tài cơ bản trong quân đội:

1. Moóc khí tài tên lửa C-75M:

+ Moóc cabin thu phát ПB, điều khiển YB, tính toán AB (xe kéo KRAZ).

+ Moóc bệ phóng tên lửa CM-90 (xe kéo KRAZ).

+ Moóc chở Ăng-ten YB 1, 2, 3 (xe kéo ZIL-131).

+ Moóc trạm nguồn điện 5Э96 (xe kéo KRAZ), 5Э65 (xe kéo URAL).

+ Moóc xe chia điện (PKY) 63T6A (xe kéo KRAZ).

3. Moóc khí tài ra đa:

+ Moóc đài ra đa П-37 (xe kéo KRAZ).

+ Moóc đài ra đa П-16 (xe kéo KRAZ).

+ Moóc trạm nguồn AД-50 (xe kéo KRAZ).

4. Moóc khí tài pháo cao xạ:

+ Moóc pháo cao xạ 37 (xe kéo ZIL-131).

+ Moóc pháo cao xạ 57 (xe kéo ZIL-131).

Chương 2

PHÂN TÍCH KẾT CẤU HỆ THỐNG PHANH XE KÉO VÀ MOÓC KHÍ TÀI

2.1. Công dụng

Hệ thống phanh dùng để giảm tốc độ của ôtô cho đến khi dừng hẳn hoặc đến một tốc độ cần thiết nào đấy. Ngoài ra hệ thống phanh còn dùng để giữ ôtô đứng yên ở các dốc.

Đối với ôtô, hệ thống phanh là một trong những cụm quan trọng nhất, bởi vì nó đảm bảo cho ôtô chạy an toàn ở tốc độ cao, do đó có thể nâng cao được năng suất vận chuyển.

2.1. Yêu cầu đối với hệ thống phanh

2.1.1. Các yêu cầu chung đối với hệ thống phanh ôtô.

1. Quãng đường phanh ngắn nhất khi phanh đột ngột trong trường hợp nguy hiểm. Muốn có quãng đường phanh ngắn nhất thì phải bảo đảm gia tốc chậm dần cực đại.

2. Phanh êm dịu trong bất kỳ mọi trường hợp để đảm bảo sự ổn định của ôtô khi phanh.

3. Điều khiển nhẹ nhàng, nghĩa là lực tác dụng lên bàn đạp hay đòn điều khiển không lớn.

4. Cơ cấu phanh thoát nhiệt tốt.

5. Giữ được tỷ lệ thuận giữa lực trên bàn đạp hoặc đòn điều khiển với lực phanh trên bánh xe.

6. Có khả năng phanh xe đứng yên trong thời gian dài.

2.2.2 Các yêu cầu cụ thể đối với từng hệ thống phanh ôtô.

Yêu cầu đối với hệ thống phanh công tác:

+ Cần phải tác dụng ở tất cả các bánh xe của phương tiện cơ giới.

+ Điều khiển bằng chân.

+ Phải có hai mạch dẫn động làm việc độc lập (trừ rơ moóc có trọng lượng nhỏ hơn 10T), trong trường hợp một mạch bị hư hỏng thì hiệu quả phanh của một mạch còn lại không nhỏ hơn 30% so với tiêu chuẩn.

+ Các mạch dẫn động làm việc độc lập, ngoài nguồn năng lượng chung cần phải có nguồn năng lượng riêng của mình. Khi một mạch nào đó hư hỏng sẽ không phá vỡ sự cung cấp năng lượng cho mạch còn lại. Dự trữ năng lượng trong các bình chứa bảo đảm phanh hoàn toàn không ít hơn 5 lần.

Yêu cầu đối với hệ thống phanh dự trữ:

+ Bảo đảm dừng xe khi hệ thống phanh công tác bị sự cố. Tác dụng phanh của nó phải êm dịu.

+ Rơ moóc có thể không cần hệ thống phanh dự trữ.

+ Trên các phương tiện cơ giới nếu không có hệ thống phanh dự trữ thì có thể xem các mạch của hệ thống phanh công tác hoặc phanh dừng đóng vai trò hệ thống phanh dự trữ.

Yêu cầu đối với hệ thống phanh dừng:

+ Đảm bảo cố định xe trên dốc ngay cả khi không có mặt lái xe.

+ Điều khiển hệ thống phanh dừng tại vị trí lái xe và có liên động với phanh rơ moóc.

+ Nguồn năng lượng có thể sử dụng bất kỳ, tuy nhiên phải đảm bảo độ tin cậy thì nên sử dụng bằng phương pháp cơ khí.

2.2.3. Các yêu cầu đối với hệ thống tín hiệu và kiểm tra hệ thống phanh xe ôtô:

1. Khi một phần tử nào đó trong hệ thống có sự cố làm ảnh hưởng đến sự làm việc chung thì các thiết bị cần thông báo cho lái xe bằng tín hiệu quang màu đỏ hoặc tín hiệu âm thanh.

2. Thời gian phát tín hiệu không chậm hơn thời gian tác động lên cơ cấu điều khiển hệ thống phanh và dễ dàng phân biệt trong sử dụng.

3. Những hư hỏng thuộc hệ thống tín hiệu không làm mất mát đi hiệu quả của phanh.

6. Để đảm bảo quá trình sử dụng có thể kiểm tra tình trạng dẫn động khí nén, mỗi mạch dẫn động cần có các kết cấu cho phép lắp ghép các dụng cụ kiểm tra nhưng cần đảm bảo độ kín khít cho dẫn động phanh.

2.3. Cấu tạo chung hệ thống phanh ôtô

Ôtô trang bị hệ thống phanh bảo đảm chuyển động an toàn ở tốc độ cao, cho phép lái xe điều chỉnh được tốc độ chuyển động hoặc dừng xe trong tình huống nguy hiểm nhằm nâng cao năng suất vận chuyển.

 Để đảm bảo độ tin cậy của hệ thống phanh, trên ôtô hiện đại ngày nay bao gồm bốn hệ thống có kết cấu phức tạp nhưng khác nhau về chức năng và thường sử dụng chung các phần tử.

- Chức năng của từng hệ thống phanh cụ thể như sau:

+ Hệ thống phanh công tác: dùng để giảm tốc độ chuyển động của ôtô trong điều kiện chuyển động bình thường và để dừng xe.

+ Hệ thống phanh dự trữ: để giảm trực tiếp hoặc gián tiếp vận tốc chuyển động của ôtô hoặc dừng xe trong trường hợp hệ thống phanh công tác bị hỏng.

- Một hệ thống phanh luôn bao gồm:

+ Nguồn năng lượng: là tập hợp các thiết bị bảo đảm cung cấp năng lượng cho hệ thống để đảm bảo phanh xe. Nguồn năng lượng có thể lấy là máy nén khí hoặc có thể là lực cơ bắp của lái xe, độ chân không của động cơ đốt trong cho trợ lực chân không.

+ Dẫn động phanh: là tập hợp các thiết bị để truyền năng lượng từ nguồn tới cơ cấu phanh và điều khiển năng lượng này trong quá trình truyền với mục đích phanh xe với cường độ khác nhau.

2.4. Đặc điểm kết cấu hệ thống phanh xe kéo và moóc khí tài

2.4.1. Đặc điểm kết cấu dẫn động phanh

Kết cấu dẫn động phanh cần đảm bảo các yêu cầu sau:

+ Đảm bảo lực đẩy cần thiết tác động lên guốc phanh của tất cả các cơ cấu phanh và sự phân bố lực phanh cần thiết giữa các cầu.

+ Đảm bảo có tác động tùy động, nghĩa là đảm bảo sự tỷ lệ giữa lực tác dụng trên bàn đạp và mô men phanh tác dụng lên bánh xe.

1. Hệ thống phanh dẫn động khí nén

Sơ đồ cấu tạo hệ thống phanh khí nén điển hình thể hiện như trên hình 2.2. 

Nguyên lý làm việc của hệ thống phanh khí (hình 2.3) :

Máy nén khí 1 được dẫn động bằng động cơ sẽ bơm khí nén qua bình lắng nước và dầu 2 đến bình chứa khí nén 3. Áp suất của khí nén trong bình xác định theo áp kế 8 đặt trong buồng lái. Khi cần phanh người lái tác dụng vào bàn đạp 7, bàn đạp sẽ dẫn động đòn van phân phối 4, lúc đó khí nén sẽ từ bình chứa 3 qua van phân phối 4 đến các bầu phanh 5 và 6. Màng của bầu phanh sẽ bị ép và dẫn động cam phanh 9 quay, do đó các má phanh 10 được ép vào tang trống phanh 11 để tiến hành quá trình phanh.

Hệ thống phanh khí có ưu điểm là lực tác dụng lên bàn đạp rất bé. Vì vậy nó được trang bị cho ôtô vận tải có tải trọng lớn, có khả năng điều khiển hệ thống phanh rơ moóc bằng cách nối hệ thống phanh rơ moóc với hệ thống phanh của ôtô kéo. Dẫn động phanh bằng khí nén đảm bảo thời điểm phanh rơ moóc khác ôtô kéo, do đó phanh đoàn xe được ổn định, khi rơ moóc bị tách khỏi ôtô kéo thì rơ moóc sẽ bị phanh một cách tự động. Có khả năng cơ khí hóa quá trình điều khiển ôtô và sử dụng khí nén cho các bộ phận làm việc khác như hệ thống treo loại khí….

2. Hệ thống dẫn động phanh moóc kéo

Thường được thực hiện theo hai sơ đồ là loại một đường dẫn và hai đường dẫn.

- Cụ thể ta có sơ đồ dẫn động phanh rơ moóc một dòng như sau:

Trong hệ thống dẫn động một đường dẫn, giữa dẫn động phanh ôtô kéo và dẫn động phanh moóc được nối với nhau bằng một ống mềm vừa làm nhiệm vụ cung cấp khí nén cho moóc kéo khi không phanh, vừa điều khiển phanh. Tín hiệu phanh rơ moóc làm việc là sự giảm áp suất trong đường ống điều khiển đến áp suất khí trời. Tùy theo mức độ giảm áp suất này mà cường độ phanh rơ moóc tăng lên. Điều khiển áp suất khí nén để phanh ôtô và rơ moóc được tiến hành nhờ van phanh 2 tầng, 1 tầng van điều khiển để tăng áp suất trên đường ống trong dẫn động ôtô kéo, 1 tầng van còn lại điều khiển sự giảm áp trên đường ống dẫn động ra rơ moóc. 

3. Hệ thống phanh dẫn động thủy khí

Nguyên lý làm việc của hệ thống phanh thủy khí (hình 2.6) :

Máy nén khí 1 dẫn động bằng động cơ ôtô sẽ cung cấp khí nén qua bình lọc 2  đến bình chứa 3. Khi tác dụng lên bàn đạp 9 van sẽ mở để khí nén từ bình 3 đến xilanh lực, sinh lực ép trên pittông của xi lanh chính 4, dầu dưới áp lực cao sẽ truyền qua ống dẫn 5 đến các xilanh 6 do đó sẽ dẫn động đến các má phanh 7 và tiến hành quá trình phanh. 

Ưu điểm của dẫn động phanh thủy khí là nó phối hợp được tất cả các ưu điểm của phanh khí nén và phanh thủy lực, cụ thể là lực tác dụng lên bàn đạp nhỏ, độ nhạy cao, có hiệu suất lớn và có thể sử dụng cơ cấu phanh nhiều loại khác nhau.

Nhược điểm là không thể phanh trong thời gian dài vì áp suất dẫn động lớn (>10MPa) có thể dẫn đến dò dầu ở các mối ghép kín, ở nhiệt độ thấp hiệu suất giảm, chăm sóc kỹ thuật phức tạp như khi kiểm tra mức dầu và thoát không khí khỏi truyền động…

2.4.2. Đặc điểm kết cấu cơ cấu phanh

Trên các xe kéo và moóc khí tài quân sự sử dụng phổ biến cơ cấu phanh guốc  đặt trong tang phanh và bố trí tại tất cả các bánh xe.

Sơ đồ kết cấu các cơ cấu phanh loại guốc sử dụng phổ biến trên các xe và moóc kéo khí tài quân sự như sau:

Có 4 kiểu hay được sử dụng:

Các xe kéo và moóc khí tài trong quân đội, tùy theo kiểu dẫn động phanh và điều kiện phanh thường sử dụng chủ yếu hai loại cơ cấu phanh chính sau:

+ Cơ cấu phanh chốt tựa cùng phía và lực đẩy lên các guốc phanh bằng nhau.

+ Cơ cấu phanh có chốt tựa cùng phía và chuyển dịch các guốc bằng nhau.

1. Loại phanh guốc có chốt tựa cùng phía và lực đẩy lên guốc bằng nhau.

Đặc điểm của cơ cấu này là lực tác dụng lên guốc phanh bằng nhau P1=P2 do đường kính piston xilanh công tác như nhau. Nhưng mô men ma sát của guốc phanh trước lớn hơn guốc phanh sau. Do mô men ma sát ở trên guốc phanh trước (do phản lực tiếp tuyến Y1 gây ra) có xu hướng cường hoá cho lực dẫn động, còn mô men ma sát ở guốc phanh sau (do phản lực tiếp tuyến Y2 gây ra) có xu hướng chống lại lực dẫn động.

2. Cơ cấu phanh chốt tựa cùng phía và chuyển dịch các guốc bằng nhau.

Thường được sử dụng phổ biến trên các xe ôtô loại lớn và dẫn động bằng khí nén.

Sơ đồ nguyên lý cấu tạo cơ cấu phanh có chốt tựa cùng phía và chuyển dịch các guốc bằng nhau:

Đặc điểm của cơ cấu phanh theo sơ đồ này là thường áp dụng cho hệ thống phanh khí nén với cơ cấu doãng má phanh sử dụng cam phanh đối xứng. Khi cam quay thì chuyển dịch của hai guốc về hai phía là như nhau, do vậy mà đảm bảo giá trị của phản lực tiếp tuyến và lực ma sát như nhau đối với cả guốc trước và guốc sau, vì thế cơ cấu phanh được cân bằng. Lực đẩy từ cam phanh tác dụng lên guốc được nhận là khác nhau: P1>P2.

Tổng lực đẩy từ cam lên guốc trước và guốc sau là: P1 + P2 = 2.M/n

Tuy nhiên ở cam phanh ác-xi-mét điểm đặt lực không ổn định khi làm việc dẫn đến cam nhanh mòn hơn. Ví dụ: ở bánh xe cầu trước xe ZIL-130 và ZIL-131 dùng cam thân khai, còn ở cầu sau sử dụng biên dạng cam ác-xi-mét. Đối với xe có trọng tải lớn, đòi hỏi mô men phanh lớn, người ta làm các cam quay có biên dạng là đường ác-xi-mét (MAZ-500) ở cả cầu trước và cầu sau.

2.4.3. Đặc điểm kết cấu một số hệ thống phanh đặc trưng của xe kéo và moóc khí tài

1. Hệ thống phanh rơ moóc trạm nguồn 5Э96, xe chia điện PKY

Trên rơ moóc trạm nguồn 5Э96, xe chia điện PKY được trang bị hai hệ thống phanh độc lập: hệ thống phanh công tác và hệ thống phanh dừng. Dẫn động phanh rơ moóc là dẫn động khí nén loại một đường dẫn. Hệ thống phanh công tác với dẫn động thủy khí. Hệ thống phanh dừng có dẫn động thủy lực, lực phanh được tạo bởi cơ cấu quay tay cơ khí tác động lên xy lanh chính thủy lực của hệ thống phanh công tác.

2. Hệ thống phanh xe kéo ZIL-131

Trên xe ZIL-131 được trang bị hai hệ thống phanh độc lập: hệ thống phanh công tác và hệ thống phanh dừng.

Sơ đồ nguyên lý kết cấu hệ thống phanh công tác trên xe ZIL-131 được thể hiện trên hình 2.13.

Hệ thống phanh công tác có dẫn động khí nén với một mạch dẫn động. Cơ cấu điều khiển phanh công tác và của rơ moóc được bố trí trong một cụm là van phanh hai tầng loại kết hợp, dạng pít-tông. Với kết cấu như vậy cho phép điều chỉnh thời điểm phanh rơ moóc so với thời điểm phanh xe kéo.

Bộ điều chỉnh áp suất cho phép duy trì áp suất khí nén của hệ thống không thay đổi trong giới hạn (0,73÷0,77MPa) và giảm tải cho máy nén khí khi đạt áp suất giới hạn. Hệ thống phanh dừng dẫn động cơ khí, có liên hệ cơ khí với dẫn động phanh rơ moóc (thông qua lẫy liên động trên tổng van phanh hai tầng). Dẫn động phanh rơ moóc là loại dẫn động khí nén một đường dẫn.

3. Hệ thống phanh xe kéo URAL-375D

Hệ thống phanh được trang bị trên xe kéo URAL-375D là hệ thống phanh có dẫn động thủy khí và phần thủy lực được chia làm hai mạch độc lập khác với ở xe kéo ZIL-131.

Sơ đồ nguyên lý kết cấu hệ thống phanh công tác trên xe URAL-375D được thể hiện trên hình 2.14.

Cũng như xe ZIL-131 trên xe URAL-375D được trang bị hai hệ thống phanh độc lập: hệ thống phanh công tác và hệ thống phanh dừng.

Hệ thống phanh công tác trên xe có dẫn động thủy khí, phần khí nén và thủy lực nối tiếp nhau. Phần khí nén là phần điều khiển còn phần thủy lực là phần chấp hành.

5. Hệ thống phanh xe kéo KRAZ-255B, KRAZ-260.

Kết cấu của hệ thống phanh trên xe KRAZ-255B và KRAZ-260 cơ bản giống nhau, bao gồm bốn hệ thống phanh: hệ thống phanh công tác, phanh dừng, phanh dự trữ và phanh phụ.

Hệ thống phanh phụ và phanh rơ moóc có dẫn động bằng khí nén, sử dụng chung nguồn năng lượng và độc lập với hệ thống phanh công tác.

Sơ đồ nguyên lý kết cấu hệ thống phanh công tác trên xe KRAZ-255B được thể hiện trên hình 2.16.

Trên xe có trang bị hai loại dẫn động moóc kéo: loại một và hai đường dẫn động, điều đó cho phép sử dụng xe kéo cho các loại moóc khác nhau. Điều khiển phanh rơ moóc thực hiện bởi tín hiệu phanh ở cả hai mạch phanh công tác và van phanh tay rơ moóc. Như vậy dù một trong hai mạch phanh chính hư hỏng thì vẫn đảm bảo thực hiện phanh rơ moóc. Van phanh tay rơ moóc trên xe KRAZ-255B là kiểu tác dụng ngược.

1. Kết cấu hệ thống phanh các xe kéo và moóc kéo trong quân đội.

+ Dẫn động phanh công tác của xe và moóc gồm hai loại dẫn động chính: dẫn động thủy khí và dẫn động khí nén. Dẫn động phanh rơ moóc sử dụng hai loại sơ đồ: loại một đường dẫn và loại hai đường dẫn. Các xe và khí tài cũ phổ biến sơ đồ dẫn động phanh khí nén một đường dẫn. Hệ thống phanh tay có dẫn động cơ khí.

+ Cơ cấu phanh là cơ cấu phanh guốc, được bố trí trên tất cả các bánh xe. Hai loại cơ cấu phanh được sử dụng chủ yếu là cơ cấu phanh có chốt tựa cùng phía, lực đẩy lên các guốc là như nhau và cơ cấu phanh có chốt tựa cùng phía, dịch chuyển của các guốc như nhau. Tùy theo kiểu dẫn động thủy khí hay khí nén mà sử dụng cơ cấu phanh tương ứng.

2. Thực tế trong khai thác sử dụng:

+ Chất lượng xe kéo và moóc khí tài bị hư hỏng hệ thống phanh moóc còn nhiều, dẫn đến một số tai nạn nghiêm trọng không đáng có xảy ra do hệ thống phanh rơ moóc không hoạt động.

+ Công tác kiểm định: xe kéo và moóc khí tài chưa tiến hành kiểm định hệ thống phanh moóc.

3. Yêu cầu thực tiễn:

Nghiên cứu đánh giá ảnh hưởng của các yếu tố đến chất lượng hiệu quả phanh các xe kéo khí tài là một điều cần thiết trong khai thác sử dụng. Cụ thể cần xem xét các tham số cần thay đổi trong thực tế sử dụng ảnh hưởng trực tiếp đến chất lượng phanh như: Khối lượng tải, chiều cao trọng tâm, áp suất dẫn động phanh, hệ số bám của đường, thứ tự phanh các khâu trong đoàn xe. Từ đó đưa ra kết luận chính xác, kiến nghị các giải pháp trong khai thác cũng như cải tiến kết cấu hệ thống phanh xe và moóc kéo.

Chương 3 

ĐÁNH GIÁ CHẤT LƯỢNG ĐỘNG LỰC HỌC PHANH XE KÉO KHÍ TÀI

3.1. Các chỉ tiêu đánh giá hiệu quả phanh

2.1.1. Gia tốc chậm dần khi phanh

Đây là chỉ tiêu quan trọng để đánh giá hiệu quả phanh ôtô. Khi phân tích các lực tác dụng lên ôtô có thể viết phương trình cân bằng lực kéo khi phanh ôtô như sau:

Pj = Pp +Pf + Pw + Pn+-Pi                                                           (3.1)

Thực nghiệm chứng tỏ Pf, Pw, P rất bé so với lực phanh P. Khi phanh trên đường nằm ngang (Pi = 0) thì lực phanh PP chiếm khoảng 98% tổng các lực có xu hướng cản sự chuyển động của ôtô, ta có phương trình sau:

Pj = Pp                                                                 (3.2)

Lực phanh lớn nhất được xác định theo điều kiện bám khi các bánh xe bị phanh hoàn toàn và đồng thời theo biểu thức:

Ppmax = Po= G                                    (3.3)

Để tăng gia tốc chậm dần khi phanh cần giảm hệ số. Vì vậy khi phanh đột ngột lái xe cần ngắt ly hợp để tách động cơ đang làm việc ra khỏi hệ thống truyền lực, lúc đó giá trị giảm, JPmax sẽ tăng.

JPmax phụ thuộc vào hệ số bám o giữa lốp với mặt đường. Giá trị hệ số bám lớn nhất trên đường nhựa tốt. Nếu gia tốc trọng trường g = 10m/s2 thì gia tốc chậm dần cực đại khi phanh trên đường nhựa tốt, khô, nằm ngang có thể đạt trị số: Jmax = 7,5 - 8,0 m/s2

Trong quá trình phanh chậm dần, ôtô đạt gia tốc phanh chậm dần thấp hơn nhiều. Phanh đột ngột chỉ xảy ra trong những tình huống nguy hiểm.

3.1.2. Thời gian phanh

Thời gian phanh cũng là một trong các chỉ tiêu đánh giá hiệu quả phanh cũng như chất lượng quá trình phanh. Thời gian phanh càng nhỏ thì chất lượng phanh càng cao.

Ta thấy thời gian phanh nhỏ nhất không phụ thuộc vào trọng lượng xe mà phụ thuộc vào vận tốc bắt đầu phanh ôtô v1, phụ thuộc vào hệ số khối lượng quay o và phụ thuộc vào hệ số bám e giữa bánh xe với mặt đường. Để giảm thời gian phanh, người lái nên cắt ly hợp khi phanh.

Ta thấy thời gian phanh nhỏ nhất không phụ thuộc vào trọng lượng xe mà phụ thuộc vào vận tốc bắt đầu phanh ôtô v1, phụ thuộc vào hệ số khối lượng quay và phụ thuộc vào hệ số bám giữa bánh xe với mặt đường. Để giảm thời gian phanh, người lái nên cắt ly hợp khi phanh.

3.1.3. Quãng đường phanh

3.1.3.1. Quãng đường phanh lý thuyết

Quãng đường phanh là chỉ tiêu quan trọng nhất để đánh giá chất lượng quá trình phanh của ôtô. Chỉ tiêu này mang tính trực quan giúp lái xe xử lý tốt khi phanh trên đường.

Quãng đường phanh xác định bằng cách tích phân dS trong giới hạn vận tốc từ thời điểm ứng với vận tốc bắt đầu phanh v1 tới thời điểm vận tốc cuối quá trình phanh v2. Nếu phanh xe đến khi dừng hẳn thì v2 = 0, ta có thời gian phanh nhỏ nhất SPmin

Như vậy quãng đường phanh nhỏ nhất phụ thuộc vào vận tốc chuyển động của ôtô lúc bắt đầu phanh v1, phụ thuộc vào hệ số ảnh hưởng của khối lượng quay o và phụ thuộc vào hệ số bám e giữa bánh xe với mặt đường. Để giảm quãng đường phanh cần giảm hệ số e, nên người lái cần phải cắt ly hợp trước rồi mới phanh.

Các công thức (3.5), (3.8), (3.12) về mặt lý thuyết không phụ thuộc vào trọng lượng toàn bộ G của ôtô, nhưng phụ thuộc vào hệ số bám e, mà hệ số o phụ thuộc vào tải trọng G của ôtô.

3.1.3.2. Quãng đường phanh thực tế

Các công thức (3.5), (3.8), (3.12) xác định gia tốc chậm dần, thời gian phanh và quãng đường phanh đều mang tính lý thuyết, tức là trong điều kiện lý tưởng, áp suất chất lỏng (khí nén) có giá trị cực đại ngay tại thời điểm bắt đầu phanh và thời gian phản ứng của lái xe không được kể đến. Thời gian phanh không phải được tính từ khi phanh bắt đầu có hiệu quả mà phải tính từ khi người lái nhận được tín hiệu để phanh.

Để xác định quãng đường phanh thực tế, cần nghiên cứu quá trình phanh qua các đồ thị thực nghiệm thể hiện quan hệ giữa lực phanh PP sinh ra ở bánh xe (hoặc mômen phanh MP) với thời gian t. Đồ thị này được gọi là giản đồ phanh.

Khi ôtô đã dừng hoàn toàn thì thời gian phanh t5 không ảnh hưởng đến quãng đường phanh nhỏ nhất. Như vậy thời gian phanh thực tế tổng cộng kể từ lúc có tín hiệu phanh đến khi phanh dừng hẳn sẽ là:     

p­=t­ + t­2 + t­3 + t­4                                          (3.13)

Từ giản đồ phanh cho thấy ở thời gian t1 + t2, lực phanh và gia tốc chậm dần bằng không. Lực phanh và gia tốc bắt đầu tăng lên từ thời điểm A là điểm khởi đầu của thời gian t, cuối thời gian t3 lực phanh và gia tốc chậm dần đạt giá trị cực đại và giữ không đổi trong suốt thời gian t4. Cuối thời gian t4, gia tốc chậm dần và lực phanh bắt đầu giảm. Hết thời gian t5, lực phanh bằng không. Gia tốc chậm dần trong thời gian t4 được gọi là gia tốc chậm dần ổn định.

Giản đồ phanh trên đây đã được đơn giản hóa, còn giản đồ phanh lấy từ thực nghiệm có dạng đường gợn sóng nhấp nhô.

Nếu kể đến thời gian phản xạ của người lái và thời gian chậm tác dụng của dẫn động phanh thì quãng đường phanh thực tế được xác định như sau:

SP = S1 + S2 + S3 + S4                                 (3.14)

Ta có:

PPmax là lực phanh ôtô trên đoạn đường S4, [N];   

v4 vận tốc ban đầu của ôtô trên đoạn đường S4, [m/s] .

Khi phanh cấp tốc đến giới hạn hãm cứng bánh xe các cầu thì: JPmax = g.j

Trong quá trình sử dụng, do má phanh bị mòn và do điều chỉnh không đúng sẽ làm cho quãng đường phanh lớn hơn rất nhiều và gia tốc phanh chậm dần giảm đi 10 - 15% so với khi phanh còn mới và điều chỉnh đúng.

3.1.4. Lực phanh và lực phanh riêng

Lực phanh và lực phanh riêng cũng là chỉ tiêu để đánh giá hiệu quả phanh. Chỉ tiêu này chỉ được dùng thuận lợi nhất khi thử phanh ôtô trên bệ thử. 

Ta có:

MP là mômen phanh của các cơ cấu phanh;

rK là bán kính tính toán của bánh xe.

Lực phanh riêng cực đại có giá trị bằng hệ số bám. Như vậy, về mặt lý thuyết, lực phanh riêng cực đại có thể đạt được giá trị 75 - 80% trên mặt đường nhựa khô nằm ngang. Nhưng thực tế, giá trị đạt được chỉ trong khoảng 45 - 65%.

Cả bốn chỉ tiêu trên đều có giá trị ngang nhau, nghĩa là khi đánh giá chất lượng phanh chỉ cần dùng một trong bốn chỉ tiêu đó.

Tại Việt Nam hiện nay, tiêu chuẩn về hiệu quả phanh cho phép ôtô lưu hành trên đường được quy định tại tiêu chuẩn 22 TCN 224 - 2001: “Tiêu chuẩn an toàn kỹ thuật và bảo vệ môi trường của phương tiện cơ giới đường bộ” do Bộ trưởng Bộ Giao thông vận tải Việt Nam ban hành ngày 05/12/2001. 

Tiêu chuẩn này quy định thử xe ở chế độ không tải, trên mặt đường bê tông nhựa hoặc bê tông xi măng bằng phẳng và khô, được đánh giá bằng một trong hai chỉ tiêu: SP hoặc JPmax, hệ số bám không nhỏ hơn 0,6. Vận tốc bắt đầu phanh là 30[Km/h] (8,33[m/s]).

Tiêu chuẩn kiểm tra hiệu quả phanh công tác định kỳ trên đường ở Việt nam Bảng 3.1.

3.2. Thiết lập mô hình tính toán xác định các thông số đánh giá hiệu quả phanh

3.2.1. Xây dựng mô hình tính toán

1. Mục đích:

Xây dựng mô hình tính toán xác định các thông số đánh giá chất lượng động lực phanh cơ sở đảm bảo yêu cầu về hiệu quả, khả năng làm việc của hệ thống phanh.

2. Nội dung tính toán:

- Xác định mô men phanh cần sinh ra theo điều kiện bám cho xe cụ thể.

- Xác định mô men phanh do cơ cấu phanh sinh ra.

-  Xác định lực phanh đơn vị.

- Xác định gia tốc phanh thực tế.

4. Giả thiết:

- Xe hoạt động trên đường bằng phẳng.

- Bỏ qua ảnh hưởng của lực cản không khí và lực cản lăn.

- Tọa độ trọng tâm của xe không thay đổi trong quá trình phanh.

- Giữa xe và moóc không chuyển dịch tương đối trong mặt phẳng dọc.

- Hệ số bám giữa bánh xe và mặt đường tại các bánh xe là như nhau và không đổi.

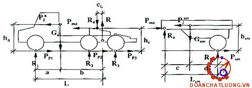
5. Sơ đồ lực tác dụng lên ôtô đoàn chuyển động khi phanh trong mặt phẳng ngang.

Mô hình tính toán với xe kéo moóc:

- Mô hình tính toán với xe kéo sơ mi rơ moóc:

3.2.2. Cơ sở thuật toán.

Khi phanh đoàn xe chịu tác dụng các lực quán tính của xe P­j­a và của moóc P­jm vậy lực quán tính của cả đoàn xe là:

j∑ = P­j­a ­ +  P­jm = δ.K.(G­a­ + G­m­)                                 (3.25)

Trong đó:

K - hệ số phanh; K = J­/g

- gia tốc phanh chậm dần của đoàn xe.

g - gia tốc trọng trường.

δ - hệ số ảnh hưởng của các khối lượng quay của cả đoàn xe.

­ - trọng lượng xe kéo.

G­m­ - trọng­ lượng moóc kéo.

Khi khảo sát động lực học của đoàn xe khi phanh cần phải đánh giá khả năng sử dụng trọng lượng bám của đoàn xe khi phanh tương ứng ở các cầu.

Căn cứ theo mô hình tính toán, xác định phản lực pháp tuyến từ đường tác dụng lên các bánh xe của đoàn xe.

Mô hình tính toán xe kéo moóc, xét cân bằng các khâu của đoàn xe:

- Xét cân bằng của đoàn xe ta có:

j∑­ – P­pm­ – P­pa­ = 0                                                                (3.26)

- Xét cân bằng của xe kéo (với δ = 1) ta có:

+ R = G­a                                                                          ­         

= R­3 ­= R/2                                                                       

.L – P­mk­.h­c­ – K.G­.h­ – G­a­.b ­­ = 0

P­mk­ + K.G­a­ – P­pa­ = 0                                             (3.27)

- Xét cân bằng của moóc kéo ta có:

+ R­ = G­

R­4­.L­ + P­mk­.h­ – K.G­m­.h­m – G­m­.d = 0­

mk­ – K.G­m ­ + P­pm­ = 0                                           (3.28)

Từ (3.27), (3.28) ta có lực tác dụng lên moóc kéo là:

P­mk­ = P­pa­ - K.G­a­

mk­ = K.G­m ­ - P­pm­                                                                                   (3.29)

Giá trị χ thay đổi từ 0 đến 1. Nếu P­pm­ = 0 thì χ = 0 và χ = 1 khi P­pa­ = 0.

Từ (3.25), (3.29), (3.30) ta có biểu thức xác định P­mk­­ như sau:

P­mk­ = K.G­m­ – (G­+ G­a­).K.χ = K.G­m­.(1 – χ/m)                           (3.31)

Hay: P­mk­ = (G­+ G­a­).K.(χ – 1) – K.G­a­ = K.G­a­.                      (3.32)

Biểu thức (3.31) chỉ ra rằng có thể xảy ra sự tương tác giữa xe kéo và moóc tại vị trí liên kết, nghĩa là có xảy ra hiện tượng kéo hoặc nén tùy thuộc vào trị số của m và χ. Khi xảy ra hiện tượng nén gây mất ổn định theo phương dọc của đoàn xe.

Mô hình tính toán với xe kéo sơ mi rơ moóc, xét cân bằng các khâu của đoàn xe:

- Xét cân bằng của xe kéo ta có:

+ R = G­ + R­4­                                                                        ­         

= R­3 ­= R/2                                                         

.L – P­mk­.h­c­ – K.G­.h­ – G­a­.b – R­4­.c­L­ ­­ = 0                     (3.37)

P­mk­ + K.G­a­ – P­pa­ = 0

- Xét cân bằng của sơ mi rơ moóc ta có:

+ R­ = G­sm­

R­4­.L­sm­ + P­mx­.h­ – K.G­sm­.h­sm – G­sm­.d = 0                       (3.38)

mx – K.G­sm ­ + P­psm­ = 0

Ta có biểu thức xác định P­mx­ như sau:

P­mx = K.G­sm­ – (G­sm­ + G­a­).K.χ = K.G­sm­.(1 – χ/m)               (3.40)

Hay: P­mx­ = (G­sm + G­a­).K.(χ – 1) – K.G­a­ = K.G­a­                (3.41)

Ta thấy rằng phản lực pháp tuyến không những phụ thuộc vào gia tốc phanh chậm dần mà còn phụ thuộc vào tỷ lệ các lực phanh trên các bánh xe của xe kéo và moóc. Để xác định R­i­ cần biết các giá trị gia tốc chậm dần J­pi­ và χ.

Đối với đoàn xe, gia tốc tính toán là 6 m/s2 với mỗi giá trị J­p­ được các giá trị χ tương ứng theo tổng lực phanh.

Tùy theo sự phân bố lực phanh của xe kéo và sơ mi mà ta có ba khoảng thay đổi tổng lực phanh như sau:

0 < P­pa­ + P­pm­  ≤ R­5­.φ

R­5­.φ < P­pa­ + P­pm­  ≤ (G­ + R­4­).φ                                       (3.46)

(G­ + R­4­).φ < P­pa­ + P­pm­  ≤ (G­ + R­m).φ

Xét cân bằng theo phương ngang ta có: P­t­ = P­pa­ + P­pm­ = J­p­.(M­ + M­)

1. Xác định mô men phanh cần sinh ra theo điều kiện bám cho xe

Mô men phanh cần sinh ra ở các cơ cấu phanh của ôtô phải đảm bảo giảm tốc độ hoặc dừng ôtô hoàn toàn với gia tốc chậm dần trong giới hạn cho phép. Đối với ôtô lực phanh cực đại có thể tác dụng lên bánh xe ở các cầu sẽ bằng trị số lực bám ở bánh xe. Khi phanh đoàn xe, tải trọng phân bố lên các cầu xe thay đổi phụ thuộc vào gia tốc phanh chậm dần và tỷ lệ lực phanh ở các bánh xe của xe kéo và moóc χ. Đối với ôtô lực phanh cực đại có thể tác dụng lên bánh xe ở các cầu sẽ bằng trị số lực bám ở các bánh xe tương ứng.

φi­ = R­i­.φ/2                                                  (3.49)

Trong đó:

i­ - phản lực pháp tuyến ở bánh thứ i.

Được xác định theo các công thức (3.33) đến (3.36) khi tính xe kéo moóc, từ (3.42) đến (3.45) khi tính xe kéo sơ mi rơ moóc.

Mô men phanh cần sinh ra ở mỗi cơ cấu phanh tương ứng tại các cầu xe sẽ được tính là:

φi­­ = P­φi­.r­ki­ = R­i­.φ.r­ki ­/2                                 (3.50)

2. Xác định mô men phanh do các cơ cấu phanh bánh xe sinh ra

Các giả thiết khi tính toán cơ cấu phanh:

- Tang phanh và guốc phanh tuyệt đối cứng.

- Các tấm ma sát tiếp xúc lý tưởng với bề mặt tang phanh.

- Biến dạng của các tấm ma sát tuân theo định luật Húc.

Công thức áp dụng cho cơ cấu phanh có lực đẩy lên hai guốc như nhau ở dẫn động thủy khí trên các xe YPAЛ – 375, YPAЛ – 4320 và các moóc trạm nguồn 5Э96 và các xe điện PKY. Đối với cơ cấu phanh có cơ cấu doãng má phanh dùng cam phanh như trên xe ZIL-131, KRAZ-255… 

Theo N.A.BUCHARIN, sơ đồ tính toán cơ cấu phanh thể hiện trên hình 3.8. Nếu giả thiết áp suất phân bố đều trên bề mặt má phanh thì ta có hợp lực pháp tuyến tác dụng từ tang phanh lên tấm ma sát đặt giữa cung tấm ma sát và bằng:

Y = p.β.r­t­.b                                            (3.55)

Áp suất khí nén khi tính toán lấy bằng 6,5 kG/cm­­2 đối với xe kéo, đối với bán moóc và moóc là 4,5 kG/cm2.

Lực do bầu phanh sinh ra sẽ tỷ lệ với áp suất khí nén được đưa đến bầu phanh và ngoài ra còn phụ thuộc vào hành trình cần bầu phanh, nghĩa là phụ thuộc vào sự biến dạng của màng.

Sự phụ thuộc này là phi tuyến và khi hành trình cần lớn thì lực do bầu phanh sinh ra giảm mạnh.

4. Xác định gia tốc phanh thực tế

Sau khi xác định được mô men phanh do từng cơ cấu phanh sinh ra, ta xác định gia tốc phanh có thể nhận được trong quá trình phanh.

Ta có:

Mpm - mô men phanh của moóc.

G = G­ + G­: trọng lượng toàn bộ đoàn xe.

R­ka­ - bán kính tính toán của bánh xe kéo.

km­ - bán kính tính toán của bánh xe moóc.

g - gia tốc trọng trường.

3.2.3. Sơ đồ thuật toán tính toán ĐLH phanh đoàn xe

3.3. Chương trình và kết quả tính toán.

3.3.1. Thông số đầu vào.

Trên cơ sở mô hình tính toán và thuật toán, tiến hành xây dựng chương trình tính toán động lực phanh đối với các xe kéo khí tài. Chương trình tính toán ứng dụng phần mềm matlab.

1. Các xe kéo và moóc khí tài được chọn để tính toán là:

Xe ZIL-131B kéo sơ mi rơ moóc: ПP-11Б.

2. Thông số đầu vào cho chương trình tính toán hiệu quả phanh đoàn xe bao gồm:

- Bảng 3.2 là khối lượng phân bố trên các cầu của đoàn xe.

- Các bảng 3.3 và 3.4 là các thông số kích thước và động học của xe kéo và moóc khí tài.

3.3.2. Kết quả tính toán

Căn cứ theo thuật toán, áp dụng phần mềm MatLab để lập chương trình tính toán. Kết quả được thể hiện dưới dạng bảng và đồ thị. Để phân tích ảnh hưởng của các yếu tố đến chất lượng phanh trong phần này em tính toán cho một mô hình đặc trương là phanh xe ZIL-131B kéo moóc ПP-11Б với các điều kiện trong thực tế sử dụng.

Nhận xét đánh giá kết quả:

Để khảo sát động lực học phanh của đoàn xe cần phải đánh giá khả năng sử dụng trọng lượng bám của đoàn xe tương ứng ở các cầu. Căn cứ vào kết quả tính toán ta thấy các tham số kết cấu và khai thác sử dụng, ảnh hưởng rất nhiều đến chất lượng hiệu quả phanh.

Theo kết quả tính toán và đồ thị, xác định mức độ sử dụng trọng lượng bám cho các trường hợp cụ thể trong thưc tế ta nhận thấy khi phanh đoàn xe:

- Cầu sau của xe kéo bị trượt lết (M­φ­ < M­p­), cầu trước và cầu sau của sơ mi không sử dụng hết trọng lượng bám làm giảm hiệu quả phanh đoàn xe.

- Khi hiệu chỉnh phanh sơ mi trước phanh xe kéo (χ tăng) gia tốc phanh tăng lên và lực nén trên moóc kéo giảm xuống rất nhiều.

Kết quả tính toán các trường hợp khác nhau trong thực tế sử dụng ta có một số đánh giá sau:

+ Khi giảm hoặc mất áp suất phanh moóc thì hiệu quả phanh moóc giảm, nhất là trong trường hợp moóc đầy tải.

+ Việc điều chỉnh sớm phanh moóc làm tăng hệ số sử dụng bám trên các cầu xe, giảm sự trượt lết của cầu sau xe kéo.

Qua đó để tăng chất lượng trong khai thác và sử dụng, về phía người khai thác phương tiện cần chú ý việc hiệu chỉnh thời điểm phanh moóc trong quá trình sử dụng với các trường hợp kéo tải nặng, lên xuống dốc…. Ngoài ra việc kiểm tra hiệu chỉnh áp suất dẫn động phanh moóc phải được chú ý.

Chương 4

HƯỚNG DẪN KHAI THÁC VÀ SỬ DỤNG HỆ THỐNG PHANH ÔTÔ

4.1. Hướng dẫn sử dụng

4.1.1. Khi xe chưa nổ máy cần kiểm tra

Kiểm tra toàn bộ bên ngoài xe theo một vòng tròn khép kín từ ca bin xe bên trái, vòng quanh xe, kiểm tra độ kín khít của phần dẫn động thuỷ lực xem có sự rò chảy dầu ở các đầu nối và các xi lanh không.

4.1.2. Khi xe đang hoạt động trên đường

Cần chú ý chỉ số báo trên đồng hồ áp suất hơi. Nếu có hiện tượng sụt áp trên đồng hồ phải dừng xe ngay lại để kiểm tra và xử lý. Nếu phanh bị dính dầu, nước trong quá trình sử dụng phải rà phanh để đảm bảo độ làm việc tin cậy của hệ thống. Trên bảng đồng hồ có 2 đèn báo hệ thống phanh hư hỏng, nếu 1 trong 2 đèn sáng phải tiến hành kiểm tra ngay.

Chú ý khi sử dụng:

- Tránh phanh đột ngột làm lết bánh xe gây mòn lốp và làm giảm hiệu quả phanh.

- Khi xe xuống dốc, nhất là dốc dài tuyệt đối không được tắt máy thả trôi xe, trường hợp động cơ ôtô bị hỏng nhất thiết phải kéo bằng dây cáp cứng.

4.2. Công tác bảo dưỡng kỹ thuật hàng ngày

 Việc tiến hành công tác bảo dưỡng kỹ thuật hàng ngày có vai trò quan trọng trong việc duy trì trạng thái kỹ thuật tốt của hệ thống phanh. Nhằm phát hiện sớm những hư hỏng, đề ra kế hoạch bảo dưỡng định kỳ ngắn hạn và dài hạn hợp lý trong quá trình sử dụng.

Công tác bảo dưỡng kỹ thuật hàng ngày bao gồm các công việc sau:

+ Kiểm tra trạng thái làm việc của các ống mềm liên kết giữa hệ thống phanh trên xe chính với phần rơmoóc, độ kín khít của đường dẫn: 

 Xem xét các ống mềm của hệ thống phanh để không bị xoắn và chạm vào các chi tiết có cạnh sắc nhọn. Để khắc phục những chỗ hở trên đầu nối, cần phải thay những đầu hỏng hoặc vòng bít kín của chúng.

+ Kiểm tra độ kín khít của truyền động khí nén: Khi kiểm tra độ kín, áp suất trong truyền động không được dưới 0,65 MPa (6,5 (kG/cm2)) và tắt hết các thiết bị sử dụng khí nén cũng như máy nén khí.

+ Điều chỉnh khe hở giữa guốc và trống phanh:

Kiểm tra bằng thước lá qua một cửa sổ trên tấm chắn. Sau khi đã điều chỉnh hành trình cần đẩy các bầu phanh, thì khe hở giữa trống phanh và các guốc có thể là: ở chỗ cam nhả là 0,4 mm, ở trục các guốc là 0,2 mm.

+ Kiểm tra hành trình thanh nối (pittông) của xi lanh cơ cấu:

Để đáp ứng khe hở bình thường giữa guốc phanh và trống phanh của cơ cấu phanh, hành trình thanh nối phải bằng 35 - 50 (mm).

+ Kiểm tra hệ thống phanh chính: Thao tác này cần phải được thực hiện sau khi điều chỉnh hành trình thanh nối của xi lanh.

Nổ máy và nạp khí vào hệ thống ít nhất đến áp suất 0,65 MPa

Cho ôtô chạy đến tốc độ 15 - 20 (km/h) và từ từ ấn phanh lên bàn đạp, các cơ cấu phanh phải đảm bảo phanh êm các bánh xe để tránh tình trạng xe bị trượt.

+ Rửa bộ làm mát và khử ẩm: Không tháo bộ khử ẩm ra khỏi ôtô mà chỉ tháo nắp 11 trên hình vẽ bộ làm mát và khử ẩm, rút thiết bị lọc, vành chặn 5, nới vít 4 và tháo bộ phận dẫn hướng 3.

 Rửa bộ phận dẫn hướng và thiết bị lọc cũng như chỗ nào có thể rửa được ở bề mặt bên trong của bộ khử ẩm. Hong khô các chi tiết và lắp bộ khử ẩm lại. Dùng bàn chải hay chổi lông quét sạch không khí bẩn bám lên thiết bị làm mát của bộ khử ẩm.

 Ở Việt Nam có khí hậu là nhiệt đới gió mùa, nhiệt độ không khí gần như không bao giờ xuống dưới 5­C vì vậy gần như không sử dụng bộ phận chống đóng băng.

+ Kiểm tra hành trình thanh nối xi lanh cơ cấu phanh của hệ thống phanh tay: Hành trình của thanh nối có thể xác định theo chỉ số: Ôtô nhả phanh, mũi của chốt phải nằm đối diện với đường độ có ghi số “0”, còn trong trường hợp cài phanh - đối diện “1”. 

+ Điều chỉnh hành trình thanh nối xi lanh cơ cấu phanh của hệ thống phanh tay:

Trước hết nhả phanh ôtô. Nới trục vít tay đòn điều chỉnh. Quay trục vít cho đến khi nào guốc phanh chạm đến tang phanh, sau đó quay trục vít ngược trở lại 1/2 - 2/3 (vòng) hay 3 - 4 (mặt).

Chốt trục vít bằng tấm hãm hoặc bulông.

+ Kiểm tra khả năng hoạt động của hệ thống dẫn động phanh khí nén:

Nhằm xác định các thông số đầu ra của áp suất không khí tại các dòng nhờ vào việc dùng các áp kế nối với các đầu nối kiểm tra ở mỗi dòng. Có thể sử dụng các áp kế hai kim và khối đèn kiểm tra của hệ thống phanh đã được trang bị sẵn ở trên xe.

Trước khi kiểm tra cần phải khắc phục hiện tượng rò khí trong hệ thống khí nén. Việc kiểm tra áp suất tại các dòng được xác định theo trình tự như sau:

* Tiếp không khí vào hệ thống khí nén cho đến khi bộ điều chỉnh áp suất bắt đầu làm việc. Lúc này áp suất ở trên tất cả các đường dẫn phải đạt được giá trị áp suất tiêu chuẩn. Các đèn kiểm tra trên bảng đồng hồ phải tắt và đồng thời tín hiệu âm thanh (con ve) cũng ngừng hoạt động.

* Ấn hết cỡ bàn đạp của hệ thống phanh công tác, áp suất theo chỉ số của các áp kế hai kim phải giảm xuống đột ngột không quá 0,5 kG/cm2. Đồng thời kiểm tra áp suất ở các đầu ra kiểm tra của toàn bộ hệ thống so sánh chúng với các giá trị cần phải đạt đựơc tra theo sách hướng dẫn.

4.3. Sửa chữa những hư hỏng thường gặp

Để đảm bảo độ tin cậy khi làm việc của hệ thống phanh, thì thông thường ta phải thay thế bắt buộc các thiết bị phanh cứ hai năm một lần, không phụ thuộc vào trạng thái kỹ thuật của chúng hiện thời ra sao.

Những bộ phận cần thay thế bắt buộc là: bộ điều chỉnh áp suất, bộ điều hoà lực phanh, bầu phanh cầu trước, bầu phanh cầu sau, van đơn bảo vệ, van kép bảo vệ, van bảo hiểm ba nhánh, van phanh tay, tổng van, van hạn chế áp suất, van tăng tốc, van điều khiển các cơ cấu phanh của rơ moóc, khoá khí nén.

4.4. Những hỏng hóc thường gặp và phương pháp khắc phục của cơ cấu dẫn động khí nén

1. Khí nén không tiếp được hay tiếp chậm vào các bình chứa của hệ thống khí nén (bộ điều chỉnh áp suất có làm việc).

+ Nguyên nhân hỏng hóc:

- Hỏng ống mềm hoặc ống dẫn.

- Lỏng các mối bắt chặt những chỗ nối các ống dẫn, ống mềm và phụ tùng nối ống chuyển tiếp.

2. Bộ điều chỉnh áp suất phải làm việc ngay sau khi các bình chứa được tiếp đủ khí.

+ Nguyên nhân hỏng hóc:

Rò khí nén trên đường dẫn từ máy nén khí đến khối các van bảo vệ.

+ Phương pháp khắc phục:

Khắc phục rò khí bằng các phương pháp đã nêu ở trên.

4. Không tiếp được khí nén vào các bình chứa (trong trường hợp bộ điều chỉnh áp suất vẫn làm việc bình thường).

+ Nguyên nhân hỏng hóc:

- Bộ điều chỉnh áp suất được điều chỉnh sai.

- Tắc ống dẫn từ đoạn từ bộ điều chỉnh áp suất đến khối các van bảo vệ.

- Bảo đảm độ siết đều của các bulông bắt chặt lên van kép bảo vệ.

5. Không tiếp được khí vào bình chứa của dòng I và II (phanh công tác cầu trước và cầu sau).

+ Nguyên nhân hỏng hóc:

- Hỏng van bảo vệ ba nhánh.

- Tắc ống dẫn cung cấp.

  + Phương pháp khắc phục:

- Thay van bị hỏng.

- Thổi ống.

6. Không tiếp được khí vào bình chứa của rơ moóc.

+ Nguyên nhân hỏng hóc:

- Hỏng các thiết bị điều khiển cơ cấu phanh lắp trên rơ moóc, hỏng các cơ cấu phanh rơ moóc.

- Tắc ống dẫn cung cấp.

8. Hiệu quả phanh thấp hoặc không phanh được ôtô bằng hệ thống phanh công tác khi đã đạp bàn đạp đến hết cỡ.

+ Nguyên nhân hỏng hóc:

- Hỏng tổng van.

- Bẩn hốc dưới của áo bọc trên tay đòn của tổng van.

- Rò nhiều khí nén trên đường dòng I và II, trên đoạn sau tổng van.

11. Có nhiều dầu lọt vào hệ thống khí nén.

+ Nguyên nhân hỏng hóc:

- Hỏng các vòng găng của máy nén khí.

  + Phương pháp khắc phục:

- Sửa chữa hoặc thay máy nén khí.

12. Hệ thống phanh rơ moóc không hoạt động hay với hiệu quả rất thấp.

+ Nguyên nhân hỏng hóc:

- Hỏng các bộ phận trên đường dẫn khí nén từ trên xe chính xuống.

- Hỏng cơ cấu điều khiển phanh được đặt ở phần sau rơ moóc.

KẾT LUẬN

   Sau một thời gian ngắn với sự nỗ lực của bản thân, sự giúp đỡ tận tình của thầy giáo hướng dẫn: TS. .............. cùng tập thể các thầy giáo trong bộ môn Ôtô Quân sự - Khoa Động lực và Phòng kỹ thuật – Lữ đoàn Phòng không 210 thuộc Quân khu 1, tôi đã hoàn thành đồ án tốt nghiệp với việc giải quyết được một số vấn đề sau:

   Giới thiệu chung về đoàn xe, các loại xe kéo moóc khí tài được trang bị trong Quân đội và phân tích kết cấu hệ thống phanh xe kéo và moóc khí tài, đồ án đã khái quát, phân tích ưu nhược điểm, ảnh hưởng của các yếu tố kết cấu và khai thác sử dụng đến chất lượng hiệu quả phanh. Nghiên cứu các chỉ tiêu đánh giá hiệu quả phanh làm cơ sở để so sánh với việc tính toán động lực học phanh đoàn xe kéo moóc khí tài.

   Xây dựng mô hình tính toán lý thuyết động lực học phanh đoàn xe, căn cứ vào các giả thiết mô hình tính toán để thiết lập thuật toán và lập trình phần mềm tính toán.

   Mô hình tính toán được áp dụng đối với các xe kéo khí tài, dạng rơ moóc và sơ mi rơ moóc hiện đang được sử dụng cho các đơn vị Phòng không – không quân. Các kết quả tính toán được thể hiện dưới dạng bảng và đồ thị. Với các mô hình đặc trưng và phương án tính toán cụ thể, được tổng hợp thành bảng để phân tích so sánh.

   Hướng dẫn cách sử dụng đối với phanh đoàn xe nói chung và phanh xe kéo moóc khí tài, đưa ra các quy trình bảo dưỡng, sữa chữa, các hỏng hóc thường gặp trong quá trình sử dụng để có biện pháp khắc phục hiệu quả.

   Kết quả của đồ án sẽ là tài liệu tham khảo tốt trong khai thác sử dụng xe đoàn, nghiên cứu đánh giá và cải tiến kết cấu hệ thống phanh cũ hiện nay đang sử dụng trong hệ thống xe kéo moóc của các đơn vị trong toàn quân.

   Tuy nhiên với các giả thiết sử dụng đồ án chưa mô phỏng được tính tuỳ động của tổng van phanh, mới chỉ tính toán trên mô hình phẳng và coi ảnh hưởng của môi trường không đáng kể trong suốt quá trình khảo sát.

Hướng nghiên cứu tiếp theo của đồ án:

- Đánh giá chất lượng ổn định hướng của đoàn xe khi phanh.

- Đánh giá yếu tố chậm tác dụng của phanh moóc tới hiệu quả quả phanh.

- Đề xuất một số giải pháp thay đổi kết cấu hệ thống phanh trên các trang bị khí tài cũ.

TÀI LIỆU THAM KHẢO

1. Nguyễn Hữu Cẩn, Phạm Đình Kiên. Thiết kế và tính toán ô tô máy kéo. NXB đại học và trung học chuyên nghiêp, Hà Nội, 1971.

2. Nguyễn Phúc Hiểu, Vũ Đức Lập. Lý thuyết ô tô quân sự. NXB Quân đội Nhân dân, Hà Nội, 2002.

3. Vũ Đức Lập, Phạm Đình Vi. Cấu tạo ô tô quân sự T1 và T2. Nhà xuất bản HVKTQS - 1995.   

4. Vũ Đức Lập. Hướng dẫn thiết kế môn học “Kết cấu tính toán ô tô quân sự” (TậpV: Hệ thống phanh). Nhà xuất bản HVKTQS - 1998.   

5. Sổ tay vẽ kĩ thuật cơ khí. Nhà xuất bản Quân đội Nhân dân, Hà Nội, 2001. 

6. Tập bản vẽ chi tiết máy. Nhà xuất bản HVKQS - 2001.

7. А.Г. Ришкевич, А.Г. Выгонный, Автомобили специализированный подвижной состав, Минск “Вышэйая школа”, 1985.

"TẢI VỀ ĐỂ XEM ĐẦY ĐỦ ĐỒ ÁN"