ĐỒ ÁN THIẾT KẾ HỆ THỐNG PHANH XE TẢI 2 TẤN

Mã đồ án OTTN002020580
Đánh giá: 5.0
Mô tả đồ án

     Đồ án có dung lượng 330MB. Bao gồm đầy đủ các file như: File bản vẽ cad 2D (Bản vẽ sơ đồ hệ thống phanh trên xe tải 2 tấn, bản vẽ kết cấu cơ cấu phanh trên xe tải 2 tấn, bản vẽ kết cấu xy lanh phanh chính trên xe tải 2 tấn, bản vẽ kết cấu trợ lực phanh trên xe tải 2 tấn, bản vẽ một số cơ cấu phanh); file word (Bản thuyết minh, nhiệm vụ đồ án, bìa đồ án, bản trình chiếu bảo vệ Power point…). Ngoài ra còn cung cấp rất nhiều các tài liệu chuyên ngành, các tài liệu phục vụ cho thiết kế đồ án........... THIẾT KẾ HỆ THỐNG PHANH XE TẢI 2 TẤN.

Giá: 1,050,000 VND
Nội dung tóm tắt

MỤC LỤC

MỤC LỤC....1

LỜI NÓI ĐẦU.. 3

CHƯƠNG 1. TỔNG QUAN VỀ HỆ THỐNG PHANH.. 4

1.1. Công dụng, phân loại, yêu cầu của hệ thống phanh. 4

1.1.1. Công dụng. 4

1.1.2.Phân loại 4

1.1.3. Yêu cầu của hệ thống phanh. 5

1.2. Phân tích kết cấu HTP sử dụng trên xe tải 5

1.2.1.  Phân tích cơ cấu phanh. 5

1.2.2. Phân tích dẫn động phanh. 9

1.3. Lựa chọn phương án thiết kế. 15

1.3.1. Mục đích và nhiệm vụ tính toán thiết kế. 15

1.3.2. Lựa chọn phương án thiết kế. 15

1.4. Đối tượng, phạm vi, nội dung vấn đề nghiên cứu. 18

1.4.1. Đối tượng nghiên cứu. 18

1.4.2. Phạm vi nghiên cứu. 18

1.4.3. Nội dung vấn đề nghiên cứu. 18

CHƯƠNG 2. TÍNH TOÁN THIẾT KẾ CƠ CẤU PHANH.. 19

2.1. Mục đích, nhiệm vụ và thông số tính toán thiết kế. 19

2.1.1. Mục đích. 19

2.1.2. Nhiệm vụ tính toán thiết kế. 19

2.1.3. Thông số ban đầu dùng tính toán thiết kế cơ cấu phanh. 19

2.2. Xác định mô men phanh cần sinh ra ở các cơ cấu phanh. 20

2.3. Tính toán cơ cấu phanh sau. 22

2.3.1. Chọn thông số hình học. 22

2.3.2. Xác định mô men phanh do mỗi guốc phanh sinh ra. 23

2.4. Tính toán cơ cấu phanh trước. 26

2.4.1. Chọn thông số hình học. 26

2.4.2. Xác định mô men phanh do mỗi guốc phanh sinh ra. 26

2.5. Xác định bề rộng má phanh. 29

2.6. Tính toán kiểm nghiệm khả năng làm việc của cơ cấu phanh. 30

2.6.1. Tính toán xác định công ma sát riêng. 30

2.6.2. Tính toán xác định áp suất trên bề mặt má phanh. 31

2.6.3. Tính toán xác định tỷ số khối lượng toàn bộ trên tổng diện tích ma sát má phanh  32

2.6.4. Tính toán nhiệt phát ra trong quá trình phanh. 33

2.6.5. Kiểm tra hiện tượng tự xiết của cơ cấu phanh. 34

CHƯƠNG 3. TÍNH TOÁN THIẾT KẾ DẪN ĐỘNG PHANH.. 36

3.1. Tính toán thiết kế dẫn động phanh. 36

3.2. Cơ sở tính toán thiết kế dẫn động phanh thủy lực có trợ lực. 36

3.3. Tính toán thiết kế dẫn động phanh. 38

3.3.1. Xác định đường kính xilanh công tác. 38

3.3.2.  Xác định đường kính xi lanh phanh chính sơ cấp. 38

3.3.3. Xác định đường kính xi lanh phanh thứ cấp. 39

3.3.4. Xác định hành trình toàn bộ của màng bầu trợ lực chân không. 40

CHƯƠNG 4. HƯỚNG DẪN KHAI THÁC SỬ DỤNG.. 41

4.1. Những biến đổi xảy ra trong quá trình khai thác sử dụng. 41

4.2. Các yêu cầu và chú ý trong quá trình khai thác, sử dụng. 41

4.2.1 Các yêu cầu cơ bản trong quá trình khai thác, sử dụng. 42

4.2.2.  Những chú ý trong quá trình khai thác, sử dụng. 43

4.3. Quy trình bảo dưỡng kỹ thuật hệ thống phanh. 45

4.3.1. Bảo dưỡng thường xuyên. 45

4.3.2. Bảo dưỡng kỹ thuật cấp 1. 46

4.3.3.Bảo dưỡng kỹ thuật cấp 2. 46

4.3.4. Hướng dẫn kiểm tra, điều chỉnh trong quá trình khai thác. 47

4.3.5. Yêu cầu kỹ thuật sau khi bảo dưỡng. 52

4.4. Những hư hỏng thông thường, tìm hiểu nguyên nhân và biện pháp khắc phục  52

4.4.1.Bàn đạp phanh bị hẫng do các nguyên nhân chính sau đây. 52

4.4.2.Phanh ăn đột ngột 53

4.4.3.Phanh bị dính dầu. 54

4.4.4.Phanh bị ướt 54

4.4.5.Má phanh bị mòn nhiều. 54

4.4.6.Các bề mặt má phanh không ép hết vào trống phanh. 54

4.4.7.Phanh không tác dụng hay không làm việc ở một bánh xe. 55

4.4.8. Có tiếng kêu trong trống phanh. 55

4.4.9. Mức dầu phanh bị giảm liên tục. 56

4.4.10. Phanh xiết (bó phanh) do. 56

4.4.11. Phanh ăn đột ngột 57

4.4.12. Xe bị lệch sang một bên khi phanh. 57

4.4.13. Tiêu hao nhiên liệu. 57

KẾT LUẬN.. 58

TÀI LIỆU THAM KHẢO.. 59

LỜI NÓI ĐẦU

Ngày nay, ôtô chiếm một vị trí quan trọng trong ngành kinh tế quốc dân. Nó đảm bảo khả năng vận chuyển hàng hóa cũng như hành khách từ mọi nơi trên thế giới.

Ở Việt Nam, phương tiện ôtô ngày càng phát triển và đa dạng. Nhu cầu vận chuyển hàng hóa và hành khách tăng theo sự phát triển của ngành kinh tế. Tuy nhiên, ngành công nghiệp chế tạo ôtô thì chưa đáp ứng được các đòi hỏi của thị trường. Do vậy việc phát tiển ngành công nghiệp ôtô đang được Đảng và nhà nước rất quan tâm và tạo điều kiện để phát triển ngành công nghiệp ôtô.

Đối với người kỹ sư việc thiết kế là một công việc rất quan trọng. Qua đó đánh giá được khả năng, năng lực làm việc của người kỹ sư. Đồ án tốt nghiệp là cơ sở để đánh giá năng lực làm việc, kiến thức của sinh viên. Nó thể hiện được khả năng sáng tạo của người kỹ sư tương lai trước các vấn đề kỹ thuật thường gặp sau này.

Hệ thống phanh trên ôtô là một hệ thống quan trọng. Giúp nâng cao vận tốc chuyển động trung bình của xe. Hơn thế nữa, nó còn thực hiện nhiệm vụ là đảm bảo sự an toàn cho người và hàng hóa trên xe.

Do vậy, đề tài “Tính toán thiết kế hệ thống phanh xe tải 2 tấn” là một đề tài quan trọng và rất cần thiết.

Nội dung của đồ án tốt nghiệp bao gồm:

- Phần thuyết minh:

+ Phân tích chọn phương án thiết kế

+ Tính toán thiết kế cơ cấu phanh.

+ Tính toán thiết kế dẫn động phanh.

+ Hướng dẫn khai thác sử dụng.

- Phần bản vẽ:

+ Một số sơ đồ bố trí cơ cấu phanh loại guốc.

+ Sơ đồ bố trí hệ thống phanh.

+ Kết cấu cơ cấu phanh.

+ Kết cấu xy lanh chính.

+ Kết cấu trợ lực phanh.

Trong quá trình làm đồ án em nhận được sự hướng dẫn tận tình của thầy giáo: Ths ……………, cùng các thầy giáo trong bộ môn nguyên lý kết cấu, Khoa ôtô. Nhưng do trình độ bản thân, kinh nghiệm thực tế còn hạn chế nên không tránh khỏi những thiếu sót. Rất mong nhận được sự góp ý của các thầy để đồ án được hoàn thiện hơn!

                                                                                 TP Hồ Chí Minh, ngày … tháng … năm 20…

                                                                                   Học viện thực hiện

                                                                               ……………..

CHƯƠNG 1

TỔNG QUAN VỀ HỆ THỐNG PHANH

1.1. Công dụng, phân loại, yêu cầu của hệ thống phanh

1.1.1. Công dụng  

Hệ thống phanh dùng để giảm tốc độ của ôtô cho đến khi dừng hẳn hoặc đến một tốc độ cần thiết nào đấy. Ngoài ra hệ thống phanh còn dùng để giữ ôtô đứng ở các dốc.

Đối với ôtô hệ thống phanh là một trong những hệ thống quan trọng nhất, bởi vì nó đảm bảo cho ôtô chạy an toàn ở tốc độ cao, do đó có thể nâng cao được năng suất vận chuyển.

1.1.2.Phân loại

Tùy theo cách bố trí cơ cấu phanh ở các bánh xe hoặc ở trục của hệ thống truyền lực mà chia ra làm 2 loại phanh bánh xe và phanh truyền lực.

Ở ôtô cơ cấu phanh chính đặt ở bánh xe (phanh chân) còn cơ cấu phanh tay thường đặt ở trục thứ cấp của hộp số hoặc hộp phân phối (ôtô 2 cầu chủ động). Cũng có khi cơ cấu phanh, phanh chính và phanh tay phối hợp làm một và đặt ở bánh xe, trong trường hợp này sẽ làm truyền động riêng rẽ.

1.1.3. Yêu cầu của hệ thống phanh

Quãng đường phanh ngắn nhất khi phanh đột ngột trong trường hợp nguy hiểm. Muốn có quãng đường phanh ngắn nhất thì phải đảm bảo gia tốc chậm dần cực đại.

Phanh êm dịu trong bất kỳ mọi trường hợp để đảm bảo sự ổn định của ôtô khi phanh.

Điều khiển nhẹ nhàng, nghĩa là lực tác dụng lên bàn đạp hay đòn điều khiển không lớn.

1.2. Phân tích kết cấu HTP sử dụng trên xe tải

1.2.1.  Phân tích cơ cấu phanh

1.2.1.1.Cơ cấu phanh guốc có chốt tựa cùng phía và lực đẩy lên các guốc phanh bằng nhau

Đặc điểm của cơ cấu phanh này là có lực tác dụng lên guốc bằng nhau P1 = P2 do đường kính piston xilanh công tác bằng nhau. Để đánh giá sự làm việc của cơ cấu phanh, trên sơ đồ đưa ra phản lực pháp tuyến X1 và X2 tác dụng từ tang phanh lên guốc và các lực ma sát tương ứng Y1 và Y2. Để đơn giản chúng ta giả thiết rằng các phản lực pháp tuyến và lực ma sát là lực tập trung và đặt chính giữa bề mặt làm việc của guốc. 

Để bảo đảm thời gian phục vụ của các má phanh (tấm ma sát) như nhau có thể làm như sau:

- Làm má phanh guốc trước dài hơn má phanh guốc sau.

- Làm đường kính piston xi lanh công tác cho guốc trước nhỏ cho guốc sau.

- Làm 2 lò xo kéo riêng cho từng guốc, trong đó lò xo kéo guốc trước cứng hơn lò xo kéo guốc sau.

1.2.1.2. Cơ cấu phanh chốt tựa khác phía lực đẩy lên các guốc phanh bằng nhau

Sơ đồ cơ cấu phanh loại này được áp dụng trên xe bọc thép trinh sát và áp dụng ở phanh bánh xe cầu trước ôtô UAZ – 469E, GAZ – 66. Là cơ cấu phanh có chốt tựa khác phía và lực đẩy lên guốc phanh như nhau. Ở cơ cấu phanh có bố trí riêng xi lanh phanh bánh xe cho từng guốc và chốt tựa riêng cho từng guốc và ở khác phía.

1.2.1.4. Cơ cấu phanh có cường hóa và có chốt tựa chung cho cả hai guốc phanh

Cơ cấu phanh loại này còn gọi là cơ cấu phanh kiểu bơi, ở cơ cấu phanh kiểu bơi người ta sử dụng lực ma sát xuất hiện giữa tang trống và guốc phanh trước (khi xe tiến) hoặc giữa guốc phanh sau và tang phanh (khi xe lùi) để tác dụng lên guốc sau hoặc guốc trước. 

1.2.2. Phân tích dẫn động phanh

1.2.2.1. Dẫn động phanh thủy lực

Ở phanh dầu lực tác dụng từ bàn đạp đến cơ cấu phanh qua chất lỏng (chất lỏng được coi như không đàn hồi khi ép) ở các đường ống.

Sơ đồ hệ thống phanh dầu (hình 1.5) gồm có 2 phần chính: truyền động phanh và cơ cấu phanh. Truyền động phanh bố trí trên khung xe gồm có: bàn đạp 1, xilanh chính có bầu chứa dầu 2 để tạo ra áp suất cao, các ống dẫn dầu 3 đến các cơ cấu phanh. 

1.2.2.2. Dẫn động phanh thủy lực có trợ lực

a. Trợ lực khí nén

Bộ trợ lực cường hoá khí nén có các ưu, nhược điểm sau:

* Ưu điểm:

Lực cường hoá lớn, vì áp suất khí nén có thể đặt 5  7 Kg/cm2. Bảo đảm được quan hệ giữa lực bàn đạp với lực phanh.

* Nhược điểm:

Số lượng các cụm trong hệ thống nhiều, kết cấu phức tạp, cồng kềnh, động cơ phải kèm theo máy nén khí, giá thành cao.

b. Trợ lực chân không

Cấu tạo chung của bộ trợ lực cường hoá chân không được mô tả trên hình dưới đây:

Bộ trợ lực cường hoá chân không có các ưu, nhược điểm sau:

* Ưu điểm:

- Tận dụng được độ chênh áp giữa khí trời và đường ống nạp khi động cơ làm việc mà không ảnh hưởng đến công suất của động cơ, vẫn đảm bảo được trọng tải chuyên chở và tốc độ khi ôtô chuyển động. 

* Nhược điểm:

Độ chân không khi thiết kế lấy là 0,5 KG/cm2, áp suất khí trời là 1 KG/cm2, do đó độ chênh áp giữa hai buồng của bộ cường hoá không lớn. Muốn có lực cường hoá lớn thì phải tăng tiết diện của màng, do đó kích thước của bộ cường hoá tăng lên.

1.2.2.3. Dẫn động phanh khí nén

Máy nén khí (1) cung cấp khí nén được dẫn động từ động cơ sẽ bơm khí nén qua bình lắng (2) đến bình chứa khí nén (3). Áp suất được khống chế qua đồng hồ (8). Khi phanh, người lái đạp bàn đạp phanh đồng thời mở đường khí nén từ van phanh (4), khí nén từ bình chứa (3) qua van phân phối (4) đến các bầu phanh (5,6). Màng bầu phanh bị ép qua cơ cấu dẫn động phanh làm cam phanh (9) quay. 

1.2.2.4. Dẫn động phanh thủy lực kết hợp khí nén

Trên hình 1.9 trình bày sơ đồ phanh thủy khí. Hệ thống phanh thủy khí gồm có máy nén khí 1 dẫn động bằng động cơ ôtô, bình lọc 2, bình chứa khí nén 3, xilanh lực, van và xilanh phanh chính 4 (ba bộ phận này kết hợp làm một cụm), ống dẫn dầu 5, xilanh làm việc 6, má phanh 7, trống phanh 8, bàn đạp điều khiển 9.

1.3. Lựa chọn phương án thiết kế

1.3.1. Mục đích và nhiệm vụ tính toán thiết kế

1.3.1.1. Mục đích

Mục đích của tính toán thiết kế hệ thống phanh là xác định các thông số kích thước và thông số cơ bản của cơ cấu phanh, dẫn động phanh nhằm thoả mãn các yêu cầu về hiệu quả phanh ôtô.

1.3.1.2. Nhiệm vụ tính toán thiết kế

Tính toán thiết kế cơ cấu phanh

Tính toán thiết kế dẫn động phanh

1.3.2. Lựa chọn phương án thiết kế.

Căn cứ vào ưu điểm và nhược điểm của từng cơ cấu phanh, dẫn động phanh để đơn giản trong quá trình lắp đặt, bảo dưỡng, sửa chữa ta chọn cơ cấu phanh dựa trên tải trọng thực tế của xe tải ta chọn phương án thiết kế cơ cấu phanh như sau:

* Cơ cấu phanh:

- Đối với cầu trước:

Chọn cơ cấu phanh có chốt tựa khác phía lực đẩy lên các guốc phanh bằng nhau

Vì: Khi phanh thì trọng lượng toàn bộ xe sẽ dồn vào cầu trước cho nên lực phanh yêu cầu ở cầu trước phải lớn hơn cầu sau. Nếu lực phanh trên cầu sau lớn hơn lực phanh trên cầu trước bánh xe sẽ bị bó cứng khi đó nó sẽ trượt hoặc lết đi trên mặt đường dẫn tới việc người lái gần như không thể nào kiểm soát được hướng di chuyển của xe. Nếu lực phanh trên cầu trước nhỏ sẽ làm giảm  hiệu quả phanh.

- Đối với cầu sau:

Chọn cơ cấu phanh guốc có chốt tựa cùng phía và lực đẩy lên các guốc phanh bằng nhau.

Vì: Trọng tải của xe thuộc loại trung bình nên tỉ số truyền của cơ cấu phanh không yêu cầu phải cao, kết cấu đơn giản.

1.4. Đối tượng, phạm vi, nội dung vấn đề nghiên cứu

1.4.1. Đối tượng nghiên cứu

Hệ thống phanh trên xe tải 2 tấn:

- Sơ đồ bố trí hệ thống phanh.

- Kết cấu cơ cấu phanh.

- Kết cấu dẫn động phanh.

1.4.2. Phạm vi nghiên cứu.

Tìm hiểu, đánh giá, nghiên cứu phương án thiết kế hệ thống phanh trên xe tải 2 tấn.

Nghiên cứu khai thác hệ thống phanh.

1.4.3. Nội dung vấn đề nghiên cứu.

Nghiên cứu kết cấu hệ thống phanh và lựa chọn phương án thiết kế hệ thống phanh cho xe tải cụ thể là thiết kế cơ cấu phanh, dẫn động phanh để tăng hiệu quả phanh, tăng độ tin cậy khi làm việc với mục đích đảm bảo an toàn chuyển động.

CHƯƠNG 2

TÍNH TOÁN THIẾT KẾ CƠ CẤU PHANH

2.1. Mục đích, nhiệm vụ và thông số tính toán thiết kế

2.1.1. Mục đích

Mục đích của tính toán thiết kế cơ cấu phanh là xác định các thông số kích thước và thông số cơ bản của cơ cấu phanh nhằm thỏa mãn các yêu cầu về hiệu quả phanh ôtô.

2.1.2. Nhiệm vụ tính toán thiết kế

- Xác định mô men phanh cần thiết sinh ra ở các cơ cấu phanh.

- Chọn dạng cơ cấu phanh và các kích thước cơ bản của cơ cấu phanh như:

+ Bán kính tang phanh (rt).

+ Khoảng cách từ tâm cơ cấu phanh tới xilanh (a).

+ Khoảng cách từ tâm cơ cấu phanh tới chốt tựa (c).

- Xác định lực đẩy cần thiết tác dụng lên các guốc phanh (P, P’).

+ Tính toán kiểm nghiệm khả năng làm việc của cơ cấu phanh.

2.1.3. Thông số ban đầu dùng tính toán thiết kế cơ cấu phanh

Để làm cơ sở cho việc tính toán thiết kế cơ cấu phanh ta cần xác định các kích thước và thông số ban đầu của của cơ cấu phanh như trọng lượng toàn bộ ôtô, tọa độ trọng tâm ôtô, chiều dài cơ sở ôtô, bán kính bánh xe, gia tốc phanh yêu cầu và hệ số bám giữa bánh xe và đường.

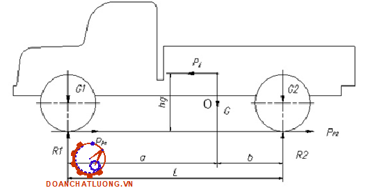
2.2. Xác định mô men phanh cần sinh ra ở các cơ cấu phanh

Mô men phanh sinh ra ở các cơ cấu phanh của ôtô phải đảm bảo giảm tốc độ hoặc dừng ôtô hoàn toàn với gia tốc chậm dần trong giới hạn cho phép.

- G1, G2  : là trọng lượng phân bố lên cầu trước và cầu sau. G1 = 2730.9,81= 26781,3 (N); G2 = 3070.9,81= 30116,7 (N)

- φ : là hệ số bám giữa bánh xe với đường φ = 0,76.

- m1, m: là hệ số phân bố tải  trọng lên cầu trước và cầu sau.

Thay a, b, g, Jpmax, hg vào các công thức (2.2) và (2.3) ta được:

m1 = 1,51; m2 = 0,55

Thay G1, G2, m1, m2, j vào các công thức (2.1) và (2.2) ta được:      

Pp1 = 15367,11 (N); Pp2 = 6294,39 (N)                                     

Ta có kích thước lốp xe: 12 – 18 (inch)

Bán kính bánh xe thiết kế được tính theo công thức: r = 533,4 (mm)

Theo công thức (I.3) và (I.4) tài liệu [1] ta có:

Mp1= Pp1. rk  (Nm )     (2.7)

Mp2= Pp2. rk  (Nm )     (2.8)

Trong đó: 

- Mp1, Mp2 : momen phanh cần sinh ra ở mỗi cơ cấu phanh của một bánh xe ở cầu trước và sau.

Thay Pp1, Pp2, rk vào công thức (2.7) và (2.8) ta được:

Mp1 = 7664,04 (Nm ); Mp2 = 3139,2 (Nm )

2.3. Tính toán cơ cấu phanh sau

2.3.1. Chọn thông số hình học

- Dt  đường kính tang phanh: Dt = 416 (mm)

- Bán kính tang phanh: rt = 0,5.Dt = 0,5.416 = 208  (mm)

- Khoảng cách từ tâm cơ cấu phanh đến xi lanh: a = 147 (mm)

- Khoảng cách từ tâm cơ cấu phanh đến chốt tựa: c = 141 (mm)

- Khoảng cách từ chốt tựa đến tang phanh: e = 186 (m)

- Khoảng cách từ tâm cơ cấu phanh đến chốt tựa chung: d = 22 (mm)

- Hệ số ma sát giữa má phanh và tang phanh μ = 0,35.

2.3.2. Xác định mô men phanh do mỗi guốc phanh sinh ra

a. Trường hợp 1:  Khi phanh với cường độ phanh nhỏ quy luật phân bố áp suất là hình sin (p = const).

Góc ôm của má phanh: D = β0

Thay β1, β2 vào công thức (2.9), (2.10), (2.11) ta được:

D= β0 = 2,11 (rad); A = 1,74  (rad); B= - 0,046 (rad)

Thay P, a, c, cosφ, A, B, µ, rt, D vào công thức (2.15) và (2.16)  ta được:

Mps1= 2539,18 (Nm);  Mps2= 601,8 (Nm)

b. Trường hợp 2 : Khi phanh cấp tốc quy luật phân bố áp suất là đều (p = pmax.sinβ)

Thay β1, β2 vào công thức (2.17), (2.18) ta được: D = 1,74 ; β0 = 2,11 (rad)

Thay β0, β1, β2 vào công thức (2.19), (2.20) ta được:

A = 1,483  (rad); B= - 0,022 (rad)

Thay c, A, B, µ, rt, D vào công thức (2.23) ta được: kT = 1,89

Thay Mp2, kT, a, c, vào công thức (2.21) ta được: P = P = 5802,01 (N)

2.4. Tính toán cơ cấu phanh trước

2.4.1. Chọn thông số hình học

Dựa theo bố trí chung, kích thước bánh xe, tính lắp lẫn và qua tìm hiểu một số xe có cách bố trí tương tự như Gaz- 66, dựa trên cơ sở tài liệu sổ tay tra cứu tính năng kỹ thuật ôtô ta tiến hành chọn các thông số và các kích thước như sau:

- Dt  đường kính tang phanh: Dt = 416 (mm).

- Bán kính tang phanh: rt = 0,5.Dt = 0,5.416 = 208  (mm).

- Khoảng cách từ tâm cơ cấu phanh đến xi lanh: a = 154 (mm).

- Khoảng cách từ tâm cơ cấu phanh đến chốt tựa: c = 145 (mm).

- Khoảng cách từ chốt tựa đến tang phanh: e = 175 (mm).

- Khoảng cách từ tâm cơ cấu phanh đến chốt tựa chung: d = 33 (mm

2.4.2. Xác định mô men phanh do mỗi guốc phanh sinh ra

a. Trường hợp 1:  Khi phanh với cường độ phanh nhỏ quy luật phân bố áp suất là hình sin (p = const)

Góc ôm của má phanh: D = β0

Thay β1, β2 vào công thức (2.26), (2.27), (2.28) ta được:

D= β0 = 2,11 (rad); A = 1,74  (rad); B= - 0,137  (rad)

Thay c, A, B, µ, rt, D vào công thức (2.31) ta được: kT = 1,84

Thay Mp1, kT, a, c, vào công thức (2.29) ta được:

P = P = 14114,05 (N)

b. Trường hợp 2 : Khi phanh cấp tốc quy luật phân bố áp suất là đều (p = pmax.sinβ).

Thay β1, β2 vào công thức (2.34), (2.35) ta được: D = 1,74 ; β0 = 2,11 (rad)

Thay β0, β1, β2 vào công thức (2.36), (2.37) ta được:

A = 1,489  (rad); B = - 0,067 (rad)

2.5. Xác định bề rộng má phanh

Xác định chiều rộng má phanh theo điều kiện áp suất.

Ta có áp suất giới hạn trên bề mặt má phanh:

[q] = 1,5  2,0 (MN/m2) theo tài liệu [1] trang 32.

Đối với cơ cấu phanh cầu sau:

Thay các giá trị Mp2 =3139,2 (Nm) ; μ = 0,35; rt = 0,208 (m);

β0 = 2,11 (rad); [q] = 1,5.10(MN/m2) vào công thức (2.44) ta được: b ≥ 0,066

Như vậy bề rộng má phanh sau là: b = 66 (mm).

Đối với cơ cấu phanh cầu trước:

Thay các giá trị Mp1 = 7664,04 (Nm); μ = 0,35; rt = 0,208 (m); β0 = 2,11 (rad); [q] = 1,5.10(MN/m2) vào công thức (2.44) ta được: b ≥ 0,15

Như vậy bề rộng má phanh trước là: b = 150 (mm).

2.6. Tính toán kiểm nghiệm khả năng làm việc của cơ cấu phanh

2.6.1. Tính toán xác định công ma sát riêng

Công ma sát riêng được xác định trên cơ sở các má phanh thu toàn bộ động năng của ôtô khi phanh ôtô ở vận tốc ban đầu nào đó.

Ta có:

- G : là trọng lượng xe khi đầy tải, G = 56898 N.

- V0 : là vận tốc của xe khi bắt đầu phanh, lấy V0  = 60 Km/h = 16,67 m/s.

- G : là gia tốc trọng trường, g = 9,81 m/s2.

- FΣ : là diện tích toàn bộ của má phanh ở tất cả các cơ cấu phanh của ôtô. FΣ = F1 + F2

Thay α, R1, R2 vào công thức (2.46) ; b, rt, β0, β0’ vào công thức (2.47) ta được:  F1 = 0,016 (m2) ; F2  = 0,22 (m2)

Vậy : FΣ = 0,016 + 0,22 = 0,23 (m2)

Thay G, V0, g, FΣ công thức (2.43) ta được: L = 3503816 (Nm/m2)

Đối với ôtô tải: [L] = 3000  70000 KNm/mtheo tài liệu [1] trang 32.

Vậy L = 3503,82 (KNm/m2) <  [L].

Như vậy kích thước má phanh đã chọn đảm bảo công ma sát riêng.

2.6.2. Tính toán xác định áp suất trên bề mặt má phanh.

* Đối với phanh trước:

Thay các giá trị Mp1 = 7664,04.10-6 (MNm); μ = 0,35; rt = 0,208 (m);

β0 = 2,11 (rad); b= 0,15 (m) vào công thức (2.48) ta được:

pt= 1,6 (MN/m2)

Đối với phanh sau:

Thay các giá trị Mp2 =3139,2.10-6  (MNm) ; μ = 0,35; rt = 0,208 (m);

β0 = 2,11 (rad); b = 0,066 (m) vào công thức (2.48) ta được::

ps =1,55 (MN/m2)

2.6.4. Tính toán nhiệt phát ra trong quá trình phanh

Trong quá trình phanh, động năng của ôtô sẽ chuyển thành nhiệt năng ở trong tang phanh và các chi tiết khác, một phần nhiệt thoát ra môi trường không khí . Phương trình cân bằng nhiệt khi phanh do lực phanh Pp gây lên sau quãng đường phanh ds và thời gian dt.

Thay các giá trị: Ga= 5800 kg; V=30 km/h; Gt=15 kg; c=0,125 kcal/kg độ vào phương trình (2.50), ta được:  ( ).

Đảm bảo điều kiện ΔT<15theo tài liệu [1] trang 34.

Độ tăng nhiệt độ của tang phanh khi phanh ở V= 30 Km/h cho đến khi dừng hẳn không vượt quá 15 C. Khi phanh liên tục thì số hạng thứ hai trong phương trình sẽ tăng lên.

2.6.5. Kiểm tra hiện tượng tự xiết của cơ cấu phanh

Hiện tượng tự xiết (tự phanh) của cơ cấu phanh xảy ra khi má phanh ép sát vào tang phanh chỉ bằng lực ma sát mà không cần tác động lực P của cơ cấu doãng má phanh lên guốc phanh. Trong trường hợp như vậy thì mô men phanh M  về phương diện lý thuyết mà nói sẽ tiến tới vô cùng. Theo công thức (I.46) tài liệu [1] guốc phanh trước sẽ xảy ra hiện tượng tự xiết khi thoả mãn điều kiện:

c.(cos  + μ.sin ) – μ.ρ = 0

a. Trường hợp 1:  Khi phanh với cường độ phanh nhỏ quy luật phân bố áp suất là hình sin (p = const).

Thay β0, rt, β1, β2 vào công thức (2.53) ta được: ρ = 0,25

Thay , ρ, c vào công thức (2.51) ta được :

μ = 0,53 > 0,35

Vậy cơ cấu phanh trước không có hiện tượng tự xiết xảy ra khi phanh.

b. Trường hợp 2 : Khi phanh cấp tốc quy luật phân bố áp suất là đều (p = pmax.sinβ)

Thay β0, rt, β1, β2 vào công thức (2.55) ta được: ρ = 0,24

Thay , ρ, c vào công thức (2.51) ta được :

μ =0,56 > 0,35

Vậy cơ cấu phanh trước không có hiện tượng tự xiết xảy ra khi phanh.

* Kết luận: Trong chương này, đồ án đã tính toán được mômen phanh sinh ra ở guốc, tính toán cơ cấu phanh trước và phanh sau, và tính toán kiểm nghiệm khả năng làm việc của cơ cấu phanh. Song đồ án vẫn chưa kiểm nghiệm bền các chi tiết của cơ cấu phanh.

CHƯƠNG 3

TÍNH TOÁN THIẾT KẾ DẪN ĐỘNG PHANH

3.1. Tính toán thiết kế dẫn động phanh

Trên cơ sở xác định được mô men phanh cần sinh ra mà các cơ cấu phanh phải đảm bảo, ta xác định được lực đẩy cần thiết lên guốc phanh. Từ đó ta có cơ sở để tính toán thiết kế  cơ cấu phanh.

Khi tính toán thiết kế dẫn động phanh chúng ta phải xác định được dạng dẫn động phanh, xác định các thông số cơ bản của dẫn động phanh và phần  tử đặc trưng.

3.2. Cơ sở tính toán thiết kế dẫn động phanh thủy lực có trợ lực

Hiện nay có nhiều loại trợ lực chân không. Bất kỳ loại trợ lực chân không nào đều có hai phần tử cơ bản:

+ Bầu trợ lực hoặc xilanh lực.

+ Cơ cấu tùy động.

Tùy thuộc vào kết cấu và bố trí cơ cấu tùy động với bầu trợ lực hoặc với xilanh chính mà chia ra làm 3 loại cơ bản:

- Loại 1: Cơ cấu tùy động không liên hệ trực tiếp với xilanh phanh chính.

- Loại 2: Xilanh phanh chính, bầu trợ lực và trong một số trường hợp cả cơ cấu tùy động bố trí tách biệt nhau.

- Loại 3: Bầu trợ lực, xilanh phanh chính, cơ cấu tùy động bố trí đồng trục thành một khối.

3.3. Tính toán thiết kế dẫn động phanh

3.3.1. Xác định đường kính xilanh công tác

Đường kính xilanh công tác d2 được xác định theo công thức (I.55) tài liệu [1].

* Xi lanh công tác của cơ cấu phanh cầu trước:

Thay P1, p0 vào công thức (3.1) ta được: d2 = 52 ( mm )

* Xi lanh công tác của cơ cấu phanh cầu sau:

Thay P2, p0 vào công thức (3.1) ta được: d2 = 54 ( mm )

3.3.2. Xác định đường kính xi lanh phanh chính sơ cấp.

Đường kính xi lanh phanh chính sơ cấp d1 được xác định trên cơ sở chọn áp suất chất lỏng trong xi lanh phanh chính sơ cấp p1.

Áp suất trong xilanh sơ cấp chọn: p1 = 2000 (KN/m2) = 2 (N/mm2)

Thay P, η, i, d1 , p1 vào công thức (3.2) ta được: d1 = 55 (mm)

3.3.3. Xác định đường kính xi lanh phanh thứ cấp.

Thay F1, Fc số vào công thức (3.4) ta có:  F’0 = 2073 (mm2)

Thay p1max, p0max, Δp, Fq, F’0 vào công thức (3.3) ta có: F0= 1032 (mm2)

Vậy đường kính xilanh thủy lực là:

d0 = với F0= 1032 (mm2)

d0= 36 (mm )

3.3.4. Xác định hành trình toàn bộ của màng bầu trợ lực chân không

Ta có:

- S : là hành trình lớn nhất của bàn đạp (S = 150 … 170 mm). Chọn S = 160 (mm)

- F1, F0 : là diện tích pít tông xi lanh sơ cấp và xy lanh thứ cấp. Thay S, F1, F0 vào công thức (3.5) ta được: S0= 82 ( mm )

* Kết luận: Trong chương này, đồ án đã tính toán phần dẫn động phanh và thiết kế được bộ trợ lực chân không, tính toán được các chỉ tiêu phanh, song vẫn chưa kiểm bền được các chi tiết như pittông xilanh công tác và pittông xilanh chính, lò xo màng trợ lực và một số chi tiết khác.

CHƯƠNG 4

HƯỚNG DẪN KHAI THÁC SỬ DỤNG

4.1. Những biến đổi xảy ra trong quá trình khai thác sử dụng

Hệ thống phanh giữ vai trò quan trọng trong quá trình chuyển động của ôtô, nó đảm bảo an toàn cho hàng hoá, hành khách và phương tiện. Hệ thống phanh tốt giúp nâng cao tốc độ trung bình, nâng cao năng suất, hạ giá thành vận chuyển.

Những biến đổi xảy ra làm giảm tình trạng kỹ thuật của hệ thống phanh trong quá trình khai thác sử dụng hệ thống phanh:

- Mòn hư hỏng các tiết bộ phận dẫn động, gãy các lò xo hồi vị, mòn piston - xy lanh (chính, phụ) nứt vỡ bẹp các đường ống dẫn dầu, không khí lọt vào hệ thống phanh…

- Dầu bị lão hóa biến chất các phớt cao su bị lão hóa, cúp pen hỏng chảy dầu.

4.2. Các yêu cầu và chú ý trong quá trình khai thác, sử dụng

Trong quá trình khai thác các yêu cầu và chú ý trong quá trình sử dụng có ý nghĩa rất quan trọng. Nó được nhà sản xuất thử nghiệm trước khi đưa ra sản xuất hàng loạt để sản phẩm đáp ứng được hết mục đích sử dụng, đạt được hiệu quả cao nhất.

4.2.1 Các yêu cầu cơ bản trong quá trình khai thác, sử dụng

Hệ thống phanh là một hệ thống đảm bảo an toàn chuyển động cho ôtô . Do vậy phải chấp nhận những yêu cầu kiểm tra khắt khe, nhất là đối với ôtô hoạt động ở tốc độ cao. Các yêu cầu như sau:

-  Phải đảm bảo nhanh chóng dừng xe khẩn cấp trong bất kỳ tình huống nào. Khi phanh đột ngột, xe phải được dừng sau quãng đường phanh ngắn nhất  tức là có gia tốc phanh cực đại .

- Phải đảm bảo phanh giảm tốc độ ôtô trong mọi điều kiện sử dụng, lực phanh trên bàn đạp phải tỷ lệ với hành trình bàn đạp, có khả năng rà phanh khi cần thiết.

4.2.2.  Những chú ý trong quá trình khai thác, sử dụng

4.2.2.1. Khi kiểm tra hệ thống phanh

Trong quá trình sử dụng, không được thay đổi kết cấu của hệ thống phanh nếu không được cơ quan có thẩm quyền cho phép.

Trong quá trình sử dụng, khi có chi tiết bị hư hỏng phải thay thế bằng các chi tiết tương tự do nhà máy chế tạo ôtô đó sản xuất hoặc do cơ sở chế tạo được cơ quan có thẩm quyền cho phép, không được thay thế bằng các chi tiết khác một cách tuỳ tiện.

4.2.2.2. Khi khai thác, sử dụng

Tránh phanh đột ngột để lết bánh xe trên đường làm lốp nhanh mòn và hiệu quả phanh không cao.

Trong sử dụng phải thường xuyên kiểm tra sự làm việc của hệ thống để phát hiện sớm và khắc phục kịp thời những hư hỏng .

 Trường hợp phanh ôtô bị hỏng nhất thiết phải kéo bằng thanh cứng.

Không giật mạnh phanh tay khi xe chưa dừng hẳn gây nguy hiểm.

Dầu phanh có hại đến đường tiêu hoá và mắt nên trong quá trình sử dụng phải đảm bảo các nguyên tắc an toàn.

4.3. Quy trình bảo dưỡng kỹ thuật hệ thống phanh

Trong quá trình khai thác, sử dụng hệ thống phanh luôn có những thay đổi về trạng thái, khả năng làm việc, giảm hiệu quả dần sau một thời gian sử dụng của hệ thống. Các thay đổi này phụ thuộc vào nhiều yếu tố, trong đó hao mòn chi tiết theo thời gian sử dụng giữ vai trò quan trọng nhất. 

Bảo dưỡng hệ thống phanh cũng tuân thủ theo đầy đủ các cấp bảo dưỡng kỹ thuật ôtô đó là:

- Bảo dưỡng thường xuyên.

- Bảo dưỡng định kỳ cấp 1.

- Bảo dưỡng định kỳ cấp 2.

4.4. Những hư hỏng thông thường, tìm hiểu nguyên nhân và biện pháp khắc phục

4.4.1. Bàn đạp phanh bị hẫng do các nguyên nhân chính sau đây

- Không khí lọt vào trong hệ thống dẫn động thủy lực hoặc do mức dầu phanh ở bình chứa của xilanh chính bị giảm, có thể do không kín bị dò rỉ dầu phanh khi đó thì phanh không nhậy.

- Khe hở má phanh và trống phanh quá lớn:

+ Khi chuyển động trên đường đi thì phải phanh nhiều do vậy mà má phanh mòn một cách tự nhiên .

+ Để khắc phục hiện tượng này ta cần phải phục hồi bằng cách điều chỉnh lại cơ cấu điều chỉnh khe hở như là điều chỉnh bánh lệch tâm và chốt lệch tâm. Khe hở ở khoảng cho phép là 0,1- 0,15 mm và bánh xe quay được dễ dàng.

4.4.2. Phanh ăn đột ngột                           

 Khi phanh mà ăn không từ từ mà ăn đột ngột có thể do các nguyên nhân sau:

- Lò xo kép guốc phanh bị gẫy:

+ Nếu lò xo guốc phanh bị gẫy thì các guốc phanh luôn ở trạng thái doãng mặc dù không ép vào trống phanh. Khi đó ta đạp bàn đạp phanh thì các guốc phanh ép tức thì vào trống phanh nên gây ra hiện tượng phanh đột ngột.

+ Khi có hiện tượng này thì cần tháo cơ cấu phanh bánh xe ra thay lò xo mới.

- Má phanh bị gãy:

+ Má phanh khi làm việc chịu các lực ma sát lớn do vậy mà khi các đinh tán không chặt hay để quá mòn thì sẽ bị gãy nên má phanh có các vết nứt hay các mảnh vỡ cong lại trong cơ cấu nên khi phanh gây hiện tượng kẹt phanh.

+ Khi gặp hiện tượng này thì thay má phanh mới và chú ý khi thay má phanh mới nên thay cả 2 má phanh của một cơ cấu phanh bánh xe vì như thế sẽ có sự hao mòn đều khi làm việc và tăng hiệu quả phanh.

4.4.3. Phanh bị dính dầu

Cơ cấu phanh bị dính dầu thì hiệu quả phanh không đạt hiệu quả cao có thể do các nguyên nhân sau:

- Do khi đổ dầu vào quá quy định hay là do các vòng chắn dầu của cơ cấu bị hỏng.

Khắc phục:

- Khi đang chuyển động trên đường thì rà phanh nhiều lần có thể loại bỏ dầu ra khỏi má phanh.

4.4.5. Má phanh bị mòn nhiều

- Khi hoạt động trên đường mà không chú ý bảo dưỡng phanh cho nên má phanh mòn quá giới hạn quy định làm cho các đầu đinh tán nhô lên và gây hiện tượng xước bề mặt tang trống khi đó gây ra tiếng kêu ken két của phanh, hiệu quả phanh kém đi.

- Khắc phục hiện tượng này cần tán lại má phanh hoặc là thay má phanh mới vì thay thế má phanh rẻ hơn trống phanh.

4.4.6.Các bề mặt má phanh không ép hết vào trống phanh

Các bề mặt má phanh không ép hết vào trống phanh có thể do các nguyên nhân sau:

- Do má phanh bị mòn.

- Do phanh mòn hay bị gãy vỡ.

4.4.8. Có tiếng kêu trong trống phanh

- Các đầu đinh tán bị trồi lên:

 + Khi có hiện tượng bị kêu ở trống phanh thì là do má phanh quá mòn nên các đầu đinh tán trồi lên và chạm vào bề mặt làm việc của trống phanh làm cho bề mặt của trống phanh bị xước theo vòng đồng thời làm rung động các chi tiết gây ra tiếng kêu lớn.

+ Để khắc phục hiện tượng này thì ta phải tán lại các đinh tán:

-  Đầu bắt guốc phanh bị lỏng:

+ Do đầu bắt không chặt guốc phanh cho nên khi chuyển động thì gây rung động nên có tiếng kêu khi làm việc và va đập các chi tiết với nhau.

+ Khắc phục hiện tượng cân bắt chặt các đầu guốc phanh lại cho chặt.

4.4.10. Phanh xiết (bó phanh) do

 Vòng cao su của xy lanh chính bị hở:

+ Do sử dụng lâu ngày hoặc dùng loại dầu phanh xấu có nhiều tạp chất . Trong trường hợp này thì khi nhả bàn đạp phanh thì guốc phanh vẫn bị ép vào trống phanh như vậy vẫn còn bó phanh lúc này nếu ta tăng khe hở giữa má phanh và trống phanh cũng không khắc phục được hiện tượng này.

+ Để khắc phục ta cần tháo xy lanh bánh xe ra và rửa sạch lại bằng cồn để loại hết tạp chất ra và thay dầu phanh mới đồng thời thay vòng cao su mới tức là thay cupen.

4.4.13. Tiêu hao nhiên liệu

Nguyên nhân:

- Rò rỉ dầu ở xilanh chính, xilanh con hoặc các đầu nối đường ống dẫn dầu.

Khắc phục hiện tượng này:

- Kiểm tra, thay các chi tiết hỏng, xiết chặt các đầu nối, bổ xung dầu, xả khí.....

KẾT LUẬN

  Sau thời gian nghiên cứu thu thập tài liệu, vận dụng những kiến thức đã học cùng với sự hướng dẫn tận tình của thầy giáo: Ths …………… và các thầy giáo trong bộ môn nguyên lý kết cấu, Khoa ôtô đến nay tôi đã hoàn thành xong nội dung của đồ án "Tính toán thiết kế hệ thống phanh xe tải 2 tấn”. Đồ án đã giải quyết được các nội dung sau: Chọn được phương án thiết kế, tính toán thiết kế cơ cấu phanh, tính toán thiết kế dẫn động phanh, và hướng dẫn sử dụng hệ thống phanh cũng như cách xả không khí ở xilanh phanh chính và xilanh các bánh xe.

  Do trình độ của bản thân còn hạn chế và kinh nghiệm thực tế còn ít. Cho nên trong quá trình thực hiện đồ án không tránh khỏi những thiếu sót, kính mong nhận được sự đóng góp ý kiến của các thầy giáo để đồ án của tôi được hoàn thiện hơn nữa.

  Hướng phát triển của đồ án:

1. Thiết kế hoàn thiện hơn nữa xilanh chính.

2. Thử nghiệm.                    

TÀI LIỆU THAM KHẢO

1. Nguyễn Phúc Hiểu, Hướng dẫn thiết kế môn học Kết cấu tính toán ôtô quân sự”, tập 5, Học viện KTQS, Hà Nội, 1986.

2. Nguyễn Hữu Cẩn, Phan Đình Kiên, Thiết kế và tính toán ôtô máy kéo, tập 2, NXB đại học và trung học chuyên nghiệp, Hà Nội, 1971.

3. Vũ Đức Lập, Phạm Đình Vi, Cấu tạo ôtô quân sựtập 2, Học viện KTQS, Hà Nội, 1995.

4. Vũ Đức Lập, Sổ tay tra cứu tính năng kỹ thuật ôtô, Học viện KTQS, Hà Nội, 1995.

5. Đặng Quý, Tính toán thiết kế ôtô, Trường ĐHSPKT, TPHCM, 2001.

"TẢI VỀ ĐỂ XEM ĐẦY ĐỦ ĐỒ ÁN"