ĐỒ ÁN TÍNH TOÁN THIẾT HỘP SỐ XE TOYOTA VIOS 2016 (HỘP SỐ 2 TRỤC)

Mã đồ án OTTN003021819
Đánh giá: 5.0
Mô tả đồ án

     Đồ án có dung lượng 360MB. Bao gồm đầy đủ các file như: File bản vẽ cad 2D (Bản vẽ kết cấu mặt cắt hộp số xe Toyota vios, bản vẽ các sơ đồ đi số, bản vẽ các phương án thiết kế, bản vẽ các phương án bố trí truyền lực, bản vẽ quy trình bảo dưỡng hộp số trên xe Toyota vios); file word (Bản thuyết minh, nhận xét của giáo viên phản biện…). Ngoài ra còn cung cấp rất nhiều các tài liệu chuyên ngành, các tài liệu phục vụ cho thiết kế đồ án........... TÍNH TOÁN THIẾT HỘP SỐ XE TOYOTA VIOS 2016 (HỘP SỐ 2 TRỤC).

Giá: 990,000 VND
Nội dung tóm tắt

MỤC LỤC

MỤC LỤC...

LỜI NÓI ĐẦU....

CHƯƠNG I. TỔNG QUAN HỘP SỐ....

1.1. Công dụng, yêu cầu, phân loại.....

1.1.1. Công dụng.....

1.1.2. Yêu cầu.....

1.1.3. Phân loại....

1.1.2.1. Theo đặc điểm thay đổi tỷ số truyền: hộp số vô cấp và hộp số có cấp....

1.1.2.2. Theo cấu trúc truyền lực giữa các bánh răng.....

1.1.2.3. Theo phương pháp điều khiển chuyển số của hộp số.....

1.1.2.4. Theo số trục của hộp số (không kể trục số lùi)....

1.1.2.5. Theo số tỷ số truyền chung của hộp số chính.....

1.2. Một số loại hộp số phổ biến hiện nay.....

1.2.1. Hộp số cơ khí thường (MT).....

1.2.1.1. Cấu trúc truyển mô men.....

1.2.1.2. Bộ phận điều khiển chuyển số.....

1.2.3. Hộp số tự động (AT).....

1.2.4. Hộp số ly hợp kép (DCT).....

1.2.5. Hộp số vô cấp (CVT)....

1.3. Lựa chọn phương án thiết kế.....

CHƯƠNG II. TÍNH TOÁN THIẾT KẾ HỘP SỐ....

2.1. Tính toán thiết kế hộp số....

2.1.1. Tính toán tỷ số truyền....

2.1.2. Xác định tỷ số truyền tay số 1.....

2.1.3. Tính toản các thông số cơ bản của bánh răng....

2.1.3.1. Xác định khoảng cách giữa các trục....

2.1.3.2. Chọn thông số mô đun và góc nghiêng răng β.....

2.1.3.3. Xác định số răng.....

2.1.3.4. Xác định lại chính xác tỷ số truyền và khoảng cách trục hộp số.....

2.1.3.5. Xác định bề rộng bánh răng b....

2.1.3.6. Dịch chỉnh.....

2.1.3.7. Các kích thước cơ bản của cặp bánh răng số tiến....

2.1.3.8. Các kích thước cơ bản của cặp bánh răng số lùi.....

2.2. Tính bền bánh hộp số....

2.2.1. Chế độ tải trọng.....

2.2.2. Mô men truyền đến các trục.....

2.2.1.1 Lực tác dụng lên các bánh răng.....

2.2.2. Tính bền bánh răng.....

2.2.2.1. Tính bền theo ứng suất uốn.....

2.2.2.2. Tính bền theo ứng suất tiếp xúc.....

2.3. Tính toán trục hộp số....

2.3.1. Chọn vật liệu trục.....

2.3.2. Tính sơ bộ kích thước trục hộp số.....

2.3.3. Tính bền trục.....

2.3.3.1. Sơ đồ đặt lực chung.....

2.3.3.2. Khoảng cách giữa các điểm đặt lực.....

2.3.3.3. Tính phản lực tại các gối đỡ.....

2.3.3.4. Vẽ biểu đồ mô men.....

2.3.3.5. Tính mô men tương đương và tính chọn đường kính các đoạn trục theo Mtd.....

2.4. Tính toán ổ lăn....

CHƯƠNG III. CHẨN ĐOÁN BẢO DƯỠNG HỘP SỐ.....

3.1. Một số lưu ý khi sử dụng.....

3.2. Chẩn đoán bảo dưỡng hộp số.....

3.2.1. Quy trình tháo.....

3.2.2. Vệ sinh hộp số.....

3.2.3. Chẩn đoán bảo dưỡng hộp số.....

3.2.3.1. Kiểm tra sửa chữa chi tiết....

3.2.3.2. Những hư hỏng thường gặp.....

3.2.4. Quy trình lắp.....

CHƯƠNG IV. KẾT LUẬN.....

TÀI LIỆU THAM KHẢO....

LỜI NÓI ĐẦU

  Ngày nay ô tô đã trở thành phương tiện giao thông hết sức quan trọng trong đời sống hàng ngày.ngành công nghiệp ô tô phát triển rất lâu trên thế giới.Tuy nhiên tại Việt Nam công nghiệp ôtô chủ yếu vẫn còn mang tính chất sản xuất nhỏ lẻ, lắp ráp và nhập khẩu xe đã qua sử dụng, để có thể phát triển bền vững trong quá trình hội nhập, ngành công nghiệp ôtô cần có mục tiêu, định hướng, qui hoạch chiến lược cụ thể. Đối với ngành ôtô nói riêng và ngành cơ khí nói chung, khối lượng công việc thiết kế tính toán cho các chi tiết là rất lớn. Việc áp dụng những tiến bộ về khoa học kỹ thuật sẽ giúp quá trình thiết kế rút ngắn thời gian, kết quả tối ưu, tăng năng suất lao động, tăng hiệu quả kinh tế,…

Sau 5 năm được đào tạo chuyên ngành ô tô tại trường Đại học Công nghệ Giao thông vận tải bản thân em cũng đã có những kiến thức nhất định về ô tô tuy còn rất nhiều hạn chế. Em được giao đề tài “Tính toán thiết kế hộp số xe Toyota Vios 2016”. Với những kiến thức đã tich lũy được trong 5 năm học tại trường và ứng dụng một số phần mềm mới em đã cố gắng hết sức mình để hoàn thành công việc được giao.

Em xin cảm ơn thầy giáo: TS……………… cùng với các thầy giáo trong khoa  ô tô đã chỉ dạy tận tình trong quá trình thực hiện đồ án này. Tuy nhiên vì thời gian và trình độ có hạn, chắc chắn đề tài còn nhiều thiếu sót, rất mong nhận được ý kiến phê bình của thầy giáo và bạn bè.

                                                                                                                                          Hà nội, ngày … tháng … năm 20…

                                                                                                                                          Sinh viên thực hiện

                                                                                                                                          ………………

CHƯƠNG I. TỔNG QUAN HỘP SỐ

1.1. Công dụng, yêu cầu, phân loại.

1.1.1. Công dụng.

- Thay đổi tỷ số truyền của hệ thống truyền lực để tạo được lực kéo tại các bánh xe chủ động phù hợp với điều kiện chuyển động.

- Thay đổi chiều chuyển động (tiến hoặc lùi).

- Ngắt động cơ lâu dài khỏi hệ thống truyền lực.

1.1.2. Yêu cầu.

Hộp số ô tô đáp ứng các yêu cầu cơ bản sau:

- Có dải tỷ số truyền thích hợp lý, phân bố các khoảng thay đổi tỷ số truyền tối ưu, phù hợp với tính năng động lực học yêu cầu và tính kinh tế vận tải.

- Phải có hiệu suất truyền lực cao.

- Khi làm việc không gây tiếng ồn, chuyển số nhẹ nhàng, không phát sinh các tải trọng động khi làm việc,

1.1.3. Phân loại.

Tùy theo những yếu tố căn cứ để phân loại, hộp số được phân loại như sau:

1.1.3.1. Theo đặc điểm thay đổi tỷ số truyền: hộp số vô cấp và hộp số có cấp.

- Hộp số vô cấp được dùng để tạo thành HTTL vô cấp, trong đó hộp số có tỷ số truyền biến đổi liên tục, trong khoảng tỷ số truyền (R) định sẵn, từ thấp đến cao và ngược lại. Trên ô tô bộ truyền vô cấp thường gặp: biến mô men thủy lực, bộ truyền đai đặt biệt, .... 

1.1.3.2. Theo cấu trúc truyền lực giữa các bánh răng.

- Hộp số thường: các bánh răng ăn khớp ngoài với các trục cố định.

- Hộp số hành tinh: kết hợp ăn khớp trong và ăn khớp ngoài có trục di động.

1.1.3.3. Theo phương pháp điều khiển chuyển số của hộp số.

Điều khiển bằng tay, điều khiển tự động, và điều khiển bán tự động. Trong thời gian gần đây đã xuất hiện các hộp số cho phép làm việc theo phương pháp điều khiển bằng tay và điều khiển tự động tùy chọn bằng các nút chọn trên bảng điều khiển (hộp số có hai li hợp trên một số ô tô con).

1.1.3.5. Theo số tỷ số truyền chung của hộp số chính.

Theo số lượng số tiến là 3,4,5…

1.2. Một số loại hộp số phổ biến hiện nay.

1.2.1. Hộp số cơ khí thường (MT).

Cấu tạo hộp số cơ khí thông thường có cấp bao gồm các bộ phận cơ bản:

- Bộ phận nhận chức năng truyền và biến đổi mô men bào gồm: các cặp bánh răng ăn khớp, các trục và ổ đỡ trục vỏ hộp số.

- Bộ phận điều khiển chuyển số theo sự điều khiển của người lái và khả năng giữ nguyên trạng thái trong quá trình xe hoạt động, bao gồm: cần số, các đòn kéo, thanh trượt, nạng gài, khớp gài, cơ cấu định vị, khóa hãm, cớ cấu bảo hiểm số lùi.

1.2.1.1. Cấu trúc truyển mô men.

a. Hộp số 3 trục.

Ưu điểm:

- Ở số truyền thẳng, dòng lực truyền trực tiếp từ trục sơ cấp qua khớp gài tới trục thứ cấp. Các bánh răng làm việc không tải, hiệu suất truyền lực của hộp số là cực đại, thời gian làm việc chiếm 50% - 70% tổng thời gian chuyển động, do vậy hạn chế hao mòn bánh răng.

- Bánh răng của hộp số được sử dụng với hai loại bánh răng nghiêng và bánh răng thẳng. Các bánh răng có răng nghiêng giúp tăng khả năng chịu tải và giảm độ ồn, tuy nhiên trong thiết kế cần chịn chiều nghiêng hợp lý để hạn chế tối đa lực dọc trục tác dụng lên ổ đỡ trục.

Nhược điểm:

- Ổ bi phía trước của trục thứ cấp được đặt vào lỗ đằng sau của trục sơ cấp. Do điều kiện kết cấu của hộp số (kích thước trục sơ cấp), ổ bi này không thể làm to được, cho nên khi làm việc có lực tác dụng thì ổ bi này sẽ ở tình trạng căng thẳng.

b. Hộp số 2 trục.

Ưu điểm:

- Các số truyền đều truyền qua 1 cặp bánh răng ăn khớp, cho phép nâng cao hiểu suất truyền lực, giảm nhỏ kích thước hộp số và phù hợp với ô tô con có động cơ và cầu trước chủ động.

- Với việc bố trí hộp số và cầu chủ động trong một không gian bao kín, cho phép sử dụng chung 1 loại dầu, nhưng có khối lượng dầu đủ lớn và tạo khoang chứa dầu hợp lý, thuận lợi bôi trơn vung té.

Nhược điểm:

- Do chỉ truyền qua 1 cặp bánh răng ăn khớp nên giá trị tỷ số truyền không cao. Để đảm bảo tỷ số truyền phù hợp điều kiện chuyển động thì kích thước hộp số sẽ lớn.

1.2.1.2. Bộ phận điều khiển chuyển số.

Bộ phận điều khiển chuyển số trong hộp số có cấp yêu cầu:

- Điều khiển chuyển số nhanh chóng,

- Thiết lập một vị trí gài cà giữ ổn định các vị trí gài,

- Đảm bảo: gài hết chiều dài cần thiết trong khớp gài, có vị trí trung gian để động cơ làm việc không tải lâu dài (ngắt dòng truyền mô men),

- Hạn chế (hoặc oại trừ) khả năng va đập, gây ồn trong chi tiết truyền mô men của hộp số,

- Có khả năng toa cảm giác khi thực hiện gài số lùi.

Cơ cấu hoạt động:

Vị trí số trung gian

Mỗi bánh răng số được vào khớp với bánh răng bị động tương ứng và chạy lồng không trên trục.

Bắt đầu quá trình đồng tốc

Khi dịch chuyển cần chuyển số, cần chuyển số nằm trong rãnh trong ống trượt, dịch chuyển theo chiều mũi tên.

1.2.2. Hộp số tự động (AT).

Hiện nay có rất nhiều hộp số tự động, chúng được cấu tạo theo một vài cách khác nhau nhưng các chức năng cơ bản và nguyên lý hoạt động của chúng là giống nhau.

- Hộp số cơ cấu hành tinh Wilson (nối tiếp, song song).

- Hộp số cơ cấu hành tinh Simpson.

- Hộp số cơ cấu hành tinh ravigneaux.

1.2.3. Hộp số ly hợp kép (DCT).

Người đã sáng tạo ra hệ thống ly hợp kép là một kỹ sư ôtô người Pháp tên là Adolphe Kegresse được biết đến nhiều nhất trong vai trò người đã phát triển loại xe half-track (với bánh lốp đằng trước và bánh xích phía sau), giúp chiếc xe có thể vượt qua nhiều loại địa hình phức tạp. Năm 1939, Kegresse đã có những ý tưởng đầu tiên về hệ thống hộp số trang bị ly hợp kép. 

1.2.4. Hộp số vô cấp (CVT).

Cấu tạo của hộp số vô cấp gồm:

- Đai truyền bằng kim loại hay cao su có công suất cao.

- Một hệ bánh đai có đầu vào thay đổi gắn với trục quay động cơ.

- Một hệ bánh đai đầu ra dẫn đến bánh xe.

- CVT cũng có bộ vi xử lí và các cảm biến để theo dõi và điều khiển.

1.3. Lựa chọn phương án thiết kế.

Dựa vào phân loại hộp số cơ khí thông thường theo số trục ta có hai phương án lựa chọn:

- Hộp số 3 trục

- Hộp số 2 trục

Đề tài tốt nghiệp em lựa chọn “Thiết kế hộp số xe toyota Vios 2016”. Xe con Vios 2016 có động cơ đặt trước, cầu trước chủ động. Dựa trên việc phân tích ưu nhược điểm của hộp số 2 trục và 3 trục, em lựa chọn hộp số 2 trục.

Hộp số 2 trục có thể bố trí với 4, 5 hay nhiều cấp số truyền. Số lượng cấp số truyền càng lớn, càng sử dụng tốt hơn công suất động cơ, tính kinh tế nhiên liệu cao hơn. Tuy nhiên hộp số điều khiển bằng tay, kết cấu hộp số, bộ phận điều khiển chuyển số phức tạp. Vậy nên lựa chọn hộp số 5 cấp số truyền cho ô tô con.

Xét trên yêu cầu thiết kế ta trọn hộp số 2 trục 5 số tiến.

CHƯƠNG II. TÍNH TOÁN THIẾT KẾ HỘP SỐ.

2.1. Tính toán thiết kế hộp số.

Dựa vào một số thông số theo xe tham khảo Vios 1.5E (MT) lắp ráp tại Việt Nam, em xin đưa ra bảng thông số tính toán của mình.

Bảng thông số tính toán như bảng 2.1.

2.1.1. Tính toán tỷ số truyền.

Theo xe tham khảo:  i0 = 4,06

2.1.2. Xác định tỷ số truyền tay số 1.

Thay vào ta có tỷ số truyền tay số 1: 2,58 < ih1 < 4,31

Ta chọn ihi = 3.54 (theo xe tham khảo)

2.1.3. Tính toản các thông số cơ bản của bánh răng.

Tỷ số truyền của các tay số trung gian được xác định theo các biểu thức:

I1=1,41 . 0.89 = 1,26;

I2=1,41 . 1,26 = 1,77;

I3=1,41 . 1,77 = 2.51;

Ta có các tỷ số truyền của các tay số trung gian là:  ih2= 2,51;  ih3= 1,77; ih4= 1,26; ih5= 0,89.

Trị số của tỷ số truyền lùi được chọn được chọn theo xe tham khảo: ihL = 3,25 (theo xe tham khảo)

2.1.3.1. Xác định khoảng cách giữa các trục.

Tải trọng tính từ động cơ đến hộp số là: Memax = 140 Nm.

Ta có aw = 75.3 mm.

Theo giá trị tiêu chuẩn chọn aw = 80 mm.

2.1.3.2. Chọn thông số mô đun và góc nghiêng răng β.

Các bánh răng nghiêng trong hộp số ô tô được chế tạo với các răng nghiêng để giảm độ ồn làm việc cũng như tăng độ bền của răng. Góc nghiêng của răng được chọn trong khoảng:

Đối với hộp số hai trục ô tô con β = 20 ÷ 250

 ta chọn β=200. Riêng các bánh răng số lùi ta chế tạo là răng thẳng vì khi chuyển số ở các tay số này chúng ta dùng nạng gạt.

2.1.3.3. Xác định số răng.

Đối với hộp số 2 trục, tỷ số truyền của hộp số ở tay số i bất kỳ ihi được tạo ra bởi một cặp bánh răng duy nhất, nên sau khi đã chọn được aw , m, β có thể tính số răng của bánh răng chủ động zi trong các cặp bánh răng.

Vậy số răng của các bánh răng trên trục chủ động:

z1 = 13;  z2 = 17;  z3 = 22;  z4 = 27;  z5 = 32;

Số răng của các bánh răng trên trục bị động:

z1’ = 47; z2’ = 43; z3’ = 39; z4’ = 34; z5’ = 28;

- Xác định số răng của bánh răng tay số lùi:

Với ihL = 3,25, ta chọn ZL =13;  Z’L = 42, ZL1 = 20.

2.1.3.4. Xác định lại chính xác tỷ số truyền và khoảng cách trục hộp số.

Tỷ số truyền của hộp số khi đã chọn số răng của các bánh răng.

Chọn khoảng cách trục chính xác là : a= 80 mm.

2.1.3.6. Dịch chỉnh.

Sau khi tính toán lại khoảng cách trục có sự sai lệch để giải quyết sự sai lệch đó chúng ta có hai giải pháp: thay đổi góc nghiêng của các bánh răng hoặc dịch chỉnh các bánh răng.

- Thay đổi góc nghiêng của các bánh răng: Thông thường biện pháp này người ta ít dùng vì nó sẻ gây khó khăn cho công nghệ chế tạo máy và sửa chữa các bánh răng trong hộp số.

- Dịch chỉnh các bánh răng ăn khớp với nhau: Biện pháp này được dùng nhiều vì chúng ta có thể dể dàng dịch chỉnh nhờ thay dổi khoảng cách giữa giao thanh răng và bánh răng cần chế tạo trong quá trình chế tạo.

Xác định góc ăn khớp trong bánh răng nghiêng αtw, với góc profin gốc α = 20o, góc profin răng được tính:

αt = arctg(tgα/cosβ) = 21,17o

2.1.3.8. Các kích thước cơ bản của cặp bánh răng số lùi.

Các bánh răng số lùi là các bánh răng trụ răng thẳng, chọn modul m = 2.5, góc profin gốc α = 20o.

2.2. Tính bền bánh hộp số.

2.2.1. Chế độ tải trọng.

2.2.1.1. Mô men truyền đến các trục.

Trục sơ cấp:  Ms = Me = 140 (Nm)

Trục thứ cấp:

- Tay số 1:     Mtc1 = Me.ih1 = 506,2 (Nm)

- Tay số 2:     Mtc1 = Me.ih1 = 354,1 (Nm)

- Tay số 2:     Mtc1 = Me.ih1 = 241,8 (Nm)

- Tay số 2:     Mtc1 = Me.ih1 = 171,1 (Nm)

- Tay số 2:     Mtc1 = Me.ih1 = 122,5 (Nm)

Tay số lùi:     ML1 = Me.iL1 = 215,4 (Nm)

ML’ = ML1.iL’= 455 (Nm).

2.2.1.2. Lực tác dụng lên các bánh răng.

Công thức tính các lực tác dụng lên bánh răng. Đối với bánh răng nghiêng:

- Lực vòng: Ft = 2.Mt /d ,

- Lực hướng kính: Fr = Ft .tgαtw ; Fr = Ft .tgα  đối với bánh răng thẳng,

- Lực dọc trục: Fa = Ft . tgβ ; Fa = 0 đối với bánh răng thẳng.

2.2.2. Tính bền bánh răng.

2.2.2.1. Tính bền theo ứng suất uốn.

Ứng suất uốn răng của các bánh răng hộp số thường nằm trong phạm vi giới hạn sau:

- ở các tay số 1và 2: 350÷840 (MN/m2)

- ở các tay số 3, 4 và 5: 150÷400 (MN/m2)

- ở tay số lùi: 300÷1200 (MN/m2).

Vậy các bánh răng đảm bảo điều kiện bền theo ứng suất uốn.

2.2.2.2. Tính bền theo ứng suất tiếp xúc.

Ứng suất tiếp xúc đối với các bánh răng hộp số thường nằm trong khoảng:

tx]=1000÷2500MN/m2  đối với bánh răng nghiêng

tx]=1500÷3000MN/m2  đối với bánh răng thẳng      

Vậy các bánh răng đảm bảo điều kiện bền theo ứng suất tiếp xúc.

2.3. Tính toán trục hộp số.

2.3.1. Chọn vật liệu trục.

Chọn vật liệu chế tạo các trục là thép 45 có σb = 600 Mpa, ứng uất xoắn cho phép [τ] =12…50 Mpa. Chọn [τ]=50 Mpa.

2.3.3. Tính bền trục.

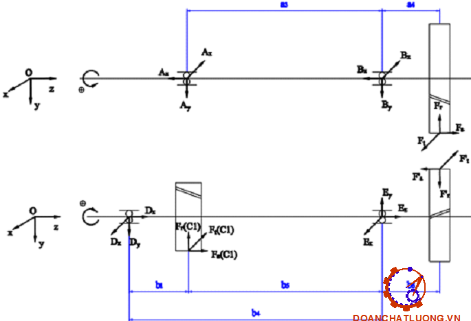
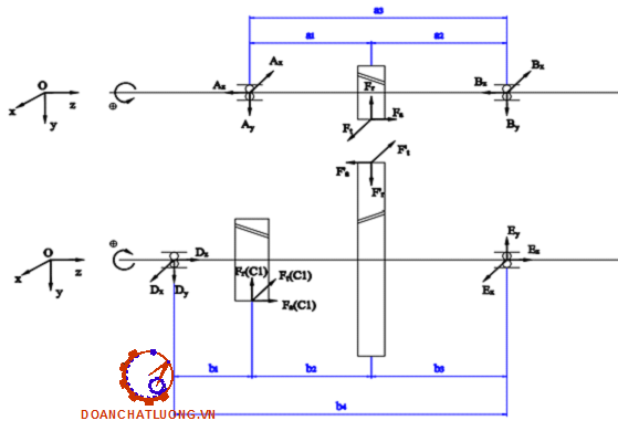
2.3.3.1. Sơ đồ đặt lực chung.

Sơ đồ đặt lực chung cho các tay số từ 1 đến 4

2.3.3.2. Khoảng cách giữa các điểm đặt lực.

- Chiều rộng bộ đồng tốc bđt = 50 mm. Đối với chiều rộng bộ đồng tốc bố trí thêm bánh răng số lùi có b’đt = 60 mm.

- Khoảng cách từ mặt cạnh bánh răng đến thành trong vỏ hộp k1 = 5 mm.

- Khoảng cách giữa mặt cạnh bánh răng đặt sát nhau k2 = 5 mm.

2.4. Tính toán ổ lăn

Ổ lăn  hộp số ô tô được chọn theo khả năng làm việc với chế độ tải trọng trung bình. Ổ bi cần phải đảm đảm bảo yêu cầu làm việc bền lâu khi kích thước của ổ nhỏ. Trong một số trường hợp kích thước của ổ được chọn tăng lên để đảm bảo điều kiện lắp ghép giữa các chi tiết trong hộp số hoặc để nâng cao độ cứng vững của các chi tiết trong hộp số.

Hệ số khả năng làm việc của ổ bi được xác định theo công thức:

C = R. K1 . Kđ . Kt . (nt . h)0.3

Đối với ổ bi hướng kính loại tựa tại ổ B và D dưới tác dụng của tải trọng hướng kính A, phát sinh ra thành phần chiều trục S được xác định theo công thức:

S = 1,3.A.tgβ

Ở đây: β - góc tiếp xúc của thanh lăn, chọn β = 120.

Tải trọng quy dẫn được tính như sau: Rqi = A + m(Q – S)

Lựa chọn ổ lăn tại B, E theo khả năng tải động C, tra cứu ổ bi đỡ - chặn (GOST 831-75) trang 263 sách Tính toán thiết kế hệ dẫn động cơ khí, tập 1.

Đối với ổ đỡ tại A, D chọn ổ bi đũa không vòng trong được tra trong sổ tay ổ lăn NSK.

CHƯƠNG III. CHẨN ĐOÁN BẢO DƯỠNG HỘP SỐ

3.1. Một số lưu ý khi sử dụng.

+ Ra vào số đúng tốc độ

Tránh mài côn, sang số khi máy còn yếu. Có một thực tế là, hầu hết các tài xế ở Việt Nam thường sang số khi máy chưa đủ vòng tua khiến xe bị ỳ, không thoát máy. Nếu chưa đạt đủ tốc độ đã vào số cao sẽ làm cho xe ỳ, đạp ga xe không tăng tốc được (chạy ép số). Thông thường ngưỡng sang số hợp lý trung bình vào khoảng 2.500 vòng/phút khi từ số 1 vào số 2. 

+ Sử dụng chân côn hợp lý

Khi sử dụng côn, điều làm côn mau mòn không phải là do dùng nhiều hay chạy rà côn, mà chính là cho côn tiếp xúc với bánh đà của máy một cách đột ngột, hoặc tốc độ bánh đà của máy và sơ cấp ly hợp khi tiếp xúc không cùng vận tốc, tốc độ xe với vòng tua máy không phù hợp. 

+ Không nên lạm dụng số 0

- Khi đang đi trên đường mà trả xe về số 0 là việc không nên làm, vì thực tế không tiết kiệm được xăng, mà còn làm quán tính của xe tăng đột ngột, dẫn tới tình trạng khó kiểm soát tốc độ, dễ bị mất lái.

- Về số 0 khi xuống dốc là một việc làm hết sức nguy hiểm, vì khi đó, tốc độ xe tăng theo gia tốc, phanh rất khó phát huy tác dụng.

3.2. Chẩn đoán bảo dưỡng hộp số.

3.2.1. Quy trình tháo.

- Tháo hộp số ra khỏi xe:

Tháo hộp số ra khỏi xe thể hiện nhue bảng 3.1.

- Tháo hộp số ra chi tiết:

Cách thức tháo một hộp số đều khác nhau tùy thuộc vào mỗi loại, để tháo lắp cho dễ thì ta nên xem kỹ hộp số thuộc loại nào và xem sách hướng dẫn bảo trì nếu có, vì việc tháo lắp hộp số rất quan trọng. Nếu tháo lắp không phù hợp sẽ dẫn đến hư hỏng hộp số.

3.2.2. Vệ sinh hộp số.

3.2.3. Chẩn đoán bảo dưỡng hộp số.

3.2.3.1. Kiểm tra sửa chữa chi tiết.

Nắp và vỏ hộp số

+ Hư hỏng :

- Bị nứt, vỡ do van chạm làm chảy dầu bôi trơn.

- Bị chờn ren ở lỗ ren do tháo lắp không đúng kỹ thuật.

+ Kiểm tra:

- Kiểm tra các vết nứt, vỡ, chờn ren bằng quan sát hoặc gõ nhẹ nếu nghe tiếng kêu rè là bị nứt.

- Kiểm tra đường kính các lỗ lắp vòng bi bằng panme, xác định độ mòn so với tiêu chuẩn.

Bánh răng

+ Hư hỏng:

- Bề mặt bánh răng bị mòn tróc, rỗ, đầu răng bị sứt mẻ, do ma sát, va đập và mỏi.

- Rãnh then hoa mòn do ma sát.

+ Kiểm tra:

- Kiểm tra bánh răng sứt mẻ, tróc, rỗ bằng cách quan sát.

- Kiểm tra độ mòn bánh răng bằng dưỡng hoặc ép dây chì đo khe hở ăn khớp từ đó xác định được độ mòn.

+  Sửa chữa:

- Nếu răng của bánh răng sứt mẻ quá 20% chiều dài và ở hai răng liền nhau hoặc quá năm răng trong một bánh răng phải thay mới.

- Ở mặt làm việc của răng nếu vết rỗ, vỡ sâu quá 0,03mm, diên tích quá 3  trong mỗi răng và ít nhất năm răng thì phải thay mới.

Bộ phận điều khiển

+ Tay gài số:

- Thường mòn ở khớp cầu và mòn ở đầu tay gài số nơi tiếp xúc với rãnh trượt càng cua. Nếu mòn quá 0,15 mm phải hàn đấp và gia công lại hình dáng kích thước ban đầu.

- Nếu cong thì nắn lại

+ Trục trượt:

- Trục trượt mòn ở vị trí tiếp xúc với nắp hộp số và mòn các bánh rãnh của cơ cấu định vị, khóa số, nếu đường kính trục trượt mòn quá 0,05 ÷ 0,12 mm thì thay mới.

3.2.3.2. Những hư hỏng thường gặp.

Bánh răng kêu khi sang số:

Hiện tượng:

Tiếng kêu hoặc tiếng nghiến các răng nghe thấy được từ bên trong hộp số khi lên số hoặc lùi số trong khi lái xe.

Khó gài số:

Các vấn đề khi chuyển số có thể là khi chuyển số cần một lực vận hành lớn để ăn khớp hoặc nhả khớp bánh răng.

Tiếng ồn hộp số:

Vấn đề này là tiếng ồn trong hộp số vì khe hở do mòn các chi tiết bên trong; tiếng kêu lạch cạch, hoặc tiếng ồn do rung động từ cần chuyển số.

3.2.4. Quy trình lắp.

- Được thực hiện ngược lại với khi tháo nhưng cần chú ý: Các chi tiết được tháo ra phải vệ sinh sạch sẽ trước khi lắp.

- Đảm bảo các chi tiết lắp phải đúng vị trí, đúng gờ, đúng chiều và đầy đủ.

- Tránh làm hỏng các chi tiết.

- Các đệm làm kín phải kín không bị rách hoặc hư hỏng.

CHƯƠNG IV. KẾT LUẬN.

Như vậy ở các mục trên em đã trình bày về quy trình tính toán thiết kế hộp số xe Toyota Vios 2016. Sau một thời gian làm đồ án tốt nghiệp, được sự hướng dẫn tận tình của thầy: TS……………… em đã hoàn thành việc tính toán thiết kế hộp số xe Toyota Vios 2016 đúng tiến độ được giao. Trong quá trình tính toán với sự hướng dẫn của thầy, em đã giải quyết được những khúc mắc, khó khăn trong việc thiết kế và đã vận dụng linh hoạt kiến thức của các môn học cơ bản và chuyên nghành vào việc hoàn thành đồ án tốt nghiệp của mình.Trong quá trình tính toán thiết kế làm đồ án, thêm một lần nữa em được hiểu sâu hơn về kết cấu, nguyên lý hoạt động của ô tô nói chung và hệ thống truyền lực nói riêng. Mặc dù đã hết sức cố gắng nhưng vì thời gian hoàn thiện có hạn, cũng như các kiến thức thực tế còn chưa nhiều nên trong quá trình hoàn thiện em không tránh khỏi những sai sót. Em rất mong sự chỉ bảo của các thầy, cô trong bộ môn để em hoàn thiện tốt hơn đồ án tốt nghiệp này.

TÀI LIỆU THAM KHẢO

1. Nguyễn Trọng Hoan  - Tập bài giảng tính toán thiết kế ôtô  - Trường Đại Học Bách Khoa Hà Nội - Viện Cơ Khí Động Lực - Bộ Môn ôtô.

2. Lê Thị Vàng  - Hướng dẫn bài tập lớn - Trường Đại Học Bách Khoa Hà  Nội - Viện Cơ Khí Động Lực - Bộ Môn ôtô.

3. Trịnh Chất - Lê Văn Uyển - Tính toán thiết kế hệ dẫn động cơ khí.

4. Nguyễn Văn Tài  -  Đồ án môn học thiết kế hốp số chính ôtô – máy kéo

5. Nguyễn Khắc Trai, Nguyễn Trọng Hoan, Hồ Hữu Hải, Phạm Huy Hường, Nguyễn Văn Trưởng, Trịnh Minh Hoàng - Kết cấu ôtô - nhà xuất bản Bách Khoa Hà Nội.

6. Lưu Đức Bình - Giáo trình công nghệ chế tạo máy – Bộ môn cơ khí chính xác - Trường Đại Học Bách Khoa Hà Nội.

"TẢI VỀ ĐỂ XEM ĐẦY ĐỦ ĐỒ ÁN"