ĐỒ ÁN TÍNH TOÁN THIẾT KẾ HỆ THỐNG LÁI XE TẢI 8 TẤN

Mã đồ án OTTN003021825
Đánh giá: 5.0
Mô tả đồ án

     Đồ án có dung lượng 360MB. Bao gồm đầy đủ các file như: File bản vẽ cad 2D (Bản vẽ các phương án lựa chọn thiết kế, bản vẽ kết cấu cơ cấu lái xylanh lực và van phân phối, bản vẽ nguyên lý trợ lực, bản vẽ đặc tính quay vong và đặc tính cường hóa, bản vẽ những hư hỏng chính và trình tự tháo hệ thống lái); file word (Bản thuyết minh, bản trình chiếu bảo vệ Power point…). Ngoài ra còn cung cấp rất nhiều các tài liệu chuyên ngành, các tài liệu phục vụ cho thiết kế đồ án........... TÍNH TOÁN THIẾT KẾ HỆ THỐNG LÁI XE TẢI 8 TẤN.

Giá: 950,000 VND
Nội dung tóm tắt

MỤC LỤC

MỤC LỤC………1

LỜI NÓI ĐẦU……2

CHƯƠNG 1: TỔNG QUAN HỆ THỐNG LÁI 4

1.1.Nhiệm vụ,yêu cầu,phân loại 4

1.1.1.Nhiệm vụ hệ thống lái 4

1.1.2.Yêu cầu hệ thống lái 5

1.1.3.Phân loại hệ thống lái 6

1.2.Các cơ cấu lái thường dùng trên ô tô. 7

1.2.1.Kết cấu hệ thống lái 7

1.2.1.1.Vành lái 7

1.2.1.2.Trục lái 7

1.2.1.3.Cơ cấu lái 8

1.2.1.4.Các cơ cấu lái thường dùng. 10

1.2.1.5.Dẫn động lái 12

1.2.1.6.Các góc đặt bánh xe. 15

1.2.1.7.Hệ thống lái có trợ lực. 18

CHƯƠNG 2: TÍNH TOÁN THIẾT KẾ HỆ THỐNG LÁI 20

2.1.Giới thiệu xe tham khảo. 20

2.1.1.Giới thiệu chung về xe tải huyndai HD8000. 20

2.1.2.Thông số kỹ thuật 21

2.2.Lựa chọn phương án thiết kế. 23

2.2.1.Chọn phương án dẫn động lái 23

2.2.2.Chọn phương án cơ cấu lái 23

2.2.3.Lựa chọn trợ lực lái 23

2.3.Tính toán thiết kế hệ thống lái 28

2.3.1.Tính toán động lực học hình thang lái 28

2.3.1.1.Xây dựng đường cong lý thuyết 28

2.3.1.2.Xây dựng đường cong thực tế. 29

2.3.2.Tính toán thiết kế cơ cấu lái trục vít - êcu bi - cung răng. 31

2.3.2.1.Lực cực đại tác dụng lên vô lăng. 31

2.3.2.2.Thiết kế trục vít- êcu bi 34

2.3.2.3.Thiết kế bộ truyền thanh răng - cung răng. 38

2.3.3.Tính bền các chi tiết còn lại của hệ thống lái 41

2.3.3.1.Tính bền trục lái 41

2.3.3.2.Kiểm tra bền đòn quay đứng. 42

2.3.3.3.Kiểm tra bền các thanh kéo. 44

2.3.3.4.Kiểm tra bền đòn bên. 47

2.3.3.5.Kiểm tra bền Rô-tuyn. 48

2.3.4.Tính trợ lực lái 50

2.3.4.1. Nguyên lý hoạt động của cường hoá lái 50

2.3.4.2.Tính toán xylanh lực. 52

2.3.4.3.Tính sơ bộ hành trình làm việc của Piston. 55

2.3.4.4.Xác định lưu lượng của bơm dầu. 56

2.3.4.5.Tính toán các chi tiết của van phân phối 57

CHƯƠNG 3: KHAI THÁC KỸ THUẬT HỆ THỐNG LÁI 60

3.1.Các phương pháp và quy trình chuẩn đoán hệ thống lái 60

3.1.1.Các phương pháp. 60

3.1.2.Quy trình chuẩn đoán. 60

3.1.2.1.Đo độ rơ vành lái 60

3.1.2.2.Đo giá trị lực vành lái lớn nhất 60

3.1.2.3.Đo góc quay bánh xe dẫn hướng. 60

3.1.2.4.Kiểm tra qua tiếng ồn. 61

3.1.2.5.Chuẩn đoán khi thử trên đường. 61

3.1.2.6.Xác định khả năng ổn định chuyển động thẳng khi trên đường thử. 61

3.2.Quy trình tháo lắp hệ thống lái 62

3.2.1.Trình tự tháo,lắp hệ thống lái 62

3.2.1.1.Trình tự tháo. 62

3.2.1.2.Trình tự lắp. 63

3.3.Quy trình kiểm tra ,bảo dưỡng ,sửa chữa hệ thống lái 64

3.3.1.Quy trình kiểm tra. 64

3.3.1.1.Kiểm tra, điều chỉnh hệ thống lái 64

3.3.2.Bảo dưỡng kỹ thuật hệ thống lái 68

3.3.2.1.Những hư hỏng chính. 68

3.3.2.2.Bảo dưỡng kỹ thuật hệ thống lái 70

3.3.2.3.Điều chỉnh  cơ cấu lái 70

3.3.2.4.Kiểm tra dẫn động lái và khắc phục khe hở. 70

3.3.3.Sửa chữa hệ thống lái 70

KẾT LUẬN.. 72

TÀI LIỆU THAM KHẢO. 73

LỜI NÓI ĐẦU

Ngày nay, nhu cầu về giao thông vận tải ở nước ta ngày càng tăng cùng với sự phát triển mạnh mẽ của nền kinh tế. Ôtô đóng một vai trò rất quan trọng trong giao thông vận tải. Số lượng hành khách và hàng hoá được vận chuyển bằng ôtô chiếm một số lượng lớn trong tổng số hành khách và hàng hoá vận chuyển hàng năm của tất cả các loại phương tiện. Đó là do ôtô có khả năng cơ động cao, có thể vận chuyển được hàng hoá trên nhiều loại địa hình.

Do điều kiện kinh tế xã hội ở nước ta mà số lượng ôtô tải chiếm một số lượng lớn. Trong đó, những loại xe ôtô có tải trọng trung bình với ưu điểm về khả năng cơ động và mang lại hiệu quả kinh tế khi vận chuyển khối lượng hàng hoá nhỏ trên một quãng đường trung bình. Hiện nay ngành công nghiệp ô tô ở nước ta đang phát triển mạnh mẽ và ngày càng khẳng định vai trò to lớn của mình trong các ngành công nghiệp trọng điểm của quốc gia. Nhận thấy tiềm năng của công nghiệp ô tô nên nước ta đã chủ động mở cửa cho các nhà đầu tư nước ngoài xây dựng các nhà máy lắp ráp cũng như sản xuất linh kiện ô tô trong nước góp phần giải quyết vấn đề nhân lực cũng như thúc đẩy kinh tế, đóng góp không nhỏ vào nguồn thu của chính phủ. Với tốc độ phát triển mạnh mẽ như vậy càng đòi hỏi nguồn nhân lực trong ngành công nghiệp ô tô cần phải có trình độ và chuyên môn cao. Điều đó đang được thể hiện bằng việc ra đời rất nhiều trung tâm chuyên nghiên cứu phát triển công nghệ, thiết kế tính toán, mô phỏng lắp ráp ô tô… Trong các trường đại học việc khuyến khích sinh viên nghiên cứu các công nghệ mới trên ô tô hiện đại cũng đang được sinh viên nhiệt tình tham gia.

Một trong những hệ thống đặc biệt quan trọng của ô tô là hệ thống lái. Hệ thống này có chức năng điều khiển hướng chuyển động của ô tô, nó đảm bảo tính năng ổn định chuyển động thẳng cũng như quay vòng của bánh xe dẫn hướng. Trong quá trình chuyển động hệ thống lái có ảnh hưởng trực tiếp đến an toàn của người sử dụng, đặc biệt với các loại xe hiện đại có tốc độ cao. Do đó người ta không ngừng cải tiên hệ thống lái để nâng cao tính năng của nó. Bởi vậy chúng em đã được giao nhiệm vụ “Thiết kế tính toán hệ thống lái xe tải 8 tấn”.

Trong quá trình thực hiện không  tránh khỏi những thiếu sót, em rất mong nhận được sự chỉ bảo và ghóp ý của các thầy và các bạn. Trong quá  trình làm đồ án, em đã được sự hướng dẫn tận tình của thầy: TS……………… và sự giúp đỡ của các bạn cùng lớp.

 Em xin chân thành cảm ơn!

                                                                                                           Vĩnh Phúc,ngày … tháng … năm 20…

                                                                                                        Sinh viên thực hiện

                                                                                                        …………….

CHƯƠNG 1: TỔNG QUAN HỆ THỐNG LÁI

1.1.Nhiệm vụ,yêu cầu,phân loại

1.1.1.Nhiệm vụ hệ thống lái

 - Hệ thống lái của ôtô dùng để thay đổi hướng chuyển động của ôtô nhờ  quay vòng các bánh xe dẫn hướng cũng như để giữ  phương chuyển động thẳng hay chuyển động cong của  ôtô khi  cần thiết .

 - Việc điều khiển hướng chuyển động của xe được thực hiện như sau: vành lái tiếp nhận lực tác động của người lái và truyền vào hệ thống lái, trục lái truyền mômen từ vô lăng tới cơ cấu lái, cơ cấu lái tăng mômen truyền từ vành lái tới các thanh dẫn động lái, các thanh dẫn động lái truyền chuyển động từ cơ cấu lái đến các bánh xe dẫn hướng. Kết cấu lái phụ thuộc vào cơ cấu chung của xe và của từng chủng loại xe.      

+ Trong thực tế xe thường chuyển động ở tốc độ lớn, do vậy quá trình quay vòng là động, trạng thái quay vòng đủ ít xảy ra mà thường gặp là trạng thái quay vòng thiếu và quay vòng thừa xảy ra trên cơ sở của việc thay đổi tốc độ chuyển động, sự đàn hồi của lốp và hệ thống treo.

 + Khi quay vòng thiếu, để thực hiện quay vòng xe theo bán kính R0 người lái phải tăng góc quay vành lái một lượng qvl. Khi quay vòng thừa, để thực hiện  quay vòng xe theo bán kính R0 người lái phải giảm góc quay vành lái  một lượng  qvl.

1.1.2.Yêu cầu hệ thống lái

Một trong các hệ thống quyết định đến tính an toàn và ổn định chuyển động của ôtô là hệ thống lái. Theo đó hệ thống lái cần đảm bảo các yêu cầu sau:

 - Đảm bảo tính năng vận hành cao của ôtô có nghĩa là khả năng quay vòng nhanh và ngặt trong một thời gian rất ngắn trên một diện tích rất bé

 - Lực tác động lên vành lái nhẹ, vành lái nằm ở vị trí tiện lợi đối với người lái

 - Đảm bảo được động học quay vòng đúng để các bánh xe không bị trượt lết khi quay vòng

1.1.3.Phân loại hệ thống lái

- Theo cách bố trí vành lái

 + Hệ thống lái với bố trí bên trái

 + Hệ thống lái với bố trí bên phải

- Theo số lượng cầu dẫn hướng

 + Hệ thống lái với các bánh dẫn hướng ở cầu trước.

 + Hệ thống lái với các bánh dẫn hướng ở cầu sau.

1.2.Các cơ cấu lái thường dùng trên ô tô

1.2.1.Kết cấu hệ thống lái

1.2.1.1.Vành lái

- Vành lái có dạng vành tròn. Lực của người lái tác dụng lên vành lái tạo ra mô men quay để hệ thống lái làm việc. Mô men tạo ra trên vành lái là tích số của lực người lái trên vành tay lái với bán kính của vành lái.

Mvl=Pl.rvl.

Trong đó:

Mvl : Là mô men vành lái

Pl :  Là lực mà người lái tạo ra trên vành lái

rvl : Là bán kính vành lái.

- Vành lái của bất kỳ loại ôtô nào cũng có độ dơ nhất định, với xe con không được vượt quá 8 .

1.2.1.2.Trục lái

- Trục lái có nhiệm truyền mômen lái xuống cơ cấu lái. Trục lái gồm có trục lái chính có thể chuyển động truyền chuyển động quay của vô lăng xuống cơ cấu lái và ống truc lái để cố định trục lái vào thân xe. Trục lái kết hợp với một cơ cấu hấp thụ va đập. Cơ cấu này hấp thụ lực dọc trục tác dụng lên người lái khi có va đập  mạnh hoặc khi tai nạn xảy ra.

- Trục lái thường có hai loại: Loại trục lái có thể thay đổi được góc nghiêng và loại trục lái không thay đổi được góc nghiêng.

1.2.1.3.Cơ cấu lái

- Cơ cấu lái là bộ giảm tốc đảm bảo tăng mô men tác động của người lái đến các bánh xe dẫn hướng. Tỷ số truyền của cơ cấu lái thường bằng 18 đến 20 đối với xe con và bằng từ 21 đến 25 đối với xe tải .

 Các yêu cầu của cơ cấu lái.

- Cơ cấu lái cần phải đảm bảo những yêu cầu sau:

+ Có thể quayđược cả hai chiều để đảm bảo chuyển động cần thiết của xe.

+ Có hiệu suất cao để lái nhẹ, trong đó cần có hiệu suất thuận lớn hơn hiệu suất nghịch để các va đập từ mặt đường được giữ lại phần lớn ở cơ cấu lái

1.2.1.4.Các cơ cấu lái thường dùng

 a.Cơ cấu lái trục vít chốt quay

- Cơ cấu lái loại này gồm hai loại:

+ Cơ cấu lái trục vít và một chốt quay.

+ Cơ cấu lái trục vít và hai chốt quay.

- Ưu điểm:

+ Cơ cấu lái loại trục vít chốt quay có thể thay đổi tỷ số truyền theo yêu cầu cho trước. Tùy theo điều kiện cho trước khi chế tạo khi chế tạo trục vít ta có thể có loại cơ cấu lái chốt quay với tỷ số truyền không đổi.

b. Cơ cấu lái trục vít con lăn

Loại cơ cấu lái này được sử dụng rộng rãi nhất. Cơ cấu lái gồm trục vít glôbôit 1 ăn khớp với con lăn 2 (có ba tầng ren) đặt trên các ổ bi kim của trục 3 của đòn quay đứng. Số lượng ren của loại cơ cấu lái trục vít con lăn có thể là một, hai hoặc ba tuỳ theo lực truyền qua cơ cấu lái.

1.2.1.5.Dẫn động lái

- Dẫn động lái gồm những chi tiết truyền lực từ cơ cấu lái đến ngõng quay của bánh xe.    

- Dẫn động lái phải đảm bảo các chức năng sau:

 + Nhận chuyển động từ cơ cấu lái tới các bánh xe dẫn hướng.

 + Đảm bảo quay vòng của các bánh xe dẫn hướng sao cho không xảy ra hiện tượng trượt bên lớn ở tất cả các bánh xe, đồng thời tạo liên kết giữa các bánh xe dẫn hướng.

+ Trên hệ thống treo độc lập, số lượng các đòn và khớp tăng lên nhằm đảm bảo các bánh xe dịch chuyển độc lập với nhau.

+ Số lượng các đòn tăng lên tuỳ thuộc vào kết cấu của cơ cấu lái, vị trí bố trí cơ cấu lái, dẫn động lái và hệ thống treo…

1.2.1.6.Các góc đặt bánh xe

-  Để tránh trường hợp người lái vẫn phải tác động liên tục lên vô lăng để giữ xe ở trạng thái chạy thẳng, hoặc người lái phải tác dụng một lực lớn để quay vòng xe, các bánh xe được lắp vào thân xe với các góc nhất. Những góc này được gọi chung là góc đặt bánh xe. Nếu các góc đặt bánh xe không đúng thì có thể dẫn đến các hiện tượng sau:   

+ Khó lái.

+ Tính ổn định lái kém.

1.2.1.7.Hệ thống lái có trợ lực

a.Công dụng và sự cần thiết của hệ thống trợ lực lái

 - Trợ lực của hệ thống lái có tác dụng giảm nhẹ cường độ lao động của người lái. Trên xe có tốc độ cao, trợ lực lái còn nâng cao tính an toàn chuyển động khi xe có sự cố ở bánh xe và giảm va đập truyền từ bánh xe lên vành tay lái. 

b.Phân loại hệ thống trợ lực lái

- Dựa vào kết cấu và nguyên lý của van phân phối

+ Hệ thống lái trợ lực kiểu van trụ tịnh tiến

+ Hệ thống lái trợ lực kiểu van cánh

- Dựa vào vị trí của van phân phối và xi lanh lực

 + Hệ thống lái trợ lực kiểu van phân phối, xy lanh lực đặt chung trong cơ cấu lái.

 + Hệ thống lái trợ lực kiểu van phân phối, xy lanh lực đặt riêng .

CHƯƠNG 2: TÍNH TOÁN THIẾT KẾ HỆ THỐNG LÁI

2.1.Giới thiệu xe tham khảo

2.1.1.Giới thiệu chung về xe tải huyndai HD800

Xe tải Huyndai HD800 8 tấn là dòng sản phẩm xe có tải trọng 8 tấn  được nhập khẩu toàn bộ linh phụ kiện từ nhà máy Huyndai Hàn Quốc và được lắp ráp tại nhà máy Huyndai Đô Thành đây là sản phẩm xe được cải tiến và trang bị thông minh với cabin đạt tiêu chuẩn khí động lực học động cơ D4DB 4 kỳ 4 xilanh thẳng hàng vô cùng mạnh mẽ và có độ bền cao, khung gầm cầu Dymos có khả năng chịu tải trọng cao.Đặc biệt xe tích hợp lá nhíp 2 tầng giúp chở tải nặng mà không bị xệ nhíp.

2.1.2.Thông số kỹ thuật

Các thông số chính của xe

1. Tải trọng: 8000  kG

2. Trọng lượng phân bố lên cầu trước:

- Lúc có tải  :  2166   kG

3. Trọng lượng toàn bộ:11000 kG

4. Động cơ : D4DB-d

5. Dung tích xy lanh: 3907 (cc)

6. Công suất động cơ: Ne = 100 ps/rpm.

2.2.Lựa chọn phương án thiết kế

2.2.1.Chọn phương án dẫn động lái

Phần tử cơ bản của dẫn động lái là hình thang lái ĐANTÔ, nó được tạo bởi cầu trước, đòn kéo ngang và các đòn kéo bên. Sự quay vòng của ôtô rất phức tạp,để đảm bảo mối quan hệ động học của các bánh xe phía trong và phía ngoài khi quay vòng là một điều khó thực hiện. Hiện nay người ta chỉ đáp ứng gần đúng mối quan hệ động học đó bằng hệ thống khâu khớp và đòn kéo tạo nên hình thang lái.

2.2.3.Lựa chọn trợ lực lái

- Trợ lực điện, trợ lực điện - thuỷ, trợ lực cơ khí rất ít được sử dụng.

- Trợ lực khí chỉ dùng cho những xe tải hạng nặng có máy nén khí và cóbình khí nén.

- Như vậy, với xe tải cỡ trung bình ta sẽ dùng trợ lực thuỷ lực sử dụng van phân phối và xylanh lực.

Chọn phương án bố trí trợ lực:

* Phương án 1: Van phân phối, xy lanh lực  đặt chung trong cơ cấu lái.

- Sơ đồ bố trí:

-  Đặc điểm:

+ Với phương án bố trí này, xilanh lực và van phân phối đều nằm trong cơ cấu lái tạo thành một cụm bao gồm: xilanh lực – van phân phối – cơ cấu lái.

- Ưu điểm:

+ Gọn gàng, tốn ít đường ống, độ chậm tác dụng nhỏ, giảm được va đập truyền từ bánh xe lên vành lái. Tránh được khả năng phát sinh dao động của các bánh xe dẫn hướng do sự không ổn định động lực của cường hoá gây nên

-  Đặc điểm:

+ Với phương án bố trí này, xilanh lực và van phân phối đều nằm trong cơ cấu lái tạo thành một cụm bao gồm: xilanh lực – van phân phối – cơ cấu lái.

- Ưu điểm:

+ Gọn gàng, tốn ít đường ống, độ chậm tác dụng nhỏ, giảm được va đập truyền từ bánh xe lên vành lái. Tránh được khả năng phát sinh dao động của các bánh xe dẫn hướng do sự không ổn định động lực của cường hoá gây nên

- Đặc điểm:

+ Van phân phối và xilanh lực được đặt chung trong một cụm, cơ cấu lái đặt riêng rẽ.

- Ưu điểm:

+ Cường hoá bố trí theo kiểu này cho phép sử dụng được nhiều loại cơ cấu lái khác nhau, cơ cấu lái được giảm tải khỏi lực tác dụng của cường hoá.

- Nhược điểm:

+ Khuynh hướng gây nên sự dao động của các bánh xe dẫn hướng cao hơn ở hai phương án trên. Khi phải tăng đường kính xilanh lực sẽ gây khó khăn lớn cho việc bố trí cường hoá trên những loại xe có tính năng thông qua cao (sử dụng lốp có prôfin rộng) vì vị trí giữa dầm dọc và bánh xe bị hạn chế. 

* Phương án 4: Xy lanh lực, van phân phối và cơ cấu lái riêng biệt nhau.

- Sơ đồ bố trí:

- Đặc điểm:

+ Xilanh lực, van phân phối, cơ cấu lái là các cụm riêng biệt.

- Ưu điểm:

+ Với phương án bố trí này có thể sử dụng được nhiều loại cơ cấu lái khác nhau, dễ dàng bố trí xilanh lực, công suất của cường hoá dễ dàng thay đổi do xilanh lực có thể được nối với một khâu bất kỳ nào của dẫn động lái.

+ Giảm tải cho cơ cấu lái khỏi lực tác dụng của cường hoá.

- Từ lý thuyết quay vòng, để bánh xe lăn tinh khi quay vòng thì hệ thống lái phải đảm bảo mối quan hệ dưới đây của các bánh xe dẫn hướng.

cotga - cotgb                                     (2.1)

Trong đó:

B - khoảng cách giữa hai đường tâm trụ đứng,   B =1500 (mm)

L - chiều dài cơ sở của Ôtô,    L = 3360 (mm)

a - góc quay bánh xe dẫn hướng phía ngoài,

b - góc quay bánh xe dẫn hướng phía trong,

2.3.1.2.Xây dựng đường cong thực tế

- Các thông số của hình thang lái:

 B = 1500 (mm); n = 1400 (mm); m = 150 (mm); q = 19030’

 Xây dựng mối quan hệ a = f(b) với các thông số trên :

 Theo hình vẽ ta có:

  B = AH = EG = ED’ + D’F + FG

  ED’ = AD’.sin(q + b) = m.sin(q + b)

  FG = HC’.sin(q - a) = m.sin(q - a)

=> D’F = AH – ED’ – FG

D’F = B – m.sin(q + b) – m.sin(q - a)                                       (2.5)

- Sai lệch giữa giá trị thực tế và lý thuyết:

dmax = max½a tt- alt ½ = 0,22 < 10

Như vậy hình thang lái đảm bảo động học quay vòng.

Giá trị sai lệch d đạt max khi góc đánh lái là lớn nhất, d khá nhỏ khi góc quay vòng nhỏ và trung bình.

2.3.2.Tính toán thiết kế cơ cấu lái trục vít-êcubi-cung răng

2.3.2.1.Lực cực đại tác dụng lên vô lăng

Ta có: M1 = 10624,23.0,015.0,0225 = 3,59 (Nm)          

 Mômen cản ngang M2:

- Khi có lực ngang Y tác dụng lên bánh xe, do sự đàn hồi bên của lốp, diện tích tiếp xúc giữa lốp với mặt đường sẽ bị quay tương đối với mặt phẳng bánh xe.

- Điểm đặt của lực ngang Y sẽ dịch chuyển một đoạn x nào đó phía sau đối với trục bánh xe. Thừa nhận x = 1/4 chiều dài của bề mặt tiếp xúc giữa lốp với đường.

Ta có: Rbx = 0,96R

=> x = 0,14R

- Lốp trước kí hiệu: 7,00x16

- Chiều cao profin: H = 7,00  (inch)

- Đường kính lắp vành larăng: d = 16 (inch)

- Tỉ số profin : H/B’ = 0,82 

Với B’ là chiều rộng của lốp.

=> B’ = 0,82.7.25,4 = 145,796  (mm)

 Plmax =  468,7342 (N)                             

2.3.2.2.Thiết kế trục vít- êcu bi

a.Thông số hình học

 - Khi đánh lái trục vít bị xoay tạo ra lực vuông góc từ bề mặt rãnh vít qua các viên bi tác dụng vào bề mặt rãnh bi trên ê cu. Để đảm bảo động học quay vòng không thay đổi, ta giữ nguyên tỉ số truyền của cơ cấu lái. Vậy tỉ số truyền của cơ cấu lái trục vít - êcu bi, thanh răng – cung răng là : iw = 20,5

b.Thiết kế cặp truyền động trục vít - êcu bi

Chọn vật liệu:

+Trục vít được làm từ thép CrWM, tôi thể tích đạt độ rắn HRC 60.

+ Đai ốc bi dùng vật liệu thép 18CrMnTi, nhiệt luyện đai ốc đặt độ rắn HRC63.

=> Vậy theo tiêu chuẩn chọn ổ bi ta  ta chọn d1 = 25 (mm)

Chọn các thông số của bộ truyền :

Chọn đường kính bi: db = 8 (mm)

- Bước vít: t’ = db +5 =13 (mm)

- Bán kính rãnh lăn: r1 = 0,51db = 4,043 (mm)

- Đường kính vòng tròn qua các tâm bi :

Dtb = d1 + 2(r1 – c) = 25 + 2(4,043 – 0,03) = 33,03 (mm)

- Đường kính trong của đai ốc :

D1 = Dtb  + 2(r1 – c) = 33,026 + 2(4,043 – 0,03) = 41,05 (mm)

- Chiều sâu của prôfin ren :

h1 = 0,3db = 0,3.8 = 2,4 (mm)

- Đường kính ngoài của trục vít :

d = d1 + 2h1 = 25 + 2.2,4 = 29,8 (mm)

- Đường kính ngoài của êcu:

D = D1 – 2h1 = 41,05 – 2.2,4 = 36,25 (mm)

- Xác định khe hở hướng tâm:

D = D1 – (2.db + d1)

D = 41,05 – (2.8 + 25) = 0,052 (mm)

- Từ khe hở tương đối c = 0,002 và tải trọng riêng dọc trục theo các đồ thị ta xác định được ứng suất lớn nhất : smax  » 4000 (MN/m2)

Do [smax] = 5000 (MN/m2) đối với mặt làm việc của vít.

Vậy, smax £ [smax] thỏa mẫn điều kiện bền

2.3.3.Tính bền các chi tiết còn lại của hệ thống lái

2.3.3.1.Tính bền trục lái

Trục lái được làm bằng ống thép, vật liệu làm trục lái là thép 35, không nhiệt luyện, có ứng suất tiếp xúc cho phép: [tx] = 50 ¸ 80 MN/m2

Kích thước trục lái: Trục rỗng có đường kính ngoài Dtl = 30 mm

2.3.3.2.Kiểm tra bền đòn quay đứng

- Khi quay vành lái, trục đòn quay đứng chịu mômen lớn nhất so với tất cả các chi tiết của hệ thống lái. Lực cản quay vòng của các bánh xe dẫn hướngphụ thuộc vào phần trọng lượng của xe đặt lên trục trước, kích thước lốp, bánh xe quay vòng và nhiều nhân nhân tố khác, vì vậy mômen truyền từ cơ cấu lái tới cam quay bánh xe dẫn hương sẽ khác nhau đối với những xe khác nhau.

- Thêm vào đó là tỷ số giữa chiều dài của đòn quay đứng và đòn kéo ngang gần như bằng một, nên có thể xem như toàn bộ mômen để khắc phục lực cản quay vòng của các bánh xe dẫn hướng đều được truyền qua đòn quay đứng. Những va đập nghịch đảo tác động lên  một trong hai bánh xe dẫn hướng khi xe chạy trên mặt đường gồ ghề sẽ được truyền tới vành tay lái  và ở trên trường hợp này trục đòn quay đứng cũng chịu lực va đập toàn bộ.

- Kích thước :

+ Chiều dài: L1 = 180 (mm)

+ Khoảng cách từ điểm đặt lực tại tâm chốt cầu đến tiết diện nguy hiểm  I-I: l1 = 155 (mm).

+ Tiết diện tính toán: hình elíp có kích thước:a1= 40(mm);b1 = 30(mm).

+ Cánh tay đòn của đòn quay bị xoắn  c1 = 31 (mm)

Vậy ta lấy lực Q1 là : Q1 = 6939,8(N).

a. Kiểm tra bền đòn quay đứng theo uốn

- Đòn quay đứng  bị uốn do mô men Q1.l1 gây nên.

=>  (Đòn quay đứng thoả mãn điều kiện bên uốn.)

b. Kiểm tra bền đòn quay đứng theo xoắn

- Đòn quay đứng bị xoắn do mômen Q1.c1 gây nên.

=> t  <  [t]  (Đòn quay đảm bảo độ bền xoắn.)

=> Kết luận: Đòn quay đứng đảm bảo bền.

2.3.3.3.Kiểm tra bền các thanh kéo                                                                                  

- Tính các đòn dẫn động chủ yếu là tính đòn dọc AA1và đòn ngang DE.

- Các đòn dẫn động được làm bằng thép ống 40X.

- Kích thước các đòn dẫn động:

+ Đòn kéo dọc:Ddd = 30 (mm);  ddd = 20 (mm);

+ Đòn kéo ngang: Ddn = 30 (mm); ddn = 20 (mm);

+ Chiều dài đòn kéo dọc: ldd = 700 (mm)

+ Chiều dài đòn kéo ngang: ldn = 1400 (mm)

- Ứng suất uốn dọc của đòn kéo ngang:

fn = fd = 392,5 (mm2)

Jn = Jd = 31850 (mm4)

Thay số vào ta được

- Hệ số dự trữ tính cho đòn kéo dọc nd =

=>  n> [nd] = (Đòn kéo dọc đảm bảo độ bền)

a. Kiểm tra bền đòn quay đứng theo uốn

- Đòn quay đứng  bị uốn do mô men Q1.l1 gây nên.

Ta tính ứng suất tại tiết diện nguy hiểm nhất  I – I.

=> (Đòn quay đứng thoả mãn điều kiện bên uốn.)

b. Kiểm tra bền đòn quay đứng theo xoắn

=> t  <  [t]  (Đòn quay đảm bảo độ bền xoắn.)

=> Kết luận: Đòn quay đứng đảm bảo bền.

2.3.3.3.Kiểm tra bền các thanh kéo                                                                                  

- Tính các đòn dẫn động chủ yếu là tính đòn dọc AA1và đòn ngang DE.

- Các đòn dẫn động được làm bằng thép ống 40X.

- Kích thước các đòn dẫn động:

+ Đòn kéo dọc:Ddd = 30 (mm);  ddd = 20 (mm);

+ Đòn kéo ngang: Ddn = 30 (mm); ddn = 20 (mm);

+ Chiều dài đòn kéo dọc: ldd = 700 (mm)

+ Chiều dài đòn kéo ngang: ldn = 1400 (mm)

=>  n> [nd] = (Đòn kéo dọc đảm bảo độ bền)

2.3.3.4.Kiểm tra bền đòn bên

- Kích thước: 

+ Chiều dài đòn bên: m  = 155 (mm)

+ Tiết diện tính toán hình chữ nhật: bb = 50 (mm); hb  = 35 (mm).

- Để đảm bảo an toàn và tính ổn định của quá trình làm việc, đòn bên được làm bằng thép 20X, có ứng suất uốn cho phép: [su] = 200 (MN/m2).

- Đòn  bên của dẫn động lái chủ yếu chịu ứng suất uốn. Do vậy ta tính theo điều kiện bền uốn. Đòn  bên chịu lực lớn nhất khi phanh - chính là lực dọc N.

- Mômen uốn tác dụng lên đòn bên được xác định theo công thức sau:

Mu = m.Ncos

Mu = 0,155.7994,47.cos19,50 = 1168,1 (Nm)

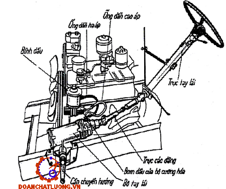
2.3.4.Tính trợ lực lái

2.3.4.1. Nguyên lý hoạt động của cường hoá

- Vô lăng ở vị trí trung gian (tức là khi xe đi thẳng) bộ trợ lực không làm việc, lúc đó cả hai buồng trước và sau xilanh thông nhau và thông với đường dầu hồi, dầu được đẩy từ bơm đến van phân phối và đến các khoang trước và sau xilanh rồi theo đường dầu hồi trở về bình chứa.

- Khi quay trục vít về phía này hoặc phía khác, do lực cản phát sinh khi quay vòng các bánh xe dẫn hướng, sẽ xuất hiện một lực có xu hướng làm dịch chuyển trục vít theo chiều dọc trục về phía tương ứng. Nếu lực này lớn hơn lực nén ban đầu của lò xo định tâm thì trục vít sẽ dịch chuyển và làm di chuyển con trượt. Khi đó một khoang của xilanh được thông với đường dầu cao áp (đường dầu vào), còn khoang bên kia thông với đường dầu ra.

2.3.4.2.Tính toán xylanh lực

a. Xây dựng đặc tính cường hoá hệ thống lái

* Đặc tính của hệ thống lái khi chưa có cường hoá.

- Hệ thống lái có tỷ số truyền không thay đổi, kích thước của các đòn cũng không thay đổi, do vậy lực tác dụng lên vành lái tuyến tính so với lực cản quay vòng. Do vậy ta có đường đặc tính khi  chưa có cường hoá được thể hiện qua mối quan hệ giữa lực tác động lên vôlăng Pl và mômen cản quay vòng Mc .

* Đặc tính của hệ thống lái khi có cường hoá lái:

 - Lực tác dụng lên bộ cường hoá Ph sẽ là:

Ph=Pl-P

Trong đó:

Pl - lực đặt lên vành lái khi không có cường hoá, Pl=468,73 (N)

P - Lực người lái lớn nhất khi có cường hoá.

 - Đối với xe thiết kế cải tiến ta chọn P = 150(N), từ đó ta tìm được lực cường hoá lái đặt tại cơ cấu lái quy về vôlăng là:

Ph = 468,73 – 150  = 318,73 (N).

- Cường hoá bắt đầu làm việc khi lực người lái đặt lên vành lái là 40(N), tương ứng với mômen cản quy về đầu đòn quay đứng là:

Mcqd = 40.0,2.20,5 = 146 (Nm).

b.Tính đường kính ngoài và kiểm tra bền xylanh lực

- Yêu cầu và chọn vật liệu chế tạo

+ Xy lanh lực chịu áp suất p = 50(KG/cm2) nên ta chọn vật liệu chế tạo là gang cầu.

+ Độ bóng của bề mặt làm việc của xy lanh lực, piston thường là cấp 10 và cấp 9. Trong những trường hợp khác có thể gia công đạt độ bóng cấp 8.

- Tính độ bền của xy lanh lực:

+ Khi tính độ bền của xy lanh lực thường bỏ qua những tác động ngẫu nhiên lên nó (va đập từ bên ngoài…) mà chỉ để ý ảnh hưởng của áp suất chất lỏng bên trong xy lanh.

Đường kính ngoài của xilanh lực: dn = Dxl + 2.t = 77,5 + 7,5.2 =92,5 (mm)

2.3.4.3.Tính sơ bộ hành trình làm việc của Piston

Xét bánh xe dẫn hướng đặt tay đòn ngang:

- Góc quay lớn nhất của bánh xe dẫn hướng là:

jmax = amax + bmax

bmax = 30,50 ; amax = 24,850 ;

=> jmax = 55,350 ;

2.3.4.4.Xác định lưu lượng của bơm dầu

Năng suất của bơm được xác định từ điều kiện là làm thế nào để xilanh lực của cường hóa phải kịp làm quay các bánh xe dẫn hướng nhanh hơn điều có thể làm được của người lái. 

Qb ³ 147.10 – 6 (m3/s)

Vậy ta có năng suất định mức của bơm là Qb = 147 (cm3/s)

Chọn bơm cường hoá: Bơm cánh gạt kép có kết cấu nhỏ, hiệu suất từ 0.7 ¸ 0.9, áp suất có thể đạt 100 (at), lưu lượng từ 5 ¸ 100 (l/phút).

2.3.4.5.Tính toán các chi tiết của van phân phối

a. Xác định khoảng dịch chuyển của con trượt             

D - khoảng dịch chuyển về một phía của con trượt.

D’ - khe hở giữa mép con trượt và rãnh vỏ van trượt.

D’’ - độ trùng khớp cực đại của mép con trượt và rãnh.

Hành trình về một bên của con trượt: D = D’+D’’= 0,033(cm) hay 0,33(mm)

Hành trình toàn bộ : 2.D = 0,66 + 0,25 (mm)

c.Xác định điều kiện ổn định làm việc của hệ thống lái có cường hoá

- Độ ổn định làm việc của hệ thống lái phụ thuộc vào độ ổn định của bộ phận cường hoá lái.

- Độ ổn định của cường hoá gồm có:

+ Độ ổn định tĩnh

+ Độ ổn định động

- Độ ổn định tĩnh: Độ ổn định tĩnh của cường hoá là khả năng cường hoá giữ được trạng thái cân bằng của nó ở bất kỳ vị trí nào của vành tay lái. Khi cường hoá không đảm bảo độ ổn định tĩnh sẽ làm mất tính chất ổn định của các bánh xe dẫn hướng: chúng không còn khả năng quay trở về vị trí trung gian sau khi đã thực hiện quay vòng hoặc dần dần lệch khỏi vị trí ứng với chuyển động thẳng của ôtô.

- Tăng độ cứng của các lò xo định tâm hoặc tăng tiết diện buồng phản ứng, nếu như điều này là cho phép theo điều kiện nhẹ nhàng của hệ thống lái.

- Giảm năng suất của bơm mà không làm giảm tốc độ quay vòng của các bánh xe dẫn hướng thấp hơn giá trị cho phép tối thiểu.

CHƯƠNG 3: KHAI THÁC KỸ THUẬT HỆ THỐNG LÁI

3.1.Các phương pháp và quy trình chuẩn đoán hệ thống lái

3.1.1.Các phương pháp

- Đo độ rơ vành lái

- Đo giá trị lực vành lái lớn nhất.

- Đo góc quay bánh xe dẫn hướng.

3.1.2.Quy trình chuẩn đoán

3.1.2.1.Đo độ rơ vành lái

- Độ rơ vành lái là thông số tổng hợp quan trọng nói lên độ mòn của hệ thống lái bao gồm đo độ mòn của cơ cấu lái,khâu khớp trong dân động lái.

- Độ rơ vành lái có thể sử dụng lực kế hay dung cảm nhận trực tiếp,khi đo bằng lực kế dùng đầu móc của lực kế móc vào vành lái đặt lực kéo trên vảnh lái thông qua lực kế ,lực kéo phải đặt theo phương tiếp tuyến với vòng tròn vành lái.

3.1.2.3.Đo góc quay bánh xe dẫn hướng

- Cho đầu xe lên các bệ kiểu mâm xoay có ghi độ dung  vành lái lần lượt đnhá hết về hai phía xác định các góc quay bánh xe hai bên trên mâm xoay chia độ.

- Khi không có mâm xoay chia độ ta có thể tiến hành kiểm trả như sau : nâng bánh xe  của cầu trước lên khỏi mặt đường đặt vành lái và bánh xe ở vị trí đi thẳng ,đánh dấu mặt phẳng bánh xe trên nền đánh lái về từng phía đánh dấu các mặt phẳng bánh xe tại vị trí quay hết vành lái .

3.1.2.5.Chuẩn đoán khi thử trên đường

- Cho xe chạy trên mặt đường rộng tốc độ thấp lần lượt đánh lái hết về phía trái sáu đó đánh về phía bên phải tạo nên chuyển động rích rắc theo dõi sự hoạt động của xe lực đánh lái khả năng quay vòng ở tốc độ thấp có thể xác định hư hỏng của hệ thống lái theo toàn bộ góc quay.

3.2.Quy trình tháo lắp hệ thống lái

3.2.1.Trình tự tháo,lắp hệ thống lái

3.2.1.1.Trình tự tháo

3.2.1.2.Trình tự lắp

Trình tự lắp tiến hành ngược với trình tự tháo, khi lắp chú ý:

- Vệ sinh sạch sẽ các chi tiết trước khi lắp.

- Khi lắp phải đúng theo chiều và đúng vị trí, không làm xước bề mặt thanh răng và làm rách các phớt chắn dầu.

3.3.Quy trình kiểm tra ,bảo dưỡng ,sửa chữa hệ thống lái

3.3.1.Quy trình kiểm tra

- Việc kiểm tra, sửa chữa cơ cấu hình thang lái, trục lái là tương tự như hệ thống lái cơ khí. Điểm khác biệt giữa hệ thống lái cơ khí và hệ thống lái trợ lực thủy lực là cơ cấu lái. Bài giảng sẽ trình bày chi tiết nội dung kiểm tra, sửa chữa cơ cấu lái ở hệ thống lái trợ lực thủy lực:

- Vòng bi: quan sát xem các vòng bi  có bị mòn, rơ rão hay không.

3.3.1.1.Kiểm tra, điều chỉnh hệ thống lái

a. Kiểm tra, điều chỉnh độ rơ tay lái

* Kiểm tra, điều chỉnh độ rơ dọc trục tay lái

- Kiểm tra:

+ Nắm chặt vô lăng bằng 2 tay rồi kéo vô lăng theo phương dọc trục. Nếu không có độ rơ, tay lái không có tầm nặng tầm nhẹ là được.

* Kiểm tra, điều chỉnh độ rơ vành tay lái

- Kiểm tra:

Cách 1:  Dùng dụng cụ đo bằng thước vạch (hình 3.2)

+ Cho ô tô đứng trên nền phẳng, hai bánh xe dẫn

 hướng ở vị trí chạy thẳng.

+ Đặt thước đo cố định sát vành lái.                                                                         

b.Kiểm tra và điều chỉnh độ chụm

 Công việc kiểm tra và điều chỉnh độ chụm thực hiện sau khi đã sửa chữa cơ cấu hình thang lái, chốt chuyển hướng, chỉnh moay-ơ.

Trước khi kiểm tra, điều chỉnh  cần kiểm tra bánh xe có dơ hay không, kiểm tra áp suất không khí trong lốp xe. Nếu đúng yêu cầu kĩ thuật mới tiến hành công việc trên.

d.Kiểm tra mức dầu và điều chỉnh độ căng đai

* Kiểm tra mức dầu: Đo mức dầu trong bầu chứa khi động cơ đang làm việc,sau đó tắt máy và đo lại mức dầu.Khi tắt máy mức dầu không tăng quá 5mm,dầu không có bọt và đục là được.Nếu mức dầu tăng quá 5mm,có bọt và đục là trong dầu có khí (e).

* Xả khí trong hệ thống dầu trợ lực:

- Kiểm tra mức dầu trong bình ,thiếu thì bổ xung dầu.

- Kích thước hai bánh xe dẫn hướng.

3.3.2.2.Bảo dưỡng kỹ thuật hệ thống lái

- Trong bảo dưỡng kỹ thuật  hàng ngày, kiểm tra khoảng chạy tự do của tay lái và cả tác động của hệ thống lái đối với đường đi  của ôtô. Cần xem tình trạng bên ngoài các tấm đệm khít của cácte cơ cấu lái để ngăn ngừa tình trạng rò rỉ dầu nhờn.

- Trong bảo dưỡng kỹ thuật cấp 1: Kiểm tra độ kín khít của những mối ghép nối hệ thống trợ lái thuỷ lực và việc bắt chặt bơm trợ lái thuỷ lực. Vặn chặt các đai ốc bắt chặt cơ cấu lái vào dầm  ôtô, chốt cầu của đòn lái.

3.3.3.Sửa chữa hệ thống lái

 - Để xác đinh mức độ mài mòn và tính chất sửa chữa, phải tháo rời các chi tiết cơ cấu lái. Khi tháo tay lái (vôlăng) và đòn quay đứng, phải dùng vam  tháo. Những hư hỏng chính của các chi tiết cơ cấu lái là: mòn vít vô tận, mặt bích bắt chặt các te bị sứt mẻ và nứt, mòn lỗ ở các te dành cho ống lót trục của đòn quay đứng và các chi tiết của khớp cầu thanh chuyển hướng, thanh chuyển hướng bị cong  và việc bắt chặt tay lái trên trụ bị nới lỏng ra.

- Phải thay vít của cơ cấu lái nếu bề mặt ma sát bị mòn rõ rệt hay lớp tôi bị tróc ra.

- Khi thử nghiệm , cần xem bơm làm việc có bị rung động, co giật và có tiếng gõ hay không. áp suất phải tăng lên dần dần. Dầu nhờn trong thùng không được phép sủi bọt và rò rỉ qua các mối lắp ghép và đệm khít.

- Sau khi sửa chữa và kiểm tra xong xuôi các chi tiết, phải lắp ráp lại toàn bộ tổ hợp trợ lái thuỷ lực rồi điều chỉnh và thử nghiệm.

KẾT LUẬN

Kỹ thuật ôtô  ngày càng được phát triển tới mức rất cao, thoả mãn những yêu cầu và đòi hỏi khắt khe về tính năng kinh tế, kỹ thuật môi trường, đặc biệt là an toàn chuyển động của ôtô ở tốc độ cao. Vì vậy trên ôtô được trang bị thêm  rất nhiều hệ thống kỹ thuật cao để đảm bảo được  các tính năng nói trên.

Sau một thời gian dài nghiên cứu, tính toán và thiết kế được sự trợ giúp tận tình của Thầy: TS……………… cùng các thầy trong bộ môn và toàn thể các bạn đồng nghiệp. Nay em đã hoàn thành bản đồ án tốt nghiệp.

Mặc dù đã rất cố gắng nhưng vì thời gian cũng như kiến thức còn hạn chế nên đề tài cũng không tránh được các thiếu sót trong quá trình tính toán thiết kế các chi tiết của hệ thống lái. Rất mong sự đóng góp ý kiến của các thầy trong bộ môn để đồ án của em được hoàn chỉnh hơn.

Em xin chân thành cảm ơn!

TÀI LIỆU THAM KHẢO.

[1]. Nguyễn Hữu Cẩn, Dư Quốc Thịnh, Phạm Minh Thái, Nguyễn Văn Tài, Lê Thị Vàng, 1993,Lý thuyết ôtô máy kéo.

[2].Trương Minh Chấp, Dương Đình Khuyến, Nguyễn Khắc Trai,1971,Thiết kế tính toán ôtô - máy kéo.

[3]. Nguyễn Trọng Hiệp, 1997, Chi tiết máy Tập I, tập II.

[4].Nguyễn Khắc Trai, 1996,Cấu tạo gầm xe con, Nhà xuất bản giao thông vận tải.

[5]. Trần Văn Địch ,1987,Thiết kế đồ án công nghệ chế tạo máy.

[6]. Phạm Minh Thái,1991,Thiết kế hệ thống lái của ôtô - máy kéo bánh xe, Trường Đại Học Bách Khoa Hà Nội.

"TẢI VỀ ĐỂ XEM ĐẦY ĐỦ ĐỒ ÁN"