TÀI LIỆU NGHIÊN CỨU, KHAI THÁC ĐỘNG CƠ 2GR-FE ĐƯỢC TRANG BỊ TRÊN XE CAMRY 3.5Q 2007

Mã đồ án TLOT02023021
Đánh giá: 5.0
Mô tả đồ án

     Tài liệu bao gồm đầy đủ file word như: Phần lời nói đầu, phần chương 1 (Giới thiệu dòng xe Toyota camry và động cơ 2GR-FE), phần chương 2 (Phân tích kết cấu động cơ 2GR-FE), phần chương 3 (Xây dựng quy trình kiểm tra chuẩn đoán bảo dưỡng sữa chữa động cơ 2GR-FE), phần kết luận, phần tài liệu tham khảo, nhiệm vụ đồ án, bìa đồ án..Ngoài ra còn cung cấp rất nhiều tài liệu chuyên ngành, các tài liệu phục vụ cho thiết kế đề tài.......... NGHIÊN CỨU, KHAI THÁC ĐỘNG CƠ 2GR-FE ĐƯỢC TRANG BỊ TRÊN XE CAMRY 3.5Q 2007.

Giá: 290,000 VND
Nội dung tóm tắt

MỤC LỤC

LỜI CẢM ƠN:....................... ………………………………………...........................................................................…………………………....…1

LY DO CHỌN ĐỀ TÀI:....................................................................................................................................................................................... 2

MỤC LỤC: ........................................................................................................................................................................................................ 3

LỜI NÓI ĐẦU: .................................................................................................................................................................................................. 7

CHƯƠNG 1:  GIỚI THIỆU DỊNG XE TOYOTA CAMRY V ĐỘNG CƠ 2GR-FE ...............................................................................................8

1.1. Giới thiệu dịng xe Toyota Camry:................................................................................................................................................................ 8

1.2. Mẫu xe Toyota Camry:............................................................................................................................................................................... 11

1.3. Thông số kĩ thuật của mẫu Toyota Camry phiên bản 2007:...................................................................................................................... 12

CHƯƠNG 2: PHN TÍCH KẾT CẤU ĐỘNG CƠ 2GR-FE ................................................................................................................................ 12

2.1. Cơ cấu trụch khuỷu thanh truyền...….……..…………………………...........................................................................…………….............14

2.1.1.  Nắp xylanh (nắp my):............................................................................................................................................................................ 14

2.1.2. Thân máy................................................................................................................................................................................................ 14

2.1.3.  Các te.................................................................................................................................................................................................... 15

2.1.4. Trục khuỷu.............................................................................................................................................................................................. 16

2.1.4.1 Bạc trục khuỷu...................................................................................................................................................................................... 16

2.1.5.  Nhóm thanh truyền................................................................................................................................................................................ 17

2.1.5.1 Bạc đầu to............................................................................................................................................................................................ 18

2.1.5.2 Bulong thanh truyền............................................................................................................................................................................. 18

2.1.6.  Nhóm piston.......................................................................................................................................................................................... 18

2.1.6.1. Đầu piston .......................................................................................................................................................................................... 19

2.1.6.2. Chốt piston ......................................................................................................................................................................................... 19

2.1.6.3. Vòng găng........................................................................................................................................................................................... 20

2.2. Cơ cấu phân phối khí................................................................................................................................................................................ 21

2.2.1. Khái quát chung...................................................................................................................................................................................... 21

2.2.2. Các bộ phận .......................................................................................................................................................................................... 22

2.2.2.1. xupap................................................................................................................................................................................................... 22

2.2.2.2. Bạc dẫn hướng xupap v phớt dầu....................................................................................................................................................... 22

2.2.2.3. Lò xo xupap......................................................................................................................................................................................... 24

2.2.2.4. Trục cam.............................................................................................................................................................................................. 24

2.2.2.5. Bộ điều chỉnh khe hở thuỷ lực............................................................................................................................................................. 24

2.2.2.6. Bộ căng xích cam tụ động................................................................................................................................................................... 25

2.2.2.7. Hệ thống VVT-I ................................................................................................................................................................................... 25

2.3. Các hệ thống trên động cơ........................................................................................................................................................................ 28

2.3.1. Hệ thống bôi trơn.................................................................................................................................................................................... 28

2.3.1.1. Giới thiệu chung.................................................................................................................................................................................. 28

2.3.1.2. Các bộ phần chính ............................................................................................................................................................................. 29

a. Bơm dầu ..................................................................................................................................................................................................... 29

b. Dầu và lọc dầu :........................................................................................................................................................................................... 29

2.4. Hệ thống làm mát.......................................................................................................................................................................................29

2.4.1. Vị trí các chi tiết:.................................................................................................................................................................................... 30

2.4.2. Các bộ phân chính................................................................................................................................................................................. 30

a. Bơm nước....................................................................................................................................................................................................30

b. Van hằng nhiệt............................................................................................................................................................................................. 31

c. Két nước và quạt gió................................................................................................................................................................................... 31

2.4.3. Hệ thống ACIS (Acoustic Control Induction System)............................................................................................................................ 32

Hệ thống nạp có chiều dài hiệu dụng thay đổi................................................................................................................................................ 32

2.4.3.1. Mô tả.................................................................................................................................................................................................. 32

2.4.3.2. Cấu tạo.............................................................................................................................................................................................. 32

2.4.3.3. Hoạt động.......................................................................................................................................................................................... 33

2.5. Hệ thống điều khiển khí thải.................................................................................................................................................................... 33

2.5.1. Mô tả.....................................................................................................................................................................................................33

2.5.2. Các thành phần chính.......................................................................................................................................................................... 34

2.6. Hệ thống nhiên liệu................................................................................................................................................................................. 35

2.6.1. Giới thiệu .............................................................................................................................................................................................35

2.6.2. Các bộ phận ....................................................................................................................................................................................... 35

a. Bơm nhiên liệu...........................................................................................................................................................................................36

b. Ống phân phối........................................................................................................................................................................................... 37

c. Kim phun................................................................................................................................................................................................... 38

d. Bộ giảm rung..............................................................................................................................................................................................38

e. Bộ ổn định áp suất.....................................................................................................................................................................................39

2.7. Hệ thống đánh lửa................................................................................................................................................................................. 40

2.7.1. Khái quát chung ................................................................................................................................................................................. 40

2.7.2. Vị trí các chi tiết.................................................................................................................................................................................. 40

2.7.3. Sơ đồ hệ thống................................................................................................................................................................................... 41

2.7.4. Một số bộ phận của hệ thống đánh lửa.............................................................................................................................................. 41

a. Bô bin đánh lửa.........................................................................................................................................................................................41

b. Buri............................................................................................................................................................................................................42

2.7.5. Hệ thống đánh lửa sớm điện tử ESA..................................................................................................................................................43

a. Khái quát chung........................................................................................................................................................................................43

b. Cấu tạo..................................................................................................................................................................................................... 43

2.8. Hệ thống điều khiển động cơ................................................................................................................................................................ 43

2.8.1. Sơ đồ hệ thống điều khiển................................................................................................................................................................. 43

2.8.2. Hệ thống cảm biến............................................................................................................................................................................. 48

a. Cảm biến MAF (mass or volume air flow circuit) cảm biến lưu lượng khí nạp………..............................................................................48

b. Cảm biến tốc độ động cơ và vị trí piston..................................................................................................................................................48

c. Cảm biến bướm ga...................................................................................................................................................................................49

d. Cảm biến nhiệt độ nước làm mát............................................................................................................................................................ 49

e. Cảm biến nhiệt độ khí nạp....................................................................................................................................................................... 50

f. Cảm biến Oxy............................................................................................................................................................................................ 51

g. Cảm biến A/F............................................................................................................................................................................................ 53

h. Cảm biến tiếng gõ.................................................................................................................................................................................... 53

2.8.3. Các chức năng điều khiển của ECU.................................................................................................................................................. 55

a. Điều khiển bơm nhiên liệu và điều khiển cắt bơm nhiên liệu.................................................................................................................. 55

b. Điều khiển lượng phun thông qua điều khiển thời gian phun.................................................................................................................. 56

c. Điều khiển đánh lửa……….................................................................................................................................................................. ….57

d. Điều khiển tốc độ không tải (ISC)........................................................................................................................................................ ….58

CHƯƠNG 3: XY DỰNG QUY TRÌNH KIỂM TRA CHUẨN ĐOÁN BẢO DƯỠNG SỬA CHỮA ĐỘNG CƠ 2GR-FE................................. 61

3.1. Tổng quan về kiểm tra và bảo dưỡng động cơ 2GR-FE....................................................................................................................... 61

3.2. Một số điểm kĩ thuật viên cần chú ý trong khi tiến hành bảo dưỡng ô tô...............................................................................................61

3.3. Lịch bảo dưỡng định kì cho động cơ 2GR– FE.................................................................................................................................... 62

3.4. Các công ciệc chính trong công tác bảo dưỡng động cơ..................................................................................................................... 63

a. Thay thế dầu động cơ.............................................................................................................................................................................. 63

b. Thay thế lọc dầu động cơ........................................................................................................................................................................ 63

c. Thay nước làm mát động cơ................................................................................................................................................................... 63

d. Kiểm tra rị rỉ trong hệ thống lm mt .......................................................................................................................................................... 64

d. Bảo dưỡng ắc quy................................................................................................................................................................................... 65

3.5. Kiểm tra các cớ cấu cơ khí của động cơ............................................................................................................................................. 66

3.5.1. Kiểm tra cơ cấu trục khuỷu thanh truyền, nắp my, thn my................................................................................................................ 66

3.5.2. Kiểm tra cơ cấu phân phối khí.......................................................................................................................................................... 69

3.5.3. Kiểm tra hệ thống bôi trơn................................................................................................................................................................ 71

3.5.4. Kiểm tra hệ thống làm mát............................................................................................................................................................... 73

3.5.5. Kiểm tra hệ thống nhin liệu.............................................................................................................................................................. 76

3.5.6. Một số hư hỏng và nguyên nhân..................................................................................................................................................... 77

3.6. Chẩn đoán hư hỏng............................................................................................................................................................................ 80

3.6.1. Tổng quan........................................................................................................................................................................................ 80

3.6.2. Nguyên lí.......................................................................................................................................................................................... 80

3.6.3. Kiểm tra bằng máy chẩn đoán......................................................................................................................................................... 81

3.6.3.1. Chế độ kiểm tra............................................................................................................................................................................. 81

3.6.3.2. Chế độ thử (TEST MODE)............................................................................................................................................................ 81

3.6.3.3. Ví dụ về chẩn đoán cảm biến nhiệt độ nước làm mát.................................................................................................................. 82

3.7. Chẩn đoán thông qua máy chẩn đoán, bảng mã của máy chẩn đoán............................................................................................... 83

KẾT LUẬN................................................................................................................................................................................................. 89

TÀI LIỆU THAM KHẢO............................................................................................................................................................................. 90

LỜI NÓI ĐẦU

Ngày nay, với sự phát triển mạnh mẽ của khoa học kĩ thuật cũng như những tiến bộ vượt bậc trong đời sống xã hội, nhu cầu về đi lại, vận chuyển của con người cũng tăng lên rất nhiều. Nhắc đến lĩnh vực giao thông vận tải, người ta không thể không nghĩ ngay đến lĩnh vực vận tải đường bộ, là loại hình giao thông được phát triển khá sớm.

Đối với Việt Nam, là một nước đang phát triển, lĩnh vực giao thông vận tải đóng vai trò mấu chốt trong sự phát triển về mọi mặt. Với mức độ phát triển của nước ta hiện nay, giao thông vận tải đường bộ vẫn chiếm vị thế quan trọng nhất trong lĩnh vực giao thông vận tải, với hình thức vận tải bằng ô tô là chủ yếu. Ô tô trở nên thông dụng hơn với người Việt Nam, từ các tập đoàn vận tải lớn của hợp tác xã nhà nước, cũng như các doanh nghiệp vận tải tư nhân đến các cơ quan, xí nghiệp, và cả những gia đình, cá nhân đều có thể sư dụng ô tô. Với mức độ sử dụng ô tô hiện nay, cũng như với lượng xe hơi tiêu thụ ở thị trường nước ta như hiện nay yêu cầu một lượng lớn những kĩ thuật viên, những người hiểu biết về ô tô. Việc hiểu và nắm rõ về sử dụng, khai thác, bảo dưỡng, sữa chữa là những yếu tố cần thiết và quan trọng đối với những sinh viên cơ khí ô tô.

Sau hai năm nghiên cứu học tập tại trường, với sự đào tạo, hướng dẫn của các thầy gio của trường nói chung và các thầy gio thuộc khoa ơ tơ nói riêng, được sự quan tâm giúp đỡ từ Ban giám hiệu Nhà trường, Ban chủ nhiệm khoa ơ tơ, cùng với sự dẫn dắt của thầy: Ths……………….. - Phĩ chủ nhiệm khoa. Hôm nay, chúng em – những học vin hoàn thiện đại học, đã được trang bị những kiến thức chuyên môn nhất định, đủ sức tham gia vào sản xuất, góp một phần công sức đóng góp cho xã hội, tham gia vào tiến trình phát triển khoa học kĩ thuật của nước nhà.

                                                                                                                                            TP HCM, ngày … tháng … năm 20…

                                                                                                                                                Học viên thực hiện

                                                                                                                                               ………………….

Chương 1

GIỚI THIỆU DỊNG XE TOYOTA CAMRY V ĐỘNG CƠ 2GR- FE CAMRY 2007

1.1. Giới thiệu về dịng xe Toyota Camry

Dịng xe Toyota Camry là một trong những sản phẩm xe hơi tiêu biểu của những phân khúc ô tô hạng sang. Chiếc Toyota Camry không những được dân chơi xe coi là xế hộp quý tộc đến từ Nhật Bản m cịn được giới chuyên môn đánh giá là một trong những sản phẩm ô tô hội tụ đủ 3 yếu tố: sang trọng, đáng tin cậy, độ an toàn cao.

a. Xe Toyota Camry đẳng cấp ngay từ thiết kế bên ngoài:

Chiếc Toyota Camry mang trn mình một thiết kế ngoại thất đặc trưng theo kiểu TY Sheman – tạo hình quý phi ring biệt của cc xe thuộc hng Toyota. Kiểu tạo hình ny khiến cho chiếc 4 bnh khơng chỉ cĩ một ngoại hình đầy nổi bật, lịch lm v sang trọng, m cịn tạo nn một vẻ hiện đại, khác biệt riêng có của xe. Đặc trưng ngoại hình của ơ tơ thiết kế theo chuẩn TY Sheman là việc bố trí đèn Led rất độc đáo, kết hợp với tấm chắn trước mạ crom bạc sang trọng, tạo nên một chỉnh thể hoàn mỹ cho xe.

b. Về nội thất của xe Toyota Camry:

Nội thất đậm chất quý tộc của xe Camry. Một trong những điểm nhấn khiến cho xe Camry được liệt vào phân khúc ô tô cao cấp chính là nằm ở những cách trí nội thất vừa đẹp mắt lại tiện dụng của chiếc 4 bánh xuất xứ từ xứ sở hoa anh đào. Chiếc xe gồm 4 chỗ ngồi, với sàn xe trải nhung, ghế được bọc da sang trọng, có điểm tựa lưng và vai cho người ngồi. Đặc biệt, ghế lái của xe được tích hợp công nghệ TTK 95 chỉnh điện 10 hướng, giúp cho tài xế có được tầm quan sát rộng nhất, lại dễ dịch chuyển trong trường hợp khẩn cấp để làm tăng độ an tồn.

d. Về giá thành xe Toyota Camry trên thị trường:

Hiện nay, trên thị trường có 3 phiên bản xe Toyota Camry tiu biểu, chúng có mức giá như sau:

Toyota Camry 2.0 E có giá 997 triệu đồng.

Toyota Camry 2.5 G có giá 1,161 tỷ đồng.

Toyota Camry 2.5 Q có giá 1,302 tỷ đồng.

1.2. Mẫu xe Toyota Camry

Với các tính năng vận hành tuyệt hảo và động cơ VVT-I kép 3.5 lít lần đầu tiên có mặt tại Việt Nam, Camry hoàn toàn mới, vượt xa tiêu chuẩn của một chiếc xe sedan danh tiếng.

Động cơ 2GR-FE (3.5 Q).

V6 3.5 lít DOHC, 24 van với hệ thống VVT-I kép.

Hệ thống VVT-I kép lần đầu tiên được trang bị riêng cho xe Camry 3.5Q, điều khiển thời điểm đóng mở của cả van nạp lẫn van xả. Nhờ vậy, gia tăng khả năng đốt cháy tối đa hỗn hợp khí-nhiên liệu, tối đa hoá công suất, giúp tiết kiệm nhiên liệu và thải khí sạch hơn.

1.3. Thông số kỹ thuật của mẫu Toyota Camry phiên bản 2007.

Thông số kỹ thuật của mẫu Toyota Camry phiên bản 2007 thể hiện như bảng dưới.

CHƯƠNG 2

PHÂN TÍCH KẾT CẤU ĐỘNG CƠ 2GR-FE

2.1. Cơ cấu trục khuỷu thanh truyền

2.1.1. Nắp xylanh (nắp my)

Nắp xylanh đậy kín một đầu của xylanh, cùng với piston và xylanh tạo thành buồng cháy. Nhiều chi tiết cũng như bộ phận của động cơ được lắp đặt trên nắp xylanh như bougie, cụm xupap, cơ cấu trục cam…. Ngoài ra, trên nắp xylanh còn bố trí đường nạp, thải, đường nước làm mát, đường dầu bôi trơn… điều này làm cho kết cấu của nắp xylanh phức tạp.

Điều kiện làm việc của nắp xylanh rất khắc nghiệt, nó chịu nhiệt độ cao ở áp suất lớn, bị ăn mòn hóa học do các sản phẩm cháy.

2.1.2. Thân máy

Thân máy và nắp xylanh là nơi lắp đặt và bố trí hầu hết các cụm, các chi tiết của động cơ. Cụ thể trên thân máy bố trí xylanh, hệ trục khuỷu và các bộ phận truyền động để dẫn động các cơ cấu và các hệ thống khác của động cơ như trục cam, bơm nước làm mát, bơm dầu trợ lực lái, máy phát điện…

Song nhiệm vụ chính là làm bệ đỡ lắp đặt xylanh. Thân máy có tác dụng duy trì áp suất nén của piston và tiếp nhận áp suất nổ.

2.1.4. Trục khuỷu.

Cấu tạo của trục khuỷu được mô tả như hình trên, bao gồm đầu trục khuỷu, các cổ trục khuỷu nối với các cổ biên bởi các má khuỷu. Để đảm bảo cân băng khi quay, trên các má khuỷu có bố trí các đối trọng. Đuôi trục khuỷu có mặt bích để lắp ghép với bánh đà.

Đầu trục khuỷu có đĩa xích để dẫn động cho trục cam và có một đĩa cảm biến tốc độ của trục khuỷu.

2.1.5. Nhóm thanh truyền.

Thanh truyền là chi tiết trung gian, nhận áp lực từ piston và truyền áp lực này đến trục khuỷu, làm trục khuỷu chuyển động.

Nhóm thanh truyền bao gồm: đầu nhỏ thanh truyền, bạc đầu nhỏ thanh truyền, nắp đầu to thanh truyền, bạc đầu to thanh truyền và bulong thanh truyền.

Thanh truyền được chia làm ba phần: đầu to, đầu nhỏ và thân.

Đầu nhỏ được đúc liền với thân, được gia cố các gân chịu lực. Đầu nhỏ được gia công hình trụ để lắp ghép với bạc đầu nhỏ thanh truyền.

2.1.5.1. Bạc đầu to

Kết cấu của bạc đầu to thanh truyền được mô tả như hình vẽ.Trên bạc có lỗ dầu, trùng với lỗ dầu trên thanh truyền, có nhiệm vụ dẫn dầu bôi trơn cho đầu nhỏ thanh truyền.

Khi có một màng dầu thích hợp trên bề mặt của bạc, nó sẽ hấp thụ tải trọng nặng và va đập từ các chi tiết quay trong hành trình nổ. Màng dầu cũng ngăn ngừa hiện tượng bó máy và mất công suất do ma sát.

2.1.5.2. Bulong thanh truyền

Trong quá trình làm việc, bulong thanh truyền chịu tác dụng của nhiều thành phần lực phức tạp. Ngoài lực siết ban đầu, bulong thanh truyền còn chịu lực tác dụng của lực quán tính của nhóm piston thanh truyền.

2.2. Cơ cấu phân phối khí

2.2.1. Khái quát chung.

Cơ cấu phân phối khí có nhiệm vụ điều khiển quá trình trao đổi khí trong xylanh. Yêu cầu cơ bản đối với cơ cấu phân phối khí là phải thải sạch và nạp đầy.

Cơ cấu phân phối khí của động cơ 2GR – FE kiểu xupap treo, dẫn động xupap trực tiếp,được tích hợp bộ điều khiển VVT-i, cải thiện quá trình nạp và xả khí,làm tăng công suất động cơ và giảm ô nhiểm môi trường . Trục cam được dẫn động trực tiếp từ trục khuỷu qua bộ truyền xích. Chuyển động của trục khuỷu được truyền cho trục cam thông qua xích cam, làm cam quay

2.2.2. Các bộ phận.

2.2.2.1. Xupap.

Một số kích thước của xupap.

- Đế xupap phải được ra sao cho bề mặt xupap tiếp xúc với toàn bộ chu vi xupap. Tiếp xúc phải nằm ở giữa đế xupap, và chiều rộng đế xupap nằm trong giá trị tiêu chuẩn quanh toàn bộ chu vi xupap.

- Chiều rộng 1.1 đến 1.5 mm.

- Nấm xupap

Phần quan trọng nhất của nấm xupap là bề mặt làm việc với góc vát . Góc vát càng nhỏ thì tiết diện thông qua của xupap càng lớn nhưng dòng khí càng bị ngoặt làm tăng sức cản lưu động của dòng khí nạp. Góc vát xupap của động cơ 2GR - FE là 450

- Đuôi xupap

Có dạng rãnh vòng để lắp móng hãm dùng định vị lò xo xupap.

Một số kích thước của xupap.

2.2.2.3. Lò xo xupap

Lò xo xupap có nhiệm vụ tạo ra lực căng ban đầu để đóng xupap. Lò xo xupap hoạt động trong điều kiện nhiệt độ cao, ngoài sức căng ban đầu, lò xo xupap còn chịu tải trọng thay đổi đột ngột và tuần hoàn trong quá trình xupap đóng mở.

Chiều dài ở trạng thái tự do: 45,46 mm.

Độ lệch lớn nhất: 1.0 mm.

2.2.2.5. Bộ điều chỉnh khe hở thuỷ lực.

- Luôn giử khe hở xuppap bằng 0 nhờ áp lực dầu và lò xo.

- Cam quay sẽ nén bộ piston và dầu được giử trong buồng áp suất cao.

- Sau đó cò mổ bị nén xuống xuppap, đồng thời quay quanh bộ điều chỉnh khe hở thuỷ lực.

2.2.2.7. Hệ thống VVT - i

a. khái quát chung

Hệ thống VVT – i được thiết kế để điều khiển thời điểm phối khí bằng cách xoay trục cam trong phạm vi 400 so với góc quay của trục khuỷu để đạt được thời điểm phối khí tối ưu cho các điều kiện hoạt động của động cơ dựa trên các tín hiệu từ cảm biến.

Trên động cơ 2GR-FE của Toyota, được sử dụng là hệ thống VVT-i  kép, trang bị cho cả xupap nạp và xupap xả.

b. Cấu tạo của hệ thống VVT - i

Bộ chấp hành của hệ thống VVT - i bao gồm bộ điều khiển VVT - i dùng để xoay trục cam nạp, áp suất dầu dùng làm lực xoay cho bộ chấp hành VVT -  i và van điều khiển dầu phối khí trục cam nạp để điều khiển đường đi của dầu.

- Bộ điều khiển VVT – i gồm một vỏ được dẫn động bởi xích cam và các cánh gạt cố định trên trục cam nạp. Áp suất dầu từ phía làm sớm hay làm muộn trục cam nạp sẽ xoay các cánh gạt của bộ điều khiển VVT - i theo hướng chu vi để thay đổi liên tục thời điểm phối khí của trục cam nạp.

- Van điều khiển dầu phối khí trục cam hoạt động theo sự điều khiển từ ECU động cơ để điều khiển vị trí của van ống và phân phối áp suất dầu cấp đến bộ điều khiển VVT-i đến phía làm sớm hay làm muộn. Khi động cơ ngừng hoạt động, thời điểm phối khí xupap nạp được giữ ở góc muộn tối đa.

2.3. Các hệ thống trên động cơ

2.3.1. Hệ thống bôi trơn

2.3.1.1. Khái quát chung

- Hệ thống bôi trơn cung cấp dầu động cơ đến mọi bộ phận của động cơ, tạo ra màng dầu để giảm ma sát và mài mòn, cho phép các bộ phận của động cơ hoạt động trơn tru tính năng tối ưu.

- Công dụng của hệ thống bôi trơn:

+ Bôi trơn các bề mặt có chuyển động trượt giữa các chi tiết nhằm giảm ma sát, do đó giảm mài mòn và tăng tuổi thọ của chi tiết.

+ Rửa sạch bề mặt ma sát của các chi tiết.

2.3.1.2. Các bộ phần chính.

a. Bơm dầu.

- Bơm dầu hút dầu từ cacte và cung cấp dầu đến từng bộ phận của động cơ.

- Có van an toàn trong bơm dầu, sẽ xả dầu khi áp suất đạt đến giá trị nhất định, để kiểm soát áp suất dầu cực đại.

2.4. Hệ thống lm mt

2.4.1. Vị trí các chi tiết

Vị trí các chi tiết thể hiện như hình dưới.

2.4.3. Hệ thống ACIS (Acoustic Control Induction System- Hệ thống nạp  có chiều dài hiệu dụng thay đổi.

2.4.3.1 Khái quát chung.

Hệ thống ACIS thay đổi chiều dài hiệu dụng của đường ống nạp để tăng công suất trên phạm vi rông từ tốc độ thấp đến tốc độ cao.

Hệ thống điều khiển khí nạp được lắp trên vỏ.

Đường ống nạp khí bằng nhôm với gioang bao phủ.

2.4.3.2. Cấu tạo:

Van ACIS là loại van quay điện tử được hợp nhất với đường ống nạp bằng mối hàn laze.

2.6. Hệ thống nhin liệu

2.6.1. Khái quát chung

- Hệ thống nhiên liệu nói chung có nhiệm vụ cung cấp nhiên liệu tạo thành hỗn hợp cho động cơ phù hợp với mọi chế độ làm việc của động cơ.

- Hệ thống nhiên liệu lấy nhiên liệu từ bình chứa cung cấp vào ống phân phối trước vòi phun với áp suất cao. Đến thời điểm hòa trộn hỗn hợp không khí nhiên liêu, vòi phun mở, nhiên liệu dưới áp suất cao được phun vào đường ống nạp và đi vào xylanh.

2.6.2. Các bộ phận:

a. Bơm nhiên liệu

Bơm nhiên liệu được lắp trong thùng chứa nhiên liệu, cùng với bộ lọc nhiên liệu, bộ đo nhiên liệu và vỏ bơm tạo thành cụm bơm nhiên liệu.

Nhiên liệu ( xăng ) sau khi đi qua bộ lọc thô được cánh bơm hút và đẩy qua van một chiều, đi qua ống dẫn nhiên liệu vào ống phân phối với áp suất cao. Van một chiều có tác dụng duy trì áp suất trong đường ống và trong ống phân phối khi động cơ ngừng hoạt động, tạo điều kiện dễ dàng khởi động động cơ.

Trên bơm nhiên liệu còn có van an toàn nhằm ngăn ngừa áp suất nhiên liệu quá cao.

b. Ống phân phối

Có kết cấu dạng ống, là nơi chứa nhiên liệu có áp suất cao trước vòi phun và phân phối nhiên liệu vào động cơ khi kim phun mở.

Trên ống phân phối có lắp ba kim phun.

d. Bộ giảm rung động

Ap suất nhiên liệu được duy trì 2,55 đến 2,9 kgf/cm2  tuỳ theo độ chân không đường ống nạp bằng bộ ổn định áp suất. Tuy nhiên, trong đường ống vẫn có sự dao động nhỏ do quá trình phun nhiên liệu gây ra. Bộ giảm rung động có tác dụng hấp thụ các dao động này bằng một lớp màn.

2.7. Hệ thống đánh lửa

2.7.1 Khái quát chung

Hệ thống đánh lửa sử dụng cho xe Toyota Camry 2007 là kiểu đánh lửa trực tiếp Bôbin đơn (DIS) có bộ điều khiền đánh lửa sớm bằng điện tử.

Hệ thống đánh lửa kiểu này gồm có có khóa điện, các loại cảm biến, IC đánh lửa bán dẫn, cuộn cao áp, nến đánh lửa (Bugi) và ESA tích hợp trong ECU.

2.7.4. Một số bộ phận của hệ thống đánh lửa

a. Bô bin đánh lửa

Thiết bị này bao gồm IC đánh lửa, cuộn đánh lửa (bobine) và nắp chụp bugi kết hợp thành một cụm.

Như vậy, cuộn thứ cấp được đặt trực tiếp vào bugi, không thông qua dây cao áp.

Điều này giảm được thất thoát điện áp qua dây cao áp và hiện tượng nhiễu điện từ, nâng cao độ tin cậy sử dụng.

b. Buri

Điện thế cao trong cuôn thứ cấp làm phát sinh ra tia lửa giữa điện cực trung tâm và điện cực nối đất của bugi để đốt cháy hỗn hợp không khí nhiên liệu trong buồng đốt.

Sự nổ của hỗn hợp không khí nhiên liệu do tia lửa từ bugi được gọi chung là sự bùng cháy.

Cấu tạo của bugi được mô tả như hình minh hoạ. Đặc tính đánh lửa của bugi phụ thuộc vào các yếu tố sau:

- Hình dáng điện cực và đặc tính phóng điện

- Khe hở điện cực và điện áp yêu cầu.

Động cơ 2GR - FE sử dụng bugi do hãng DENSO sản xuất. Kí hiệu K16R - U11 với khe hở điện cực 1,1 mm.

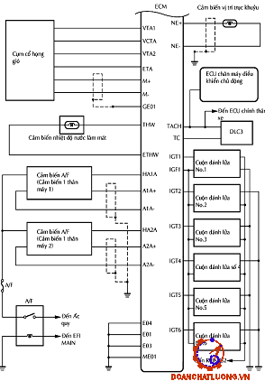
2.8. Hệ thống điều khiển động cơ

2.8.1. Sơ đồ hệ thống

Sơ đồ điều khiển động cơ thể hiện như hình 2.43.

Sơ đồ điều khiển động cơ thể hiện như hình 2.44.

Sơ đồ điều khiển động cơ. như hình 2.46.

2.8.2 Hệ thống cảm biến

a. cảm biến MAF (mass or volume air flow circuit) cảm biến lưu lượng khí nạp.

b. Cảm biến tốc độ động cơ và vị trí piston

Cảm biến vị trí trục cam hay còn gọi là cảm biến G báo cho ECU biết vị trí điểm chết trên hay trước điểm chết trên của piston. Cảm biến này có 3 răng.

Cảm biến tốc độ động cơ hay còn gọi là tín hiệu NE dùng để báo tín hiệu động cơ để tín toán lượng nhiên liệu phun cần thiết và góc đánh lửa tối ưu

d. Cảm biến nhiệt độ nước làm mát

Cảm biến nhiệt độ nước làm mát dùng để xác định nhiệt độ động cơ. Được làm từ vật liệu bán dẫn nên có hệ số nhiệt điện trở âm (NTC – negative temperature coefficient), nghĩa là khi nhiệt độ tăng lên thì điện trở giảm và ngược lại (đường đặc tuyến). Những thay đổi này phản ánh dưới dạng điên áp phát ra từ cảm biến. ECM theo dõi điện áp của cảm biến và dùng để tính toán giá trị của ECT. Khi điện áp của cảm biến lệch ra khỏi phạm vi hoạt động bình thường thì ECM coi đó là hư hỏng và thiết lập mã DTC.

f. Cảm biến Oxy

Để cho động cơ có lắp đặt bộ TWC (bộ lọc khí xả ba thành phần) đạt được hiệu quả lọc tốt nhất cần phải duy trì tỷ lệ không khí nhiên liệu gần với tỷ lệ lý thuyết.

Cảm biến ôxy nhận biết tỷ lệ không khí – nhiên liệu là đậm hay nhạt hơn so với tỷ lệ lý thuyết.

g. Cảm biến A/F

Xung quanh tỉ lệ không khí nhiên liệu lí thuyết thì điện áp của cảm biến oxi thay đổi rất nhiều nên rất khó xác định. Cảm biến A/F có độ chính xác,  nhạy hơn cảm biến oxi, phạm vi tác dụng rộng hơn so với cảm biến Oxi.

h. Cảm biến tiếng gõ

Cảm biến tiếng gõ được gắn trên thân động cơ và truyền tín hiệu KNK tới ECM khi phát hiện tiếng gõ động cơ. ECM nhận tín hiệu KNK và làm trễ thời điểm đánh lửa để giảm tiếng gõ.

2.8.3. Các chức năng điều khiển của ECU.

a. Điều khiển bơm nhiên liệu v điều khiển cắt bơm nhiên liệu

Khi khóa điện được bật đến vị trí IG. Lúc này dòng điện từ acquy qua công tắc IG, qua cầu chi vào cực FC của ECU, ECU nhịp mat transitor, công tắc bơm xắng đóng lại và dòng điện chờ ở EFI. Đồng thời ECU điều khiển dòng đến MREL trong vòng khoảng 15 s làm bơm xăng hoạt động. Nếu sau 15 s mà ECU chua7 nhận được tín hiệu STAR từ máy khởi động thì ECU sẽ điều khiển transitor ngắt mt, làm bơm không hoạt động.

Nếu sau 15s mà ECU nhận được tín hiệu STR từ máy khởi động thì ECU điều khiển bơm xăng hoạt động bình thường.

b. Điều khiển lượng phun thông qua điều khiển thời gian phun

ECU sử dụng tín hiệu từ cảm biến tốc độ động cơ và tín hiệu từ cảm biến lượng khí nạp để tạo ra một tín hiệu phun cơ bản. Sau đó bằng các mạch hiệu chỉnh phun khác nhau, ECU hiệu chỉnh tín hiệu phun cơ bản phụ thuộc vào các tín hiệu từ từng cảm biến để xác định lượng phun thực tế. Tín hiệu phun sau đó được khuếch đại để kích hoạt các kim phun

c. Điều khiển đánh lửa.

- Điều khiển đánh lửa khi khởi động.

+ Khi khởi động, tốc độ động cơ thấp và khối lượng không khí nạp chưa ổn định nên không thể sử dụng tín hiệu VG làm các tín hiệu điều chỉnh. Vì vậy góc đánh lửa được đặt ở góc thời điểm đánh lửa ban đầu.

+ Góc đánh lửa ban đầu được điều chỉnh trong IC dự trữ ở ECU động cơ.

- Điều khiển đánh lửa sau khi khởi động.

+ Việc điều chỉnh được thực hiện bằng cách tiến hành các hiệu chỉnh khác nhau đối với góc thời điểm đánh lửa ban đầu và góc đánh lửa sớm cớ bản.

+ Thời điểm đánh lửa thực tế = góc thời điểm đánh lửa cơ bản + góc đánh lửa sớm hiệu chỉnh.

CHƯƠNG 3

XÂY DỰNG QUY TRÌNH KIỂM TRA CHUẨN ĐOÁN, BẢO DƯỠNG SỬA CHỮA ĐỘNG CƠ 2GR-FE

3.1. Tổng quan về kiểm tra, bảo dưỡng sửa chữa động cơ 2GR-FE

Mục đích của bảo dưỡng định kì:

- Đảm bảo tính năng của xe ở trạng thái tốt nhất có thể.

- Phát hiện sớm các hư hỏng của các chi tiết, cụm chi tiết.

- Giảm đến mức thấp nhất chi phí sữa chữa trong quá trình sử dụng.

- Kéo dài tuổi thọ của ô tô

- Đảm bảo an toàn độ tin cậy cho người sử dụng

3.2  Một số điểm kĩ thuật viên cần chú ý trong khi tiến hành bảo dưỡng ô tô.

Khi tiến hành bảo dưỡng, kĩ thuật viên cần tuân theo các nguyên tắc cơ bản sau. Nhằm mục đích cuối cùng là đảm bảo an toàn cho bản thân và sản phẩm.

- Cần tìm hiểu kĩ công việc đang làm và tiến hành từng công việc một cách chính xác. Cần phải tham khảo ý kiến của các chuyên gia, không được dựa vào các đánh giá của bản thân để tiến hành công việc.

- Sử dụng phủ sườn, phủ ghế, phủ sàn để không làm trầy xước hay bôi bẩn xe.

- Dùng các tấm chặn bánh xe, để giữ xe không chuyển động trong quá trình làm việc. Luôn chú ý tới tính an toàn, chắc chắn rằng mọi chuyển động của xe đều được ngăn chặn trong thời gian làm việc.

3.3. Lịch bảo dưỡng  định kì cho động cơ 2GR– FE

Các lịch bảo dưỡng chung xe ô tô nói chung và lịch bảo dưỡng bổ sung có thể tham khảo trong sách hướng dẫn sử dụng xe, được cung cấp cho khách hàng sử dụng xe của Toyota. Dưới đây trích lịch bảo dưỡng chung của động cơ 2GR-FE.

3.5. Kiểm tra các chi tiết cơ khí của động cơ

3.5.1. Kiểm tra cơ cấu trục khuỷu thanh truyền:

a. Kiểm tra trục khuỷu

- Đặt cổ trục vào khối V.

- Dùng đồng hồ so, đo độ đảo tại cổ trục giữa. Độ đảo lớn nhất : 0.06 mm.

c. Kiểm tra chốt khuỷu (cổ biên).

-  Dùng panme đo đường kính của các cổ biên (chốt trục khuỷu). Đường kính chốt khuỷu 52.992 đến 53.00 mm.

- Kiểm tra độ côn và độ đảo của từng cổ biên. Độ côn và độ đảo lớn nhất : 0.02 mm.

e. Kiểm tra khe hở dọc trục thanh truyền.

- Dùng đồng hồ so đo khe hở dọc trục trong khi dịch chuyển thanh truyền ra trước sau :

+ Khe hở dọc trục tiêu chuẩn : 0.15 đến 0.4 mm

+ Khe hở dọc trục lớn nhất : 0.5 mm

h. Kiểm tra khe hở rãnh xecmang.

- Dùng thước lá đo khe hở giữa xecmnag mới và thành của rãnh xecmang.

+ No.1 : 0.02 đến 0.07 mm

+ No.2 :0.02 đến 0.06 mm.

+ Dầu : 0.07 đến 0.15 mm.

3.5.3 Kiểm tra hệ thống bôi trơn.

a. Kiểm tra mức dầu động cơ.

- Hâm nóng động cơ, tắt máy và đợi 5 phút. Mức dầu nên nằm giữa vạch thiếu và vạch đầy của que thăm dầu.

- Nếu dầu thấp hơn, kiểm tra sự rò rỉ dầu và bổ sung dầu.

b. Kiểm tra van an toàn của bơm dầu.

- Bôi dầu động cơ lên van an toàn và kiểm tra rằng no rơi vào lổ van xuống dưới bằng chính trọng lượng của nó một cách êm dịu.

- Nếu van không rơi xuống êm dịu, thay van an toàn. Nếu cần thì thay thế cả cụm bơm dầu.

3.5.5.Kiểm tra áp suất nhiên liệu:

Ap suất nhiên liệu được đo bằng cách nối một đồng hồ đo áp suất với đường ống dẫn nhiên liệu. Đồng hồ được nối với ống nhiên liệu bằng giắt chữ T (SST 09268 - 41047)

Ap suất nhiên liệu tiêu chuẩn: 303 ÷304 kPa ( 3,1 ÷ 3,5 kgf/cm2) hay 44.1 ÷ 49.7 psi

Nếu áp suất cao thì thay thế bộ điều áp nhiên liệu.

Nếu áp suất thấp thì kiểm tra đường ống cao su và các chỗ nối, bơm xăng, lọc xăng và bộ điều áp nhiên liệu.

3.6. Chuẩn đoán hư hỏng

3.6.1. Tổng quan.

Bằng cách nối máy chẩn đoán vào giắt chẩn đoán (DLC3) việc liên lạc trực tiếp giữa ECU động cơ và máy chẩn đoán có thể được thực hiện.

Để kiểm tra mã hư hỏng hay dữ liệu tức thời được ghi trong bộ nhớ của ECU, Toyota thường dùng hệ thống chẩn đoán MOBD để giao tiếp với ECU động cơ. Hệ thống sẽ cho hiển thị mã chẩn đoán hư hỏng (DTC)  5 chữ số trên máy chẩn đoán.

ECU động cơ dùng chuẩn kết nối ISO 14230 (MOBD). Sự bố trí của giắt DLC3 tuân theo tiêu chuẩn ISO 15031 – 03 và phù hợp với dạng của tiêu chuẩn ISO 14230

3.6.3 Kiểm tra bằng máy chẩn đoán.

3.6.3.1 Chế độ kiểm tra

- Nối máy chẩn đoán với giắt DLC 3.

- Bật công tắc điện ở vị trí ON và bật công tắc của máy chẩn đoán.

- Sử dụng máy chẩn đoán để kiểm tra mã DTC và dữ liệu tức thời trên bộ nhớ của ECU.

3.6.3.3 Ví dụ về chẩn đoán cảm biến nhiệt độ nước làm mát.

a. Kiểm tra mã DTC phát ra.

- Nối máy chẩn đoán vào giắc DLC3.

- Bật công tắc động cơ ON(IG).

- Bật máy chẩn đoán ON.

c. Kiểm tra cảm biến nhiệt độ nước làm mát(kiểm tra hở mạch trong cảm biến).

- Kiểm tra giắc cảm biến được nối tắt.

- Ngắt giắc nối C4 của cảm biến nhiệt độ nước làm mát (ECT).

- Nối các cực 1 và 2 của giắc nối cảm biến ECT ở phía dây điện.

- Nối máy chẩn đoán với giắc DLC3.

3.7. CHẨN ĐOÁN THÔNG QUA MÁY CHẨN ĐOÁN MỘT SỐ MÃ DTC DÙNG CHO MÁY CHẨN ĐOÁN.

Bảng chẩn đoán như bảng 3.2.

KẾT LUẬN

Động cơ luôn luôn là phần quan trọng nhất trên ô tô. Chất lượng của động cơ ảnh hưởng trực tiếp đến chất lượng và thời hạn sử dụng của xe. Các nhà sản xuất ô tô trên thế giới luôn đổi mới và tìm cách hoàn thiện kết cấu động cơ của mình. Tuy nhiên làm thế nào để khai thác và sử dụng chúng một cách hiệu quả nhất thì lại là vấn đề của chính chúng ta, những con người đã, đang và sẽ nghiên cứu về ô tô Việt Nam.

Xã hội càng phát triển tới đâu thì nhu cầu của con người càng cao tới đấy, mẩu xe Toyota Camry 3.5Q đã đáp ứng được một phần nào nhu cầu khắc khe của con người như là: nâng cao công suất động cơ, tiết kiệm nhiên liệu, chống ô nhiểm môi trường, đồng thời với kiểu dáng gọn gàng, thanh nhã đã làm hợp lòng khách hàng khó tính.

Tuy nhiên mẩu xe Toyota Camry 3.5Q vẫn là mẩu xe trung cao cấp, đòi hỏi cần phải hoàn thiện hơn nữa những tính năng: công suất động cơ vẫn chưa cao lắm, tốc độ còn hạn chế, hộp số tự động chỉ mới có 6 cấp và kiểu dáng để có thể làm hài lòng những khách hàng khó tính.

Ngày nay tại sao nhiều sinh viên ra trường có bằng cấp nhưng nhiều công ty xí nghiệp vẫn e dè, có nhận cững đạo tạo lại. Đó là vấn đề rất khó giải quyết, một phần là do ở những sinh viên, một phần là do nhà trường chưa tạo được mối liện hệ, chưa gắn kết giữa lí thuyết giảng dạy và thực tế. Điều đó đã làm cho nhiều sinh viên ra trường cảm thấy bở ngở.

Tuy kiến thức và điều kiện còn hạn chế, nhưng chúng em đã cố gắng hoàn thành nghin cứu, khai thc động cơ 2G-FE, không chỉ có ý nghĩa là phục vụ cho đồ án tốt nghiệp mà còn đóng góp một phần công sức bé nhỏ vào cho nhà trường tạo điều kiện cho việc giảng dạy, học tập của những khoá sau được tốt hơn, thực tế hơn.

Rất mong học viên các khóa sau sẽ tiếp tục nghiên cứu phát triển những đề tài mới, những mô hình mới để có thể đưa lí thuyết gắn liền với thực tiễn, đưa những kiến thức từ nhà trướng đi vào thực tế.

Em xin chân thành cảm ơn!

TÀI LIỆU THAM KHẢO

1. Toyota Camry Owner’s Manual - Toyota Motor Cooporation 2007.

2. Toyora Service Training - TEAM 21 LIBRARY- Toyota Motor Cooporation.

3. Cẩm nang sửa chữa Toyota Camry - Toyota Việt Nam http://www.toyotavn.com.vn

4. Trang bị điện & điện tử trên ô tô hiện đại, Hệ thống điện động cơ - PGS-TS Đỗ Văn Dũng

5. Kết cấu tính toán động cơ đốt trong – GV Nguyễn Tấn Quốc ĐH Sư phạm kỹ thuật TP.HCM.

6. Giáo trình kỹ thuật sửa chữa ô tô - TS Hoàng Đình Long

7. Giáo trình trang bị điện ô tô - Nguyễn Văn Chất

8. Chẩn đoán và bảo dưỡng kỹ thuật ô tô - Ngô Hắc Hùng.

"TẢI VỀ ĐỂ XEM ĐẦY ĐỦ TÀI LIỆU"